Why a 6dB attenuator for receiver effective sensitivity test

Click For Summary

Discussion Overview

The discussion revolves around the role of a 6 dB attenuator in performing an effective sensitivity test for a radio receiver. Participants explore the implications of using the attenuator in relation to impedance matching, signal reflections, and the overall reliability of the test measurements. The conversation encompasses theoretical considerations, practical applications, and potential limitations of the testing protocol.

Discussion Character

  • Technical explanation
  • Debate/contested
  • Exploratory

Main Points Raised

  • Some participants assert that the 6 dB attenuator helps make the input to the T coupler appear as a matched load, reducing reflections in the measurement setup.
  • Others express skepticism about the necessity of the 6 dB attenuator, suggesting that the accuracy of the test signal may not be critical since errors would cancel out when comparing two tests.
  • A participant questions the specific choice of a 6 dB attenuator over other values like 3 dB or 10 dB, seeking a deeper understanding of the underlying theory.
  • Some contributions highlight that the signal generator requires a load close to 50 ohms for proper operation, and that reflections could distort measurements if a capacitive load is directly connected.
  • There is mention of the potential for outdated methods or misapplications of theory in the testing protocol, raising concerns about the relevance of current practices.
  • One participant suggests that the 6 dB loss of a resistive power splitter may be a factor in the test protocol, although the reasoning behind its importance remains unclear.
  • Another participant explains that higher insertion loss in a resistive attenuator can make a mismatched load appear closer to a perfect match, which may benefit the signal generator's performance.
  • There is a discussion about the characteristics of a classic 3-port network and the mathematical considerations involved in determining resistor values for achieving the desired insertion loss.
  • Some participants note that using a 6 dB attenuator can help mitigate issues with reactive loads, which could introduce distortion into the measurements.

Areas of Agreement / Disagreement

Participants express a mix of agreement and disagreement regarding the necessity and effectiveness of the 6 dB attenuator. While some support its use for impedance matching and reducing reflections, others question its importance and the rationale behind the specific choice of 6 dB. The discussion remains unresolved with competing views on the matter.

Contextual Notes

Limitations include uncertainties about the capacitance of the capacitor used in the T coupler, the specific effects of different attenuator values, and the potential for outdated methodologies influencing current practices. The discussion does not resolve these uncertainties.

FrankJ777
Messages
140
Reaction score
6
The diagram is a reproduction from instructions to perform an effective sensitivity test for a generic radio receiver. In our organization it's considered the proper way to do an effective sensitivity test for a receiver. My question is, what does the 6 db attenuator do in this case. It is true that the the input to the T coupler from the signal generator is capacitively coupled. The justification that I've been told is that the 50 ohm, 6 db coupler makes the input to the T look like a matched load. I don't understand why this would work, or why it would matter for the reliability of the test. From an EM perspective, I believe to the signal generator the T would "look" matched because the signal reflected at the coupler will have been attenuated 12 db on it's round trip. Although, to the receiver, the signal will be the same, just attenuated 6 db. So I really don't see how it will improve our measurement.
Effective Sense.jpg
 
Engineering news on Phys.org
FrankJ777 said:
The justification that I've been told is that the 50 ohm, 6 db coupler makes the input to the T look like a matched load.
I agree that this is correct. You do not want reflections in a measurement setup.
 
Also, I doubt the signal generator would work well if you tried to get it to drive a signal directly into a capacitive load; they really do require something close to 50 ohm to work correctly (i.e. so that you can trust the amplitude setting etc)
 
Svein said:
I agree that this is correct. You do not want reflections in a measurement setup.
f95toli said:
Also, I doubt the signal generator would work well if you tried to get it to drive a signal directly into a capacitive load; they really do require something close to 50 ohm to work correctly (i.e. so that you can trust the amplitude setting etc)
I apologize for not being clearer, but the figure of merit for the test is just the ratio of two tests. The first test is conducted with a 50 ohm dummy load connected to the T. Then a signal is applied through the capacitive coupling to the receiver, and the point where it breaks squelch is recorded. The second test is identical, except the antenna is connected in place of the dummy load. The figure of merit is the ratio of test 1 to test 2, so I would expect that accuracy of the test signal is not important, as an error in signal amplitude caused by reflections, would be the same for test 1 and test 2, so when the ratio of test 1 with test 2 is calculated, the error should divide out. After all in the results we never account for the loss is the cables, the attenuation, or insertion loss into the T, so i don't see why its necessary to have an accurate signal level. The only thing that is necessary is that the error is the same for both tests, which I believe it would be regardless of whether or not a 6bd attenuator is used in series.

Anyways, I guess my broader question is, how does the 6 db attenuator, match the capacitive input of the T to the signal generator. Its just a 50 Ohm resistive network, so it doesn't transform the impedance, although it does end up attenuating the reflected signal by 12db.
Also what's so special about a 6db attenuator as opposed to 3db or 10db for that matter?
I would really like to understand the theory behind this, maybe from a transmission line perspective. I keep being told that "the signal generator wants to see a low impedance, and the 6db attenuator makes the load appear like a 50 Ohm impedance." But no one has been able to explain the math or theory behind this to me.
Through out my career I've found that often methods are outdated, and some methods are due to misapplication of theory, or due to something that isn't technologically relevant any longer, but continues because the purpose has been long forgotten.
Effective Sense.jpg
 
FrankJ777 said:
I apologize for not being clearer, but the figure of merit for the test is just the ratio of two tests. The first test is conducted with a 50 ohm dummy load connected to the T. Then a signal is applied through the capacitive coupling to the receiver, and the point where it breaks squelch is recorded. The second test is identical, except the antenna is connected in place of the dummy load. The figure of merit is the ratio of test 1 to test 2, so I would expect that accuracy of the test signal is not important, as an error in signal amplitude caused by reflections, would be the same for test 1 and test 2, so when the ratio of test 1 with test 2 is calculated, the error should divide out. After all in the results we never account for the loss is the cables, the attenuation, or insertion loss into the T, so i don't see why its necessary to have an accurate signal level. The only thing that is necessary is that the error is the same for both tests, which I believe it would be regardless of whether or not a 6bd attenuator is used in series.

Anyways, I guess my broader question is, how does the 6 db attenuator, match the capacitive input of the T to the signal generator. Its just a 50 Ohm resistive network, so it doesn't transform the impedance, although it does end up attenuating the reflected signal by 12db.
Also what's so special about a 6db attenuator as opposed to 3db or 10db for that matter?
I would really like to understand the theory behind this, maybe from a transmission line perspective. I keep being told that "the signal generator wants to see a low impedance, and the 6db attenuator makes the load appear like a 50 Ohm impedance." But no one has been able to explain the math or theory behind this to me.
Through out my career I've found that often methods are outdated, and some methods are due to misapplication of theory, or due to something that isn't technologically relevant any longer, but continues because the purpose has been long forgotten.
View attachment 90897
I suspect this has to do with the 6 dB loss of a resistive power splitter. The test protocol may be attempting to duplicate that effect. I couldn't say why the designer of the protocol thought that was important without knowing a lot more about what is being tested and why.

In any case the resistive T splitter has some nice characteristics as a calibration standard like a wide bandwidth and simplicity.
 
We don't know the capacitance of the capacitor into the T. So without that, the only thing to address in my opinion is this:
-
I keep being told that "the signal generator wants to see a low impedance, and the 6db attenuator makes the load appear like a 50 Ohm impedance." But no one has been able to explain the math or theory behind this to me.
-
I don't understand how you cannot understand this when you know that you have 6 db loss on the way out and another 6 db on the way back for reflections. The higher insertion loss you have on a resistive attenuator the closer it looks to a perfect match when a mismatch exists on the output of the attenuator. I suspect that the capacitor and the parallel connection of the receiver and antenna/dummy load causes enough of an SWR that the attenuator makes the generator 'see' something pretty close to a 50 ohm resistive load.
 
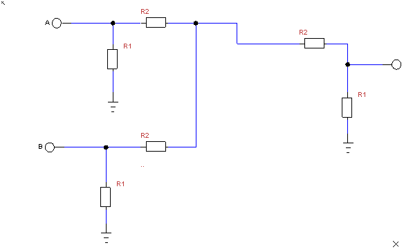
OK. What you have here is a classic 3-port network where all ports want to see 50Ω and present a load of 50Ω. This requirement is fulfilled using a symmetric resistor network.
upload_2015-10-28_7-21-14.png

The values of R1 and R2 can be found by elementary (but finicky) calculus. I am not doing that calculus here, but - as far as I remember - the insertion loss is 6dB.
 
6 dB, as far as I know, is just a sort of standard value used for attenuators and hybrid combiners. It's enough to squash any reactive-ness in the load. Like some of the above posts said, you don't want your equipment feeding into reactive loads - you will generate all kinds of distortion, and then how do you sort out what's distortion and what's not?
There is no reason you can't use 3 dB or any value you want, but you have to realize the effect it will have on your signals.
 
tfr000 said:
, you don't want your equipment feeding into reactive loads - you will generate all kinds of distortion, and then how do you sort out what's distortion and what's not?

OK. So what causes the distortion? Is it due to the reflections feeding back into the signal generator. Is it likely that the signal generator uses feedback to output the correct amplitude signal? Or are you referring to other causes of distortion, like reflected signals, re reflecting at the signal generator then back towards the equipment under test?
 
  • #10
You are supposed to be testing the receiver. Suppose you discover mixing. Is that due to to a bad receiver front end, or a rusty screw in the antenna? That could be hard to tell with signals bouncing around in a reactive splitter.

Of course this was more of a problem in the old days without IC front ends.

But any causes of distortion could feed through since reactive splitters will be more sensitive at some frequencies than others. Resistive splitters are cheap, easy, and stable.
 

Similar threads

  • · Replies 3 ·
Replies
3
Views
2K
  • · Replies 29 ·
Replies
29
Views
6K
  • · Replies 3 ·
Replies
3
Views
1K
  • · Replies 15 ·
Replies
15
Views
4K
Replies
9
Views
4K
  • · Replies 38 ·
2
Replies
38
Views
8K
  • · Replies 31 ·
2
Replies
31
Views
5K
Replies
16
Views
3K
Replies
4
Views
8K
  • · Replies 3 ·
Replies
3
Views
2K