Automotive Alternator with External Regulator Light stays on all the time

Click For Summary

Discussion Overview

The discussion revolves around troubleshooting an automotive alternator with an external regulator, specifically addressing an issue where the dashboard warning light remains illuminated continuously despite various repairs and replacements. Participants explore potential causes and solutions related to the alternator's charging behavior, the voltage regulator's functionality, and associated wiring issues.

Discussion Character

  • Technical explanation
  • Debate/contested
  • Exploratory

Main Points Raised

  • One participant describes a sequence of repairs including replacing brushes, the voltage regulator, and the alternator itself, yet the warning light remains on and the alternator charges at maximum output without regulation.
  • Another suggests testing the alternator and regulator together, noting that a damaged alternator can affect the regulator and that a marginal battery may complicate troubleshooting.
  • A question is raised about whether the diodes in the alternator have been replaced, implying they could be a source of the problem.
  • Participants propose various voltage and current measurements to diagnose the issue, including checking the regulator's grounding and the voltage at different wires when the engine is off and running.
  • One participant mentions that if the headlights dim at idle and brighten at higher speeds, it could indicate a failing battery or bad brushes in the alternator.
  • A later reply identifies a specific mechanical issue with the regulator's switch, suggesting that it was bent and not closing properly, which resolved the problem when adjusted.

Areas of Agreement / Disagreement

Participants express differing views on the potential causes of the issue, with no consensus reached on the exact source of the problem until the last post, where one participant identifies a mechanical fault in the regulator. Other suggestions and diagnostic methods remain contested.

Contextual Notes

Some discussions involve assumptions about the wiring and connections that may not be fully verified. The effectiveness of various troubleshooting steps is dependent on the specific vehicle model and its electrical system configuration.

Who May Find This Useful

Individuals working on automotive electrical systems, particularly those dealing with alternators and voltage regulators in older vehicles, may find this discussion relevant.

John1397
Messages
189
Reaction score
18
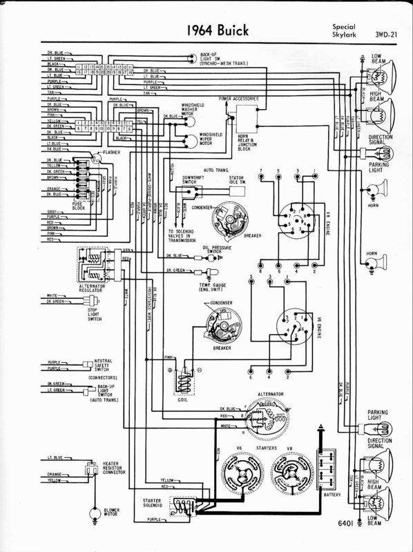
My problem started when I took my alternator apart to grease bearings when I put it back to together dash light came on so took it apart seen wire to one of the brushes was broken soldier back together

it work for a short while the light was back on seen soldier had broke again so I changed the brush assemble now the light was still on so next I installed ammeter between alternator plus terminal and wire to battery with engine idling it puts out a few amps when speeding up engine to high RPM's alternator puts out maximum amps and with battery charger hooked on at same time it still seems to put out maximum amps no regulation and light is on.

Next I changed the voltage regulator from another vehicle same thing no change then I switched the alternator it self no change so this seems to me to simply rule out regulator or alternator so I checked the wires that go to field and regulator on the alternator the both conduct so they are not broken and they are not shorted together

I can't find no problem cause I don't know what to look for. I do not really understand which one regulates I always thought you short out the field this cause alternator to full charge but what does the regulator terminal do as they both go to regulator then brown wire seems to go to lamp but I can't find this on the diagram

but seems to be other things connected to this brown wire and I do not know if the lamp is always grounded or it always connected to positive but I do know that with the brown wire disconnected from regulator alternator will not charge .

I also do not know if the light is suppose to burn with the alternator charging full amps.

So what I have is a lamp that burns all the time, and an alternator that does not regulate. It just charges at full amps. This after changing both regulator and alternator and checking the wiring from the alternator to the regulator.
 

Attachments

  • Buick64-2.jpg
    Buick64-2.jpg
    79 KB · Views: 395
  • Buick 64.jpg
    Buick 64.jpg
    80.3 KB · Views: 367
Last edited by a moderator:
Physics news on Phys.org
I'd suggest having the alternator (and regulator) tested, and change out both the voltage regulator and alternator at the same time. I would also have the battery tested. I have had cases where a damaged alternator hurt a voltage regulator, and vice-versa on a couple of late 1960's Fords, and a marginal battery will have you chasing your tail. If you can find a 1964 shop manual for that car or its Chevrolet counterpart, it may give you a troubleshooting procedure that will be more effective at identifying the source of your problem. It may also tell you things NOT to do.

Also, if there are a large amount of added accessories (lights, fans, fuel/water pumps), your alternator may need to be higher capacity.

I'm sorry, but I can't read the color labels on the diagrams you posted.
 
Last edited:
Dis you also replace the diodes?
 
Connect your voltmeter (-) lead to the battery (-). Use a clip lead or length of wire if needed.
Make sure the regulator frame is Grounded to the vehicle
  1. With the engine Off.
    • There should be battery voltage at the regulator Red wire
    • The regulator frame should measure Zero volts
    • The White wire should measure Zero Volts
  2. Use the Ammeter to measure current thru the heavy Red wire on the Alternator.
    • There should be Zero current. If there is current the alternator needs service, either a shorted diode or something else shorted internally.
  3. With the engine Running, measure the voltage on the terminals that the White wire is connected to at both the Alternator and at the Regulator. It should be the same and may vary with charging rate.
  4. You can get an idea of the battery charge status by measuring its voltage. Fully charged will be a little over 14V.
    • If it is much above that, disconnect the Dark Blue wire from the Regulator. The voltage (and charging current) should drop.
    • If it does NOT drop, the Alternator and/or Regulator has a problem. Leave the wire disconnected and Ground the Alternator connection for the Dark Blue wire. If the voltage/current still does not drop, I'm out of ideas!

The Dark Blue wire between the Regulator and Alternator is the connection to the Alternator Field winding. When the regulator senses a fully charged battery this will be at Zero volts, connected to Ground inside the Regulator.

When the battery voltage is low, the Dark Blue wire will be energized at some voltage to enable the Alternator.

You can also test the Alternator and Regulator by monitoring the battery charging current and its voltage. If the current is low at the battery when charging immediately after starting (a partially depleted battry), there is either a bad connection, or the Alternator and/or Regulator has a problem.

Another clue is if the headlights dim at idle and brighten at higher engine speed, that often indicates a failing battery, or sometimes bad brushes in the alternator.

If all of the above don't find anything wrong and the battery voltage is good, there may be a problem in the dashboard. A bad connection here can sometimes cause the red Charge Lamp to come on when it shouldn't... usually not a Do-It-Yourself project.

Have Fun!

Cheers,
Tom
 
  • Like
Likes   Reactions: berkeman
Tom.G said:
With the engine Off.
    • There should be battery voltage at the regulator Red wire
    • The regulator frame should measure Zero volts
    • The White wire should measure Zero Volts
  1. Use the Ammeter to measure current thru the heavy Red wire on the Alternator.
    • There should be Zero current. If there is current the alternator needs service, either a shorted diode or something else shorted internally.
We used to measure this current while the engine was on. If there was a significant AC component (needle swings positive and negative) one or more of the three diodes was bad. It would show as an alt light.
 
I found the problem some thing caused the switch in the regulator to bend up (looked like got hot) this way the relay pulls down but switch still open and then light burns and alternator charges full amount when I pushed down to close switch light went out and regulator starts to work strange.
 
  • Like
Likes   Reactions: Tom.G

Similar threads

  • · Replies 16 ·
Replies
16
Views
3K
  • · Replies 3 ·
Replies
3
Views
3K
  • · Replies 5 ·
Replies
5
Views
2K
  • · Replies 4 ·
Replies
4
Views
2K
  • · Replies 12 ·
Replies
12
Views
7K
  • · Replies 31 ·
2
Replies
31
Views
14K
  • · Replies 2 ·
Replies
2
Views
2K
  • · Replies 3 ·
Replies
3
Views
2K
  • · Replies 1 ·
Replies
1
Views
2K
  • · Replies 14 ·
Replies
14
Views
2K