Capacitors in common emitter audio amplifier

Click For Summary
SUMMARY

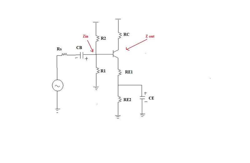
The discussion centers on the correct orientation of capacitors in a common emitter audio amplifier, specifically addressing the reversed connection of capacitor CB. It is established that electrolytic capacitors must be connected with the correct polarity to avoid catastrophic failure, such as explosion. The average voltage from the signal generator is 0V, while the junction of resistors R1 and R2 shows a positive voltage, indicating the necessity of proper capacitor orientation to maintain dielectric integrity and prevent short circuits.

PREREQUISITES
  • Understanding of common emitter amplifier configurations
  • Knowledge of AC signal behavior in electronic circuits
  • Familiarity with electrolytic capacitor specifications and limitations
  • Basic principles of voltage and polarity in electrical components
NEXT STEPS
  • Study the role of capacitors in audio amplifier circuits
  • Learn about the specifications and applications of electrolytic capacitors
  • Research safety protocols for working with capacitors in electronic circuits
  • Explore common emitter amplifier design and troubleshooting techniques
USEFUL FOR

Electronics students, audio engineers, and hobbyists working with amplifier circuits who need to understand capacitor orientation and its implications on circuit performance and safety.

nobrainer612
Messages
24
Reaction score
0

Homework Statement



Hello. When I looked at my lab manual, I saw the capacitor CB is connected in reversed direction. The AC source is connected to resistor RS, then connected to the negative polarity of CB. But I have no idea why it connects in reverse. Can please anyone tell me the reason? I have tried to connect capacitor in reverse ( not in this audio amplifier) and the capacitor exploded.

2eekh2x.jpg
 
Physics news on Phys.org
The average of the voltage from your signal generator is 0V. The average of the voltage at the junction of R1 and R2 is some positive voltage. Electrolytic capacitors must be connected so average polarity is observed, otherwise they may explode. Instead of maintaining an insulating dielectric, the reversed polarity can destroy part of the dielectric causing a short circuit and high fault current inside the capacitor.
 

Similar threads

  • · Replies 10 ·
Replies
10
Views
2K
  • · Replies 1 ·
Replies
1
Views
4K
  • · Replies 7 ·
Replies
7
Views
2K
  • · Replies 3 ·
Replies
3
Views
3K
  • · Replies 3 ·
Replies
3
Views
2K
Replies
4
Views
3K
  • · Replies 2 ·
Replies
2
Views
2K
  • · Replies 6 ·
Replies
6
Views
3K
  • · Replies 19 ·
Replies
19
Views
3K
  • · Replies 13 ·
Replies
13
Views
3K