Could a Reverse Uni-Flow Engine Revolutionize the Automotive Industry?

  • Thread starter Thread starter voltech444
  • Start date Start date
  • Tags Tags
    Engine Reverse
Click For Summary

Discussion Overview

The discussion revolves around the concept of a reverse uni-flow engine, specifically a simple cycle engine developed by LIM Technology. Participants explore its potential applications in hybrid electric vehicles, technical challenges, and comparisons with other engine types, including microturbines. The scope includes theoretical and practical considerations, as well as personal experimentation with prototypes.

Discussion Character

  • Exploratory
  • Technical explanation
  • Debate/contested
  • Experimental/applied

Main Points Raised

  • One participant describes the operational cycle of the reverse uni-flow engine, highlighting its scavenging process and potential advantages such as low emissions and high power-to-weight ratio.
  • Another participant raises concerns about the durability of piston engines at high RPMs, suggesting that higher strength materials and potentially a dry-sump lubrication system may be necessary.
  • Questions about the efficiency of the proposed engine design are posed, indicating uncertainty about its performance metrics.
  • A participant mentions the possibility of using a microturbine engine instead of a reciprocating engine, citing challenges with efficiency and cost in building a microturbine from automotive components.
  • Discussion includes the idea of using dual spark plugs for reliable ignition at high speeds and the complexities of balancing a one-cylinder engine operating at high RPMs.
  • One participant shares their experience with microturbines, noting that they may not be efficient at lower power levels and discussing the challenges of developing a high-speed alternator or gear reduction system.

Areas of Agreement / Disagreement

Participants express a range of views on the feasibility and efficiency of the reverse uni-flow engine and microturbines, with no consensus reached on the best approach or design. Concerns about the practicality of high RPM operation and the durability of engine components are also debated.

Contextual Notes

Limitations include uncertainties regarding the required materials for high RPM operation, the efficiency of different engine types, and the technical challenges of building prototypes. The discussion reflects varying assumptions about engine performance and design viability.

voltech444
Messages
31
Reaction score
1
Hello

This is a concept I have been researching for a while. A company called LIM Technology has made a few working prototypes of this very concept they call a simple cycle engine; they have a patent for the intake valve technology. Here is their website http://limtechnology.com/technology.html

This engine works like this:

1.) Intake/ Exhaust (Scavenging) Stroke: As the piston travels downward it exposes the exhaust port, exhaust gas travels out the exhaust port into the turbocharger turbine and then into the exhaust manifold. The turbine turns the compressor which compresses air and forces it into the intake manifold, the pressure builds until it forces the intake valve open, air flows through the cylinder and pushes out the remaining exhaust gases (Scavenging) As the piston begins to rise the exhaust port is covered and the pressure increases in the cylinder which causes the intake valve to return to the closed position.

2.) Compression Stroke: As the piston travels upward the air in the cylinder is further compressed; during this time a high pressure fuel injector sprays gasoline into the cylinder.

3.) Power Stroke: When the piston is near TDC the spark plug ignites the air/fuel mixture which drives the piston downward until the exhaust port is uncovered and the scavenging process begins.

That's it! The cycle repeats over and over.

This engine is lubricated like a four stroke engine that has oil in the crankcase. This engine would have the advantages of not needing premix oil, low emissions because of direct fuel injection and no air/fuel lost during scavenging and no oil being burnt, simple construction and operation because no camshaft is required to operate intake valve, high power to weight ratio because it has a power stroke for every crankshaft revolution and it is possible to have high boost levels with the turbocharger and direct fuel injection. The reverse uniflow design gives great scavenging since the air is moving in one direction through the cylinder.

Potential issues with this design; ensuring the cylinder walls are thoroughly lubricated and that excessive amounts of oil do not blow out the exhaust port. A longer piston may be required to keep the exhaust port covered as the piston moves upward on the compression stroke so exhaust does not blow back into the crankcase. High pressure direct fuel injection with gasoline will require tuning and correct timing; this cycle would definitely work with compression ignition and diesel. A source of compressed air is needed for scavenging to start engine and get to high enough RPM where the turbocharger can start supplying boost.

I want to use this engine to make a range-extended hybrid electric vehicle; the high power to weight ratio makes it the perfect fit to power a generator and recharge the batteries. A small single cylinder engine like this running at high RPM (10,000 RPM or more) could give more than enough power for any personal vehicle; add more cylinders for more power for larger commercial vehicles. In this scenario the engine would either be off or running at full speed turning an permanent magnet alternator (PMA) A small electric blower could easily supply air for scavenging for start-ups.

This engine is so simple, and LIM Technology has already proven that this concept works with three prototypes. I have spoken with them through email and they have no problems with me using this design and building my own prototypes; of course if I end up going into production and actually making money than I may have to pay them some royalties (although they only have a patent on the intake valve they developed)

I have begun building two simple prototypes in my garage with a 7.5HP and 12HP Briggs & Stratton single cylinder four stroke gasoline engine. I will supply air with an air compressor and fuel with natural gas from my house gas line supply. The methane will mix with the air in the intake manifold at the correct ratio, some of this air/methane mixture will be lost out the exhaust during the scavenging process but it is the easiest way to make a simple prototype work. When i start making a more legit prototype I will be including the direct fuel injection. I'm simply going to drill some holes through the cylinder walls to make the exhaust ports and custom build the intake manifold.

I would appreciate advice and thoughts on this matter.

Thank you for reading!
Jordan
 

Attachments

  • Reverse Uniflow Engine.jpg
    Reverse Uniflow Engine.jpg
    34.9 KB · Views: 1,367
Engineering news on Phys.org
One of the reasons you don't see a lot of piston engines running at 10,000 RPM is that they tend to wear out quickly running at that speed all the time. Also, the internal moving parts have to be stronger to withstand such high revving operation. Since adding weight to add strength is counterproductive, then you have to use higher strength materials and more costly methods of producing them, like forging over casting.

You'll also need stronger valve springs to prevent valve bouncing and probably a dry-sump lubrication system to prevent oil-frothing in a conventional crankcase.

I suspect you might need a dual spark-plug set up to ensure that the mixture is always ignited at operating speed, but who knows. Balancing a one-cylinder motor is interesting, especially one running at 10K RPM.

And if any parts fail when the engine is running at 10,000 RPM, ...

It would probably be cheaper and simpler to throw away the reciprocating engine part and scale up the turbo for use as a prime mover, especially since you are going to use it in a hybrid set up anyway.
 
Thank you SteamKing for your input,

10K Rpm is the upper limit I was hoping to be able to reach but it is probably not necessary; perhaps only for short periods of time when power demands are very high (mountain driving). I have read about 100cc Yamaha two stroke racing cart engines that can be modified to reach 18K RPM, although they usually run more around 10K.

It's interesting you mentioned a microturbine engine because I have been going back and forth between a microturbine engine or a reciprocating engine. Capstone has developed a 30Kw and 65Kw microturbine to be used in a hybrid electric vehicle. I have contacted them multiple times and I have been unable to get an answer when they plan to sell these to the public with no conditions. If you were able to convince them to sell one it would cost between $20K-$30K, they must approve of the application you want to use it for.

Since I was unable to purchase one outright, I looked into building a microturbine from an automotive turbocharger. I wrote about it extensively on the DIY Gas Turbine Yahoo group: http://groups.yahoo.com/neo/groups/DIYGasTurbines/conversations/topics/54657

The conclusion I came to was; it would be difficult, expensive, and inefficient. The problem is that microturbines are just not very efficient at these lower power levels. Capstone was able to get a 30% efficiency using the best technology available; I would've been lucky to break about 15%. The smaller the microturbine, the higher the RPM required to achieve good efficiency; for the power range I wanted (20Kw) it would need to be running at ~150K . The real challenge is to either build a special high speed alternator that can run at these speeds and an inverter that can step down the extremely high frequency to an acceptable level (which is what capstone did); or to develop some kind of gear reduction that can mechanically reduce these high speeds into usable torque (which is what I was researching). My solution was a carbon fiber reinforced polymer permanent magnetic gear; combining carbon fiber technology and magnetic gear technology that uses high strength neodymium-iron-boron magnets gives a friction-less gear system that would be capable of extremely high speeds, operating in a moving vehicle, lubrication free, and would last a long time. I even had a company in Australia called MGT (Magnetic Gear & Turbine Corp) that would design and build some prototype gears for me to test. Unfortunately I didn't have enough funds to see the project through myself and I was unable to attract serious investors so the project has been on hold.

So I ended up back with reciprocating engines where 10K sounds like nothing compared to microturbines; of course I am aware that there is a big difference between the two. This is actually the first time I have even disclosed to the public my idea of a carbon fiber magnetic gear, I am convinced it would work, just check out their website: http://www.magnetpowertransmission.com/ Since I'm not doing anything with it at the moment, maybe someone else can; all that i ask is that you will sell me some for my microturbines!

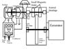
I have included a sketch of the turboshaft generator I designed.
 

Attachments

  • turboshaft.jpg
    turboshaft.jpg
    46.2 KB · Views: 761
  • transmission.jpg
    transmission.jpg
    25.2 KB · Views: 437
russ_watters said:
Is it efficient?

Yes, this design should be as efficient or more efficient than the best four stroke engine. Since it has fewer moving parts (no camshaft) less energy is required to keep the engine moving; also the turbocharger is capturing energy from the exhaust and using it for scavenging (instead of crankcase scavenging or a supercharger, which both take energy from the crankshaft)

I am also looking at water injection systems combined with an intercooler to lower cylinder temperatures, allow for higher boost levels and run a very lean air/fuel ratio which should further improve efficiency. Straight water injection (with no methanol) effectively raises the octane of regular pump gas to 130; this allows for much higher compression ratios to be achieved without pre-ignition (engine knock) This will also mean a higher power to weight ratio which in a hybrid electric vehicle (HEV) means more weight and space for batteries and an improved electric range (higher MPG)
 

Similar threads

  • · Replies 22 ·
Replies
22
Views
2K
Replies
11
Views
4K
  • · Replies 123 ·
5
Replies
123
Views
34K
  • · Replies 14 ·
Replies
14
Views
3K
  • · Replies 2 ·
Replies
2
Views
2K
  • · Replies 39 ·
2
Replies
39
Views
5K
  • · Replies 35 ·
2
Replies
35
Views
4K
  • · Replies 1 ·
Replies
1
Views
3K
Replies
5
Views
5K
  • · Replies 7 ·
Replies
7
Views
2K