Current and resistance in the power loss of a transformer

Click For Summary

Homework Help Overview

The discussion revolves around a transformer problem involving output voltage, current calculations, and power loss in the primary coil. Participants are examining the relationships between the resistances of the primary and secondary coils, the output voltage, and the efficiency of the transformer.

Discussion Character

  • Mixed

Approaches and Questions Raised

  • Participants are exploring whether to include the resistance of the secondary coil in current calculations. Some suggest that the output voltage should account for both resistances, while others question the definitions of output voltage and the readings of voltmeters.

Discussion Status

There is an active exploration of different interpretations regarding the role of resistances in the circuit. Some participants have offered insights into the relationships between voltage, current, and resistance, while others express confusion about the calculations and the definitions being used.

Contextual Notes

Participants are grappling with the implications of transformer efficiency and the definitions of output voltage in relation to the circuit components. There are indications of ambiguity in the problem statement, leading to varied interpretations of the calculations involved.

songoku
Messages
2,514
Reaction score
395
Homework Statement
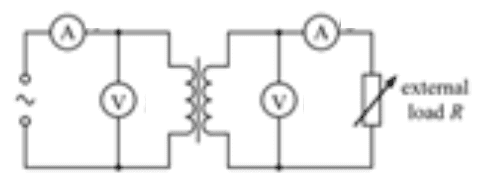
Diagram below shows a transformer having primary coil with resistance of 470 Ω and secondary coil with resistance 2950 Ω. The r.m.s potential difference across primary coil was maintained at 6 V. The efficiency of the transformer varies as R varies and when the transformer operates at maximum efficiency of 0.42, R is 13.5 kΩ. If the ratio of input and output voltage is 1 : 2, find:
a) the current in R
b) power loss in primary coil
Relevant Equations
##P=I^2 . R##

P = V.I

##P=\frac{V^2}{R}##
1629257943945.png


a) Output voltage = 2 x 6 = 12 V

Current in R = 12 V / 13.5 kΩ = 8.9 x 10-4 A

That is the correct answer based on the solution but I don't understand why when calculating the current in R, the resistance of secondary coil is not considered. I thought it should be like this:

Current in R = 12 / (13.5 x 103 + 2950) = 7.3 x 10-4 A

Thanks
 
Physics news on Phys.org
songoku said:
Homework Statement:: Diagram below shows a transformer having primary coil with resistance of 470 Ω and secondary coil with resistance 2950 Ω. The r.m.s potential difference across primary coil was maintained at 6 V. The efficiency of the transformer varies as R varies and when the transformer operates at maximum efficiency of 0.42, R is 13.5 kΩ. If the ratio of input and output voltage is 1 : 2, find:
a) the current in R
b) power loss in primary coil
Relevant Equations:: ##P=I^2 . R##

P = V.I

##P=\frac{V^2}{R}##

View attachment 287695

a) Output voltage = 2 x 6 = 12 V

Current in R = 12 V / 13.5 kΩ = 8.9 x 10-4 A

That is the correct answer based on the solution but I don't understand why when calculating the current in R, the resistance of secondary coil is not considered. I thought it should be like this:

Current in R = 12 / (13.5 x 103 + 2950) = 7.3 x 10-4 A

Thanks
Are those two resistances in series as far as the voltmeter is concerned?
What is the potential across the external load?
 
  • Like
Likes   Reactions: songoku
I am also tending towards the view that we should take the resistance of the secondary into account, however i am not so sure. The reason is (I think) from an energy/power point of view that $$V_sI_s=I_s^2R_s+I_s^2R\Rightarrow V_s=I_sR_s+I_sR$$
 
  • Like
Likes   Reactions: songoku
Delta2 said:
I am also tending towards the view that we should take the resistance of the secondary into account, however i am not so sure. The reason is (I think) from an energy/power point of view that $$V_sI_s=I_s^2R_s+I_s^2R\Rightarrow V_s=I_sR_s+I_sR$$
So what do you think the right hand voltmeter reads, and how would you define "output voltage"?
 
  • Like
Likes   Reactions: songoku
haruspex said:
So what do you think the right hand voltmeter reads, and how would you define "output voltage"?
The right hand voltmeter says ##\frac{12}{R_S+R}R## and the output voltage is 12
 
  • Like
Likes   Reactions: songoku
Tbh, I feel something just isn't quite right in what I am saying but not sure what it is. I think I am not sure if the voltage meter reads 12V or what I say in post #5.
 
  • Like
Likes   Reactions: songoku
haruspex said:
What is the potential across the external load?
12 V
haruspex said:
Are those two resistances in series as far as the voltmeter is concerned?
I thought so, but I also think that potential difference across secondary coil is the same as p.d. across the external load so maybe they are connected in parallel?

Thanks
 
songoku said:
potential difference across secondary coil is the same as p.d. across the external load so maybe they are connected in parallel?
From the perspective of the voltmeter, yes.
 
  • Like
Likes   Reactions: songoku
Delta2 said:
Tbh, I feel something just isn't quite right in what I am saying but not sure what it is. I think I am not sure if the voltage meter reads 12V or what I say in post #5.

If it does not refer to what the right hand voltmeter shows then it is not clear to me how output voltage is to be defined.
 
  • Like
Likes   Reactions: songoku
  • #10
haruspex said:
From the perspective of the voltmeter, yes.
So it means that the p.d. across coil is also 12 V

If I calculate the current through the secondary coil, it would be = 12 / 2950 = 4 x 10-3 A

Why the current in secondary coil is not the same as current in R?

Thanks
 
  • #11
haruspex said:
If it does not refer to what the right hand voltmeter shows then it is not clear to me how output voltage is to be defined.
What I have in mind is that the secondary of the transformer is like an EMF source with ##E=12V## and internal resistance ##2950\Omega##
 
  • Like
Likes   Reactions: songoku
  • #12
Delta2 said:
What I have in mind is that the secondary of the transformer is like an EMF source with ##E=12V## and internal resistance ##2950\Omega##
So it would be the open circuit voltage. Seems fair.
But that just makes the text ambiguous, and the given solution takes the other view.
 
  • Like
Likes   Reactions: songoku and Delta2
  • #13
Does it mean that there can be several interpretations for this question?

Also when calculating the power loss in primary coil, using P = I2 . R and ##P=\frac{V^2}{R}## gives different result (just like the current I calculated in post 10)

Thanks
 
  • #14
songoku said:
Also when calculating the power loss in primary coil, using P = I2 . R and P=V2R gives different result (just like the current I calculated in post 10)
How do you calculate the current through the primary?
 
  • Like
Likes   Reactions: songoku
  • #15
Delta2 said:
How do you calculate the current through the primary?
$$\eta = \frac{V_{s} I_{s}}{V_{p} I_{p}}$$
$$0.42=\frac{12 \times 8.9 \times 10^{-4}}{6 I_{p}}$$
$$I_p=4.2 \times 10^{-3} \text{A}$$

Power loss in primary coil = ##(4.2 \times 10^{-3})^{2} \times 470 = 8.3 \times 10^{-3}~\text{W}##

Using ##P=\frac{V^2}{R}## , power loss = ##\frac{6^2}{470}=0.08 ~ \text{W}##

I am quite confused with this question. Nothing I calculate match each other, either the power loss or current through secondary coil and external load

Thanks
 
  • #16
I think your first method is correct, the second method doesn't take into account that the primary current depends on the current of the secondary , due to the mutual inductive coupling of the two coils.

So our only problem now is what exactly is the value of current on the secondary...
 
  • Like
Likes   Reactions: songoku
  • #17
Delta2 said:
the second method doesn't take into account that the primary current depends on the current of the secondary , due to the mutual inductive coupling of the two coils.
But is it correct for me to say that the p.d. across the primary coil is 6 V? Because this is the value I used to calculate current in primary coil.

If yes, then why ##P=\frac{V^2}{R}## does not work? I calculate the power in primary coil using the voltage on primary coil and resistance of primary coil.

Thanks
 
  • #18
songoku said:
If yes, then why P=V2R does not work? I calculate the power in primary coil using the voltage on primary coil and resistance of primary coil.
You just can't use plain Ohm's law to calculate the current through the primary. Two reasons
  1. Because that way you don't use the given efficiency 0.42 (ok this sounds funny I know)
  2. From what I know the full ODE for the current through the primary is $$V(t)-I_pR_p-L_p\frac{dI_p}{dt}-M\frac{dI_s}{dt}=0$$ (M mutual inductance, ##L_p## self inductance of primary, V(t) source voltage) and it seems to me that Ohm's law is an oversimplification of that equation (it completely neglects the effect of Mutual and self inductance)
 
  • Like
Likes   Reactions: songoku
  • #19
Hi, I’m chipping-in if I may...

a) The output voltage (between the secondary's terminals) is 12V - because we are told it is twice 6V.

The current through R is therefore ##I = \frac V R = \frac {12}{13.5\times10^3} = 8.9 \times10^{-4} A##
__________
Side-note

The secondary coil and the load have the same current, so the voltage-drop (‘lost volts’)across the secondary coil’s internal resistance (r) is ##Ir = 8.9 \times 10^{-4} \times 2950 = 2.6V.##

That means the secondary’s emf ##= 12+2.6 = 14.6##V.
__________

b) There is no need to find the primary current (or even use the primary’s resistance).

The power delivered to R is ##\frac {V^2}{R} = \frac {12^2}{13.5\times10^3} = 0.0107W##

The tranformer’s efficiency is 0.42. That means the input power to the transformer is ##\frac {0.0107}{0.42} = 0.0254##W

From conservation of energy, the power loss in the primary coil is then:
(input power) – (power dissipated in R) – (power dissipated in secondary coil)
 
  • Like
Likes   Reactions: songoku
  • #20
Steve4Physics said:
Side-note

The secondary coil and the load have the same current, so the voltage-drop (‘lost volts’)across the secondary coil’s internal resistance (r) is ##Ir = 8.9 \times 10^{-4} \times 2950 = 2.6V.##

That means the secondary’s emf ##= 12+2.6 = 14.6##V.
__________

b) There is no need to find the primary current (or even use the primary’s resistance).

The power delivered to R is ##\frac {V^2}{R} = \frac {12^2}{13.5\times10^3} = 0.0107W##

The tranformer’s efficiency is 0.42. That means the input power to the transformer is ##\frac {0.0107}{0.42} = 0.0254##W

From conservation of energy, the power loss in the primary coil is then:
(input power) – (power dissipated in R) – (power dissipated in secondary coil)
So my first method in post #15 is wrong since I use 12 as Vs , where I should use 14.6 V?

I tried to redo it:
$$\eta =\frac{V_s I_s}{V_p I_p}$$
$$0.42 =\frac{14.6 \times 8.9 \times 10^{-4}}{6 \times I_p}$$
$$I_p=5.2 \times 10^{-3}~\text{A}$$

Power loss in primary coil = ##(5.2 \times 10^{-3})^2 \times 470=0.0127 ~W##

This result can be said the same as the one obtained from your method:
power loss in primary coil = input power - power dissipated in R - power dissipated in secondary coil
= 0.0254 - 0.0107 - (2.62 / 2950)
= 0.0124 W

But the given solution is 8.3 x 10-3 W

Maybe I will just assume the solution is wrong
 
Last edited:
  • #21
songoku said:
This result can be said the same as the one obtained from your method:
power loss in primary coil = input power - power dissipated in R - power dissipated in secondary coil
= 0.0254 - 0.0107 - (2.62 / 2950)
= 0.0124 W

But the given solution is 8.3 x 10-3 W

Maybe I will just assume the solution is wrong

The official answer to part a) (8.9x10⁻⁴A) is calculated by taking the secondary’s terminal voltage as 12V. (This means the emf = 14.6V.)

But the official answer to part b) (8.3x10⁻³W) has been calculated assuming the emf is 12V (which would make the secondary’s terminal voltage less than 12V).

That's what's gone wrong.

So I would say the official answer to part b) is wrong. The incorrect answer (8.3x10⁻³W) can be calculated, by (incorrectly) taking the emf as 12V, as follows:

Current in secondary ## I = \frac {V}{R+r} = \frac {12}{2950+13500} = 0.0007295A##

Power loss in secondary coil ##= I^2r = 0.0007295^2 \times 2950 = 0.00157W##
Power delivered to R ##= I^2R = 0.0007295^2 \times 13500 = 0.007184W##
Input power to primary ##= \frac {0.007184}{0.42} = 0.0171W##

Power loss in primary coil ##= 0.0171 – 0.00157 – 0.007184 = 0.0083W##

(And note, there is no need to use the primary’s resistance unless you are also required to find the primary current. Conservation of energy makes the calculation much simpler!)

Edit: Of course it could be the other way round: the official answer to part a) is wrong and the answer for part b) is correct.
 
Last edited:
  • Like
Likes   Reactions: songoku
  • #22
Thank you very much for all the help Delta2, haruspex, Steve4Physics
 
  • Like
Likes   Reactions: Steve4Physics and Delta2

Similar threads

  • · Replies 2 ·
Replies
2
Views
2K
  • · Replies 3 ·
Replies
3
Views
1K
  • · Replies 31 ·
2
Replies
31
Views
5K
Replies
3
Views
3K
  • · Replies 2 ·
Replies
2
Views
1K
Replies
1
Views
2K
  • · Replies 2 ·
Replies
2
Views
793
  • · Replies 1 ·
Replies
1
Views
867
  • · Replies 4 ·
Replies
4
Views
2K
  • · Replies 10 ·
Replies
10
Views
2K