Differential amplifier confusion (BJTs + Operational Amp)

Click For Summary

Discussion Overview

The discussion revolves around a differential amplifier circuit involving BJTs and an operational amplifier, focusing on the validity of the circuit design and the application of the "virtual short" concept. Participants explore the implications of the circuit's configuration, potential errors in the schematic, and the role of the op-amp within the circuit.

Discussion Character

  • Debate/contested
  • Technical explanation
  • Exploratory

Main Points Raised

  • Some participants question how the base of the right transistor can be pulled to 2V, suggesting that the "virtual short" concept may not apply in this scenario.
  • Others assert that the right transistor should be cut off based on the circuit as shown, indicating a lack of feedback to bias the transistor.
  • A few participants express skepticism about the circuit's utility, suggesting it may be poorly designed or incorrectly presented in the source material.
  • Some participants propose that if the transistors are matched and the DC bias is set correctly, both transistors could have the same base voltage.
  • There are discussions about the purpose of the op-amp, with some suggesting it may simply complicate the problem rather than serve a functional role.
  • Concerns are raised regarding the output configuration of the circuit, particularly the use of the transistor base as an output node, which some participants find unconventional.
  • One participant mentions that the circuit could be more useful if certain parameters, such as the voltage source, were adjusted.
  • Several participants express a need to see the original circuit diagram to clarify the intended design and function.

Areas of Agreement / Disagreement

Participants generally disagree on the validity and functionality of the circuit design. Multiple competing views exist regarding the application of the "virtual short" concept, the role of the op-amp, and the overall utility of the circuit.

Contextual Notes

Limitations include potential errors in the schematic, unclear definitions of circuit components, and unresolved assumptions about the circuit's intended operation. The discussion reflects uncertainty about the original design and its practical implications.

Who May Find This Useful

Readers interested in analog electronics, circuit design, and differential amplifiers may find this discussion relevant, particularly those exploring the complexities of BJT circuits and operational amplifier applications.

  • #31
LvW said:
Well - it was YOU who has proposed this circuit. Therefore, I think that - at first - you could say something about the usability of the circuit (a gain-of-two differential gain stage).
My circuit would not be used in reality, but the separate concepts grouped together there are individually rational and educational. It is simply a functional example, of what could be built from the disjointed collection of components available in the OP schematic.

Further extrapolation and analysis has little foundation and would be off-topic, unless the ancestral circuit was first presented and shown to be very similar.
 
  • Like
Likes   Reactions: DaveE
Physics news on Phys.org
  • #32
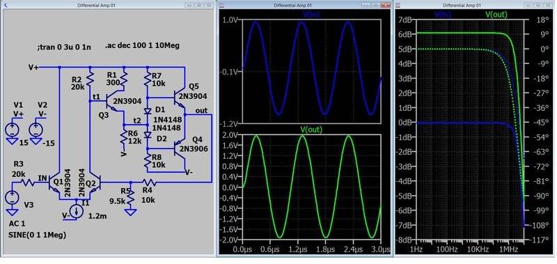
I'm interested in revisiting the incomprehensible circuit mentioned at the beginning of this thread. As I mentioned before, if you apply a proper bias voltage, you can make the base voltages of the two transistors very close, as shown below.

This differential amplifier has high input impedance over a wide frequency range because the impedance of the current source is infinite.

On the other hand, it can be seen that its output (Q2 Base) remains very close to the input over a wide voltage range up to 100 MHz, although the DC level is slightly shifted and the amplitude is reduced. But unfortunately in the end this electronic circuit is still meaningless and cannot be called a follower because its transistor base output impedance is surprisingly high. :frown:

Circuit-02.jpg
 
  • #33
@alan123hk
What is the purpose of R1 and R2 ?
The circuit would respond even faster if you removed them with their miller capacitance.
 
  • Like
Likes   Reactions: DaveE
  • #34
Baluncore said:
What is the purpose of R1 and R2 ?
The circuit would respond even faster if you removed them with their miller capacitance.
Sorry I didn't think about this, the original circuit had these two resistors, so I didn't specifically think about what they were doing in my new circuit, so they stayed.

My main point is that if you want the base voltage of both transistors to be the same, it's not too hard.
This is one of the issues mentioned in the first post.
 
Last edited:
  • #35
When I remove two resistors, and reduce the bias current from 60 mA to 5 mA, I get;

Silly_Schem_2.png


silly_plot_2.png
 
  • #36
DaveE said:
Not sure what those words mean. But it doesn't matter since we both have the schematic to look at.
.....
Anyway, what features do you want to compare? Cost, gain-bandwidth, input impedance, quiescent current, noise figure, reliability, stability, ... There are lots of specs for amplifiers.

DaveE said:
Look at Link Removed. Everyone of those transistors has a purpose.
Sorry - it seems That I have not expressed myself in a clear manner.

The situation is as follows:
Wenn I want to realize a differential amplifier there are, of course, several options. Such a situation is quite normal in analog electronics (e.g. active filters, oscillators,...).
* In the case under discussion we have a novel circuit (Baluncore`s circuit, post#22) which provides a single-ended output with a very low output resistance (opamp output).
This one of the advantages if compared with the well-known two-transistor circuit without this opamp (long-tailed pair, first stage of Baluncore`s circuit).
* However, there is a well-known opamp circuit (with 4 external resistors) that also can provide such a low-resistive single-ended output.
* And my question was if it makes sense to compare these two circuits which each other, as far as some important parameters are concerned - for example: Input resistances, linearity, dynamic stability, gain restrictions, CMRR, accuracy requirements (symmetry), ...(just to collect some thoughts of forum members who are interested).
* I have mentioned already one restriction: Due to active feedback (feedback factor can be above unity) the differential gain of Baluncore`s circuit (post#22) must not be too low (a gain of two leads to instability).
 
  • #37
Dammit, I posted a long answer, but PF seems to have deleted it. The short answer is that all of Is flows through the left transistor because you are trying to keep its base at 2V when it tries to stay at 0.7 V above common (what you mean by ground in your circuit). A transistor is a current-in, current-out device, so the high input current determined by the 2V source will (I guess. It depends on a lot of details.) take up all the current allowed by the Is constant current drain. The rt. transistor will be completely off. Since these are (I assume) ideal NPN devices, there will be no current in or out of the rt. transistor's base and therefore no voltage across its base resistor. Vo is zero volts.
 
  • #38
Mark Harder said:
The short answer is that all of Is flows through the left transistor because you are trying to keep its base at 2V when it tries to stay at 0.7 V above common (what you mean by ground in your circuit).
In the OP circuit, the base of Q1 is held at +2.0 volt. The emitter voltage will be about 0.7 volt below that, which is 1.3 volts.

But the OP circuit shows Is is a conventional current source, not a sink. If we invert that source to make a sink, it will set the bias current through the emitters to Is.
How much of Is comes from the +2 volt source will depend on the possible saturation of Q1. That will be determined by the quite unnecessary 1k collector resistor, the supply voltage and Is.

You are correct that the LHS transistor Q1 will be on. The base emitter junction of Q2 will be reverse biased, so it will be off. The voltage on Q2 base will be zero, only because of resistor R. You are correct that the op-amp output voltage will therefore be twice zero.
 
  • #39
LvW said:
I have mentioned already one restriction: Due to active feedback (feedback factor can be above unity) the differential gain of Baluncore`s circuit (post#22) must not be too low (a gain of two leads to instability).

This circuit is basically a very good design. But just like a general negative feedback circuit, it does enter an unstable state in some special cases. But this does not necessarily mean that there is a problem with the basic structure of the circuit itself, usually the problem can be solved by simply modifying the parameters

For example, as shown in the figure below
Just change the GBW of the op amp from 10Meg to 1Meg or reduce the negative feedback factor (R5 from 1K to 300) to eliminate self-oscillation and resume normal operation without reducing the voltage gain.

Circuit-03.jpg
 
  • #40
With a slight modification again, we can make this circuit have the following nice properties (At least it looks like this in the simulation).

The input impedance is close to infinity, and the output impedance of the op amp is very low
Operating frequency from DC to 10MHz. In this frequency range, the input and output are almost completely in phase. Absolutely stable, no self-oscillation occurs.
The voltage gain is set to 3db, which can be lower than 2. In fact, the voltage gain can be set arbitrarily, etc. :smile:

Circuit-04.jpg
 
  • #41
What is U1 op-amp, generic ?

Beware SPICE AC analysis. Instability is always possible, as AC gain plot does not show phase to infinity, you must check the time domain.

Why do you not show to beyond 1 GHz? You have a high pass filter in the loop. The rising graph looks to me like it might oscillate in the UHF band, before the gain falls off.
 
Last edited:
  • #42
Baluncore said:
What is U1 op-amp, generic ?
I just took this op amp from the parts library inside the LTSpice.
Name: UniversalOpamp
Description : A linear, single pole op amp with no internal nodes or input voltage range limits.

Baluncore said:
Beware SPICE AC analysis. Instability is always possible, as AC gain plot does not show phase to infinity, you must check the time domain.
I checked the time domain and found no parasitic oscillations. But I'll still try to dig deeper into this.

Baluncore said:
Why do you not show to beyond 1 GHz? You have a high pass filter in the loop. The rising graph looks to me like it might oscillate in the UHF band, before the gain falls off.
Agree, this is a matter of concern.
The following is the simulation results from 1Hz to 1GHz.

Circuit-05.jpg
 
  • Wow
Likes   Reactions: DaveE
  • #43
I get a similar result.

Silly_3.png
 
  • #44
@alan123hk
It seems that the 39 dB gain at 50 MHz is an artefact of the universal op-amp model. The circuit will be better behaved if you substitute something real, like an OP27 or OP37. The OP07 is too slow and accurate.
 
  • #45
Baluncore said:
It seems that the 39 dB gain at 50 MHz is an artefact of the universal op-amp model. The circuit will be better behaved if you substitute something real, like an OP27 or OP37. The OP07 is too slow and accurate.
I found that while using the OP07 or OP27 reduces the overshoot of the frequency response curve, there is some parasitic oscillations in the output.
I believe these unwanted oscillations can also be removed with some modifications, but it seems the problem is more difficult than last time and may take longer to find a solution.
 
  • #46
alan123hk said:
I found that while using the OP07 or OP27 reduces the overshoot of the frequency response curve, there is some parasitic oscillations in the output.
I believe these unwanted oscillations can also be removed with some modifications, but it seems the problem is more difficult than last time and may take longer to find a solution.
Alan123hk, I agree to all of your conclusions (post#39, 40 42, and 45). The circuit works when we carefully take the stabiliity criterion into consideration. There is no fundamental problem.
However, we must remember what happens when we have ACTIVE feedback (feedback factor>1).
In this case, the "critical point" with unity loop gain is located at a frequency which is LARGER than the opamps transit frequency.
Therefore, it is of great importance how the opamps open-loop gain response looks like for such high frequencies (above the transit frequency). That is the reason the various opamp models behave so differently. This applies in particular for simple opamp models with only one single pole - these models cannot reveal the real behaviour of Baluncore`s circut.
There are two basic methods to overcome the mentioned stability problems:
(1) Application of one of the known methods for external frequency compensation
(2) Restriction to larger closed-loop gains (certainly larger than "2") which means: (a) Reduction of the opamps resistive feedback factor or (b) gain reduction of the transistor amplifier.

The degree of the necessary actions (case a or b) depends on the opamp used (and, in particular, on its phase shift function for frequencies above the transit frequency).
 
Last edited:
  • Like
Likes   Reactions: alan123hk and DaveE
  • #47
Baluncore said:
Beware SPICE AC analysis. Instability is always possible, as AC gain plot does not show phase to infinity, you must check the time domain.
Partly true - I think.
(1) An AC analysis can reveal instability problems when we do a LOOP Gain analysis (instead of a closed-loop gain analysis). In this case, we can apply the well-known stability criteria (Bode, Nyquist).
(2) Even a time-domain analysis cannot always reveal instability problems "per se".
To see if the system ist stable or not it is best to switch-on (at least one of) the power supplies at t=0.
Otherwise, the program can eventually find a fixed and stable bias point and "sees" no instability - this is, in particular, true if we use a simplified opamp model. However, a "real" model with internal delay-elements (time constants) will show (in most cases) such instability properties.
 
  • #48
LvW said:
Therefore, it is of great importance how the opamps open-loop gain response looks like for such high frequencies (above the transit frequency). That is the reason the various opamp models behave so differently. This applies in particular for simple opamp models with only one single pole - these models cannot reveal the real behaviour of Baluncore`s circut.
Yes, this! If you are working with high frequencies (relative to your amp, of course) you need to know about that 2nd pole. It's virtually always around where the dominant pole compensation crosses 0dB. Here's one of the most important parts of the datasheets:

1668361347459.png
 
  • #49
LvW said:
The circuit works when we carefully take the stabiliity criterion into consideration. There is no fundamental problem.
However, we must remember what happens when we have ACTIVE feedback (feedback factor>1).
In this case, the "critical point" with unity loop gain is located at a frequency which is LARGER than the opamps transit frequency.
Therefore, it is of great importance how the opamps open-loop gain response looks like for such high frequencies (above the transit frequency). That is the reason the various opamp models behave so differently. This applies in particular for simple opamp models with only one single pole - these models cannot reveal the real behaviour of Baluncore`s circut.
There are two basic methods to overcome the mentioned stability problems:
(1) Application of one of the known methods for external frequency compensation
(2) Restriction to larger closed-loop gains (certainly larger than "2") which means: (a) Reduction of the opamps resistive feedback factor or (b) gain reduction of the transistor amplifier.
The degree of the necessary actions (case a or b) depends on the opamp used (and, in particular, on its phase shift function for frequencies above the transit frequency).
I have a lot of respect for your comments on the circuit and totally agree with you. Your description of the operation of the circuit and what analysis methods the circuit should use is simple and clear, nothing deliberately hidden. This method is especially useful for beginners to learn.
 
Last edited:
  • #50
I've tried making an op amp with a few resistors, diodes and transistors, of course such a simple op amp would have poor specs, but would be fun for hobbyists.

Preliminary Specifications :
Frequency Range DC - 1MHz
Maintain an input impedance of not less than 20K ohms in the frequency range of DC-1MHz
Output Voltage Swing at least 2V
Other specifications are still unknown...

Circuit-06.jpg
 
  • #51
To complete my analysis of the circuit under discussion here are my simulation results:

* Baluncore`s circuit (post#22) with all values as given in the figure.
* Opamp modell (PSpice) LT1022/LT
* Transistors BC549
* Loop gain analysis indicates instability up to a closed-loop gain of at least Acl=50 (34dB).
That means: Stable for closed-loop gains above 34 dB only.
(Note: To verify instability in the time domain we must check "skip initial transient solution" or switch on (at least one of the) power supplies at t=0).
* The circuit was stabilized lowering the gain of the long-tailed pair using negative feedback with two additional resistors (100 ohms) between the emitter nodes and the current source (still 10mA).
* Now the circuit works stable down to a closed-loop gain of app. Acl=4 (12 dB, stability limit, opamp feedback resistors 1k, 0.250 k). That means: Stable for closed-loop gains > 12dB.
* Similar results for OP-27/LT
 
Last edited:
  • Like
Likes   Reactions: DaveE and alan123hk
  • #52
@LvW
Your approach of adding two resistors to the emitter is perfectly fine.
I think of another method as shown in the figure below, adding a capacitor between the collector and base of Q2. Although the bandwidth and stability of my method are slightly worse than yours, it still seems to be able to keep the circuit in a stable working state.

Circuit-07.jpg


It would be interesting to try to compare the stability of the two approaches.

Circuit-08.jpg
 
Last edited:
  • #53
Ala123hk - I am sorry but I cannot confirm your findings.
Perhaps you have used another OP-27 model?
I have used OP-27/LT (but similar results for OP-27/AD ) with two 1k feedback resistors.
How did you simulate the loop gain?
I have used an ac source between the opamp output and the first resistor (in your diagram R4).
My results:
* With two 100 ohms in the emitter legs: PM=-10 deg and GM=-3dB
* With C1=200pF (without the 100 ohm resistors): GM=-40dB (PM not applicable because the phase crosses the 0 deg-line twice).

Most remarkable: In my simulation, the loop gain settles app. at -60dB above 100 MHz (in your simulation it goes down to max. -20dB and rises again).

EDIT: OK - using a simple model called OP-27 my results are very close to yours.
This is another proof that modelling of the 2nd and 3rd pole is very important in the case under discussion.
 
  • #54
If you do not add sufficient noise, numerical stability can be a problem with any SPICE. You must kick the SPICE model of a bicycle, clean out of the tram tracks, before it will actually become real and show it's true colours.

Do not trust SPICE, always build a prototype. Simple models often produce results that are too good to be true. The reverse can also happen.

If I drop a universal op-amp onto the LTspice sheet, but make no connections to it, the global internal connections appear to allow the model to be included without flagging any connection error. But then the analysis of a previously working circuit, that uses another op-amp, may be corrupted by the presence of the disconnected universal op-amp. Ground any terminal of the universal op-amp, and the problem goes away.
 
  • Like
Likes   Reactions: DaveE
  • #55
LvW said:
using a simple model called OP-27 my results are very close to yours.
This is another proof that modelling of the 2nd and 3rd pole is very important in the case under discussion.
I just pulled this OP27 from the parts library provided by LTSpice. I don't know how complex its internal structure is, like how many poles it has etc. If you mean it's a simple OP27 model, where can I find better or more sophisticated OP27 models?

Circuit-10.jpg
 
  • #56
Baluncore said:
Do not trust SPICE, always build a prototype. Simple models often produce results that are too good to be true. The reverse can also happen.
Of course, I agree. I am aware that there is a difference between model and hardware. Nevertheless, simulation programs are a very efficient tool at the beginning (the first step !) of a design phase.
Baluncore said:
If I drop a universal op-amp onto the LTspice sheet, but make no connections to it, the global internal connections appear to allow the model to be included without flagging any connection error.
As mentioned already in an earlier post - one must be very careful when interpreting simulation results.
Simple example: Universal opamp model with inadvertently added positive resistive feedback. All simulations (ac, dc, TRAN) will not reveal instability.
Error of the simulation program? No ! The program is not responsible - it has worked properly.
The user is the source of errror. He did not know that such a system can be stable (theoretically!) because there is absolutely no external disturbance.
Mechanical analogy: Two balls lie vertically on top of each other - without any mechanical interference from the outside.
 
  • #57
LTSpice has several functions that can generate noise.
Link Removed
 
  • #58
Sorry, I found the stability analysis Bode plot I uploaded a little bit inaccurate. Below are the corrected results that I think should be accurate enough.
It can be seen that the results obtained by the two methods of improving stability are almost the same.

Circuit-11.jpg


Both have a flat bandwidth of about 5 MHz and good stability.
 
  • #59
alan123hk said:
Sorry, I found the stability analysis Bode plot I uploaded a little bit inaccurate. Below are the corrected results that I think should be accurate enough.
It can be seen that the results obtained by the two methods of improving stability are almost the same.
...
Both have a flat bandwidth of about 5 MHz and good stability.
Hi Alan,

in order to interprete your results it is important to know which circuit you have simulated - the circuit in post#52?
Which opamp model?
Which kind of correction?
How did you simulate the loop gain?
 
  • #60
LvW said:
in order to interprete your results it is important to know which circuit you have simulated - the circuit in post#52?
Which opamp model? Which kind of correction? How did you simulate the loop gain?
Of course, I just use the OP27 model provided by the parts library of the LTSPice, because it is very convenient.
For my suggestion to improve stability, the correction I said is to first change the single capacitor into a resistor and a capacitor in series, place it between the collector and base of the transistor Q2, and then move the injection voltage from the previous position to the output of op amp U1.
The image below says it all.

Circuit-12.jpg
By the way, unfortunately for amateur electronics enthusiasts like me, due to limited resources, we can only do a simple loop gain simulation analysis of the linearization circuit using free software.
But for the laboratories of large companies and universities with deep pockets, in addition to computer simulations, they also have very advanced instruments to perform this analysis on real circuits.

 

Similar threads

  • · Replies 1 ·
Replies
1
Views
3K
  • · Replies 4 ·
Replies
4
Views
6K
  • · Replies 13 ·
Replies
13
Views
3K
Replies
15
Views
3K
  • · Replies 6 ·
Replies
6
Views
3K
  • · Replies 13 ·
Replies
13
Views
3K
  • · Replies 4 ·
Replies
4
Views
3K
  • · Replies 4 ·
Replies
4
Views
3K
  • · Replies 4 ·
Replies
4
Views
4K
  • · Replies 8 ·
Replies
8
Views
2K