Do Oscillations Occur in Inductors When Modifying AM Transmitter Circuits?

Click For Summary

Discussion Overview

The discussion revolves around the occurrence of oscillations in inductors when modifying AM transmitter circuits, particularly in relation to capacitor and inductor interactions. Participants explore theoretical and practical implications of circuit configurations involving inductors and capacitors, focusing on oscillation conditions, resonant frequencies, and amplitude modulation potential.

Discussion Character

  • Exploratory
  • Technical explanation
  • Debate/contested
  • Mathematical reasoning

Main Points Raised

  • Some participants assert that discharging a capacitor through an inductor creates oscillations, questioning whether oscillations occur in different circuit configurations.
  • There is a discussion about whether pulsed DC signals can induce oscillations in inductors and how the frequency of these pulses might affect the resonant frequency of the LC circuit.
  • Some participants propose that the resonance frequency is a property of the LC components, while the actual frequency of voltage and current may differ.
  • Questions arise regarding the conditions under which amplitude modulation can occur, particularly in relation to the matching of frequencies between DC pulses and the LC circuit.
  • There is a debate about whether an inductor can sustain oscillations on its own or if it requires a capacitor, with some suggesting that oscillations could be sustained under certain conditions.
  • Participants discuss the implications of asymmetric capacitance and whether two separate plates can act as independent capacitors, leading to confusion about their interactions.
  • Some participants express uncertainty about the behavior of capacitors and inductors in complex circuits, particularly regarding induced currents and the effects of collapsing magnetic fields.
  • There are suggestions that introducing resistance into the circuit is necessary for realistic analysis and to prevent indefinite oscillation.

Areas of Agreement / Disagreement

Participants do not reach a consensus on several key points, including the conditions for oscillation, the role of frequency matching, and the behavior of capacitors and inductors in various configurations. Multiple competing views remain throughout the discussion.

Contextual Notes

Limitations include assumptions about circuit configurations, the effects of resistance, and the nature of oscillations in the absence of certain components. The discussion also reflects varying levels of understanding regarding the theoretical and practical aspects of the circuits involved.

Who May Find This Useful

Individuals interested in circuit design, particularly in the context of AM transmission, as well as those exploring the theoretical aspects of inductors and capacitors in oscillatory systems.

  • #31
Samson4 said:
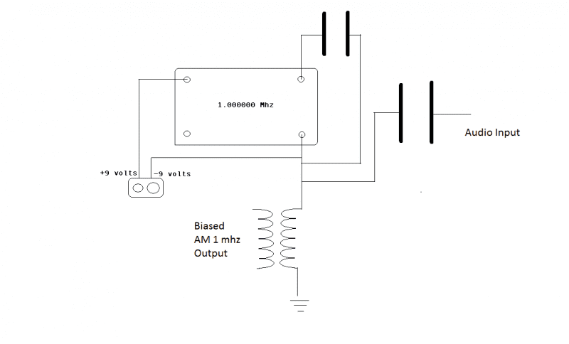
I altered a simple Crystal AM transmitter circuit to meet my needs. I am basically trying to get am modulation without the use of a diode. Does this meet the criteria? Also, the output from audio sources such as iPods are dc biased correct? If I am wrong in thinking this then this whole circuit is doomed from the get go.
View attachment 75171

Samson4 said:
I altered a simple Crystal AM transmitter circuit to meet my needs. I am basically trying to get am modulation without the use of a diode. Does this meet the criteria? Also, the output from audio sources such as iPods are dc biased correct? If I am wrong in thinking this then this whole circuit is doomed from the get go.
View attachment 75171
I'm afraid that circuit will not work. The ground of the audio input signal is not shown but we assume it is the same ground as the rest of the circuit.
AM stands for Amplitude Modulation. Modulation is a non-linear process and needs a nonlinear element in any circuit. You are connecting the audio input to the battery input - which is low impedance - so the supply volts to the 1MHz unit won't alter and neither will the level of the carrier signal produced. If your 1MHz source produces a carrier with a level proportional to the supply volts (it may or may not) then you need to be altering the supply volts with the audio signal. For low power, you can change the DC supply to the 1MHz oscillator, using a transistor that's driven by the audio and produces a supply voltage that varies in about a mean DC value.
You really should Google Amplitude Modulation Circuits and see the variety of ways in which it is achieved.

PS The best your circuit can do is to Add the two signals together - which is not Modulation
PPS To protect their circuits, most pieces of audio equipment have AC coupled outputs.
 
Last edited:

Similar threads

Replies
152
Views
8K
  • · Replies 4 ·
Replies
4
Views
2K
  • · Replies 27 ·
Replies
27
Views
17K
  • · Replies 1 ·
Replies
1
Views
2K
  • · Replies 16 ·
Replies
16
Views
4K
  • · Replies 6 ·
Replies
6
Views
2K
  • · Replies 17 ·
Replies
17
Views
2K
  • · Replies 8 ·
Replies
8
Views
3K
  • · Replies 8 ·
Replies
8
Views
3K
  • · Replies 21 ·
Replies
21
Views
4K