Equivalent resistance between two nodes homework

Click For Summary

Discussion Overview

The discussion revolves around determining the equivalent resistance (Req) between two nodes (a and b) in a circuit as seen by a voltage source. Participants explore various methods for calculating Req, including series and parallel combinations of resistors, and discuss the implications of including all resistors in the circuit.

Discussion Character

  • Homework-related
  • Technical explanation
  • Debate/contested

Main Points Raised

  • Some participants suggest that Req could simply be the resistance of R2 (12 ohms), as it connects nodes a and b directly.
  • Others argue that there are additional paths for current between a and b, indicating that all resistors must be considered in the calculation of Req.
  • One participant proposes measuring the current from the voltage source into node a to calculate Req using the formula Req = Vs/Is.
  • Another participant emphasizes the need to systematically combine resistors where series or parallel opportunities arise to simplify the circuit.
  • There is a discussion about calculating equivalent resistance between different nodes (e and f) and whether it would simply be the sum of certain resistors (R2, R3, R4).
  • One participant highlights that the equivalent resistance seen between any two nodes includes the effect of all resistors in the circuit, not just specific ones.
  • A participant expresses their struggle with the problem but acknowledges the importance of considering all resistors when calculating Req.
  • Another participant encourages the original poster to perform the calculations and share the results for further assistance.
  • One participant provides a specific calculation for total resistance with given resistor values, arriving at an approximate value of 6.42 ohms.
  • Another participant confirms the calculation, suggesting that carrying more digits in calculations might yield a more accurate result.

Areas of Agreement / Disagreement

Participants do not reach a consensus on the simplest method for calculating Req, with multiple competing views on the necessity of including all resistors in the circuit and the approach to take for simplification.

Contextual Notes

Some participants mention specific resistor values and calculations, but there are unresolved steps and assumptions regarding the simplification process and the overall circuit configuration.

JasonHathaway
Messages
113
Reaction score
0

Homework Statement



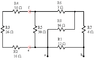
Determine the equivalent resistance Req as seen by the voltage source VS (the resistance between a and b)

http://i.imgur.com/A1ueQnd.jpg


Homework Equations



Series-Parallel combinations

The Attempt at a Solution



http://i.imgur.com/K1ItpF0.jpg

The only resistor that have both a and b on its terminals is R2 (12 ohms)

So, is Req=R2=12 ohms?
 
Physics news on Phys.org
JasonHathaway said:

Homework Statement



Determine the equivalent resistance Req as seen by the voltage source VS (the resistance between a and b)

http://i.imgur.com/A1ueQnd.jpg


Homework Equations



Series-Parallel combinations

The Attempt at a Solution



http://i.imgur.com/K1ItpF0.jpg

The only resistor that have both a and b on its terminals is R2 (12 ohms)

So, is Req=R2=12 ohms?

Nope. There are other paths that current can take starting at a and ending at b. Start simplifying the easy parts first, working from the left side of the circuit.
 
No. The Req is what you get if you resolve all the resistors (including R1) down to one new resistor.

For example if you were to measure the current going from the voltage source into node "a" and called that "Is" then..

Req = Vs/Is

edit: Sorry my post crossed with the one from gneil.
 
Thank you gneil, CWatter for your quick responses

and it's better to hear (or read actually) as many opinions as possible

So basically what I am going to do is to find the equivalent resistance of all the resistors.

So the idea is to follow the current's path from a until it gets to b

but if I was asked to the find the equivalent resistance between f to e, the answer would be R2+R3+R4, isn't?
 
JasonHathaway said:
Thank you gneil, CWatter for your quick responses

and it's better to hear (or read actually) as many opinions as possible

So basically what I am going to do is to find the equivalent resistance of all the resistors.

So the idea is to follow the current's path from a until it gets to b

but if I was asked to the find the equivalent resistance between f to e, the answer would be R2+R3+R4, isn't?

Your best strategy is to systematically combine resistors where series or parallel opportunities arise, reducing the circuit complexity as you go. So yes, you could reduce R2, R3, and R4 to a single resistance value, replacing the three with a single resistor that is their sum.

Your original diagram did not include labels e and f, but I presume you meant something like this:

attachment.php?attachmentid=66384&stc=1&d=1391798952.gif


So imagining that the circuit was severed at those points, the equivalent resistance seen "looking into" those terminals to the left would be Req = R2 + R3 + R4.
 

Attachments

  • Fig1.gif
    Fig1.gif
    2.6 KB · Views: 2,149
gneill said:
Your original diagram did not include labels e and f,

He's referring to e and f in his solution attempt:

http://i.imgur.com/K1ItpF0.jpg

The OP is really struggling with this; he's had help in another forum:

http://forum.allaboutcircuits.com/showthread.php?t=94166

Jason, the equivalent resistance seen between ANY two nodes in this circuit will include the effect of ALL the resistors in the entire circuit.

The Req between a and b is not just the value of R1. The Req between e and f is not just R2+R3+R4; it involves ALL the resistors in the circuit.

Imagine that you replace R2, R3 and R4 with a single resistor (call that single resistor Rx); what would be the value of that resistor? Now Rx is in parallel with R5; you could replace the parallel combination of Rx and R5 with another equivalent resistor (call it Ry).

Ry is now in series with R6 and that series combination could be replaced with an equivalent resistor (call it Rz). Now Rz is in parallel with R8; replace that with another equivalent resistor (call it Ra). Ra is now in series with R7, which can be replaced with an equivalent resistor (call it Rb). Rb is in parallel with R1, and that is your answer.
 
You got me :P

It's true, I'm really really struggling with this, but I guess I'm getting the point.

As long as the current flows through a resistor, it should be considered when calculating Req.

Thank you, everyone :)
 
Before you go away, try the calculation I described and post your result. We really want to help you and if you get the right answer, we'll feel like we were a help. If you don't, we can help you with your stumbling block.
 
OK, where R1=12, R2=15, R3=25, R4=25, R5=30, R6=7, R7=4, R8=15

The total resistance would be equal to 6.42 ohms?
 
  • #10
If I solve with exact rational arithmetic, I get Req = 132924/20773 = 6.39888

I suspect you did everything correctly, but probably didn't carry enough digits in your calculations.

Congratulations!
 
  • #11
wheeew (A long long one)

Thank you for your concerning :)
 

Similar threads

Replies
5
Views
4K
  • · Replies 14 ·
Replies
14
Views
6K
  • · Replies 2 ·
Replies
2
Views
3K
  • · Replies 11 ·
Replies
11
Views
8K
Replies
15
Views
3K
  • · Replies 5 ·
Replies
5
Views
2K
  • · Replies 17 ·
Replies
17
Views
2K
  • · Replies 9 ·
Replies
9
Views
7K
  • · Replies 2 ·
Replies
2
Views
2K
  • · Replies 8 ·
Replies
8
Views
3K