Find Rth in Thevenin Circuits: Use Resistors to Find Voc

  • Context: Engineering 
  • Thread starter Thread starter th3plan
  • Start date Start date
  • Tags Tags
    Circuit Thevenin
Click For Summary
SUMMARY

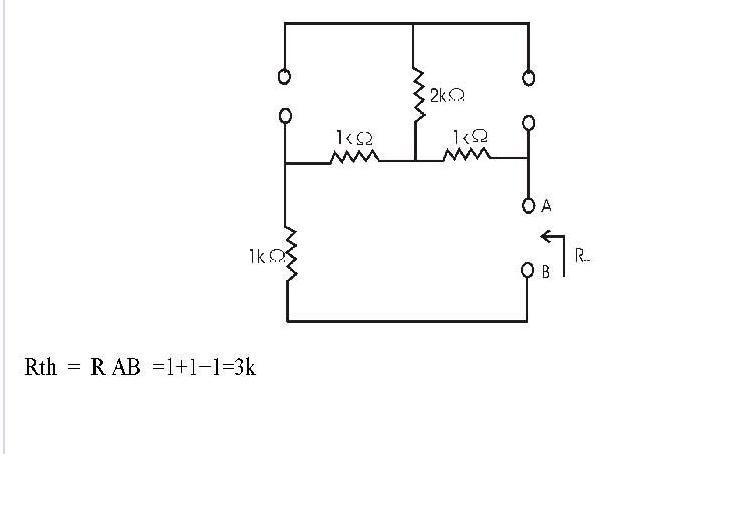
To find the Thevenin resistance (Rth) in a circuit, the selected resistors, specifically the three 1K resistors between node A and node B, are crucial as they determine the resistance once current sources are removed. The 2K resistor does not influence Rth due to its disconnection. To calculate the open-circuit voltage (Voc), one can analyze the network by determining the currents through the 1K resistors, multiplying these currents by 1000, and summing the voltages across each resistor while considering polarity from node A to node B.

PREREQUISITES
  • Thevenin's Theorem
  • Basic circuit analysis techniques
  • Understanding of resistors and their configurations
  • Voltage and current calculations in electrical circuits
NEXT STEPS
  • Study Thevenin's Theorem in detail
  • Learn advanced circuit analysis techniques using mesh and nodal analysis
  • Explore practical applications of open-circuit voltage (Voc) in real-world circuits
  • Investigate the effects of resistor configurations on circuit behavior
USEFUL FOR

Electrical engineering students, circuit designers, and anyone involved in analyzing and designing Thevenin circuits will benefit from this discussion.

th3plan
Messages
93
Reaction score
0
So to find Rth why did they choose these resistors. After choosing those resistors to find Rth , then i must use those resistors and go in a loop to find Voc ?
 

Attachments

  • rth.JPG
    rth.JPG
    11.9 KB · Views: 502
  • circui11.JPG
    circui11.JPG
    13.8 KB · Views: 432
Physics news on Phys.org
What do you mean by "those" resistors? Do you mean the 3 1K resistors that go from node A to node B? They chose them because they are the ones that determine the resistance between node A and B once the current sources have been deleted. Since the 2k resistor has one end not connected to anything, it doesn't have any effect on Rth.

To find Voc, you can use any method of solving the network. If you can determine the currents in each of the 1k resistors, then you can multiply each current by 1000 and add up the voltages across each 1k resistor, taking into account the polarity as you follow the path from node A to node B, to get Voc.
 

Similar threads

  • · Replies 1 ·
Replies
1
Views
2K
  • · Replies 42 ·
2
Replies
42
Views
7K
  • · Replies 10 ·
Replies
10
Views
3K
  • · Replies 7 ·
Replies
7
Views
3K
  • · Replies 4 ·
Replies
4
Views
3K
  • · Replies 12 ·
Replies
12
Views
4K
  • · Replies 5 ·
Replies
5
Views
2K
  • · Replies 4 ·
Replies
4
Views
2K
  • · Replies 14 ·
Replies
14
Views
7K
  • · Replies 15 ·
Replies
15
Views
12K