Finding Voltage in a Transformer circuit

Click For Summary

Discussion Overview

The discussion revolves around finding the output voltage (Vo) in a transformer circuit, focusing on the application of Kirchhoff's Voltage Law (KVL) and the analysis of circuit components. Participants explore various methods to determine Vo, including mesh analysis and nodal analysis, while addressing the potential differences across specific components.

Discussion Character

  • Homework-related
  • Mathematical reasoning
  • Technical explanation
  • Debate/contested

Main Points Raised

  • Participants present mesh equations to analyze the circuit and calculate currents I1 and I2.
  • There is a question about the components contributing to the potential difference across the output terminals, specifically the 2 ohm resistor and the voltage source.
  • One participant calculates the voltage across the 2 ohm resistor using I2, resulting in a complex number.
  • There is a suggestion that the output voltage Vo could be expressed as the sum of the voltage across the resistor and the voltage source.
  • Participants discuss verification methods for the calculated output voltage, including alternative solution methods and circuit simulation.
  • There is a consideration of how changing the polarity of the voltage source affects the calculation of Vo.
  • One participant expresses uncertainty about the reasoning behind a proposed calculation involving I2 and a complex expression.
  • Clarification is sought regarding the completeness of the path used to determine Vo, emphasizing the need to include all relevant components in the analysis.

Areas of Agreement / Disagreement

Participants express differing views on the correct approach to finding Vo, with some proposing different paths and methods while others challenge those methods. The discussion remains unresolved regarding the best way to calculate the output voltage.

Contextual Notes

Some participants note the importance of including all components in the path for KVL analysis, while others highlight the need for clarity in the reasoning behind specific calculations. There is also mention of the complexity introduced by the transformer and mutual inductance, which may affect the analysis.

eehelp150
Messages
235
Reaction score
0

Homework Statement


Find Vo
upload_2016-11-13_1-24-29.png


Homework Equations


KVL, KCL

The Attempt at a Solution


Mesh equations:
-24 + I1(2-j)-I2(1.5j)=0
I2(6+4j)+10<30degrees-I1(1.5j)=0

I1=8.69541+3.59557j
I2=-1.00284+2.00908j

How would I find Vo?
 
Physics news on Phys.org
eehelp150 said:
How would I find Vo?
What's the potential difference across the output terminals comprised of?
 
gneill said:
What's the potential difference across the output terminals comprised of?
The 2 ohm resistor and 10<30V source?
 
eehelp150 said:
The 2 ohm resistor and 10<30V source?
Yes. You know one of those (the voltage source). What's the potential difference across the resistor?
 
gneill said:
Yes. You know one of those (the voltage source). What's the potential difference across the resistor?
I2*2
-2.00568 + j4.01816
 
eehelp150 said:
I2*2
-2.00568 + j4.01816
Okay. So you now know every potential change from the - terminal to the + terminal of Vo.
 
gneill said:
Okay. So you now know every potential change from the - terminal to the + terminal of Vo.
Would it be V(2ohm) + 10<30?
 
eehelp150 said:
Would it be V(2ohm) + 10<30?
Yes, clearly it must be. You have learned about KVL and the summing of potential changes along a path between nodes, yes?
 
gneill said:
Yes, clearly it must be. You have learned about KVL and the summing of potential changes along a path between nodes, yes?
Are there any ways of verifying that the answer is correct?
 
  • #10
eehelp150 said:
Are there any ways of verifying that the answer is correct?
You could try to find a different solution method and confirm that you obtain the same results, although the loop current method that you've used is probably the most straight forward method and others might be more tricky to apply. Or you might use a circuit simulator to simulate the circuit. But there you'd need some experience dealing with transformers in a simulator.

For this problem I'd just go over the math and make sure it all looks good. Maybe do the problem again from scratch and make sure everything matches at the end. The critical part is obtaining the current in the second loop.
 
  • #11
gneill said:
You could try to find a different solution method and confirm that you obtain the same results, although the loop current method that you've used is probably the most straight forward method and others might be more tricky to apply. Or you might use a circuit simulator to simulate the circuit. But there you'd need some experience dealing with transformers in a simulator.

For this problem I'd just go over the math and make sure it all looks good. Maybe do the problem again from scratch and make sure everything matches at the end. The critical part is obtaining the current in the second loop.
So I2*(-j2+4j) would NOT give the voltage of Vo?
 
  • #12
eehelp150 said:
So I2*(-j2+4j) would NOT give the voltage of Vo?
What is your reasoning for thinking it would?
 
  • #13
gneill said:
What is your reasoning for thinking it would?
From the examples I did in nodal analysis.

If the voltage source was backwards (- on top, + on bottom), Vo would be V(2ohm)-10<30, right?
 
  • #14
eehelp150 said:
From the examples I did in nodal analysis.
You'd have to show the details of how you arrived at the particular value. I can't tell what you did by looking at a result only.
If the voltage source was backwards (- on top, + on bottom), Vo would be V(2ohm)-10<30, right?
Yes, in general if you change the polarity of a source it changes its sign in any KVL sum.

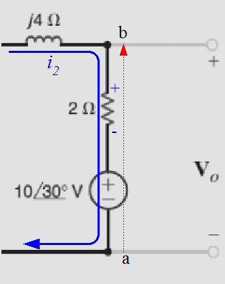
What you're doing in this instance is determining all the potential drops across the components along a path between two points where you wish to know their potential difference. The two points in question are where Vo is shown to be on your circuit. A handy path for that passes through the 10 V source and a 2 Ohm resistor.

So first you find the potential drop across the 2 Ohm resistor (the 10 V source is trivial). To do that you use the current flowing through the resistor. Pencil in the potential change polarity for that resistor on your circuit using your chosen direction for that current:
upload_2016-11-13_19-5-42.png


##i_2## flows through that resistor from top to bottom, hence the +...- indication as shown. Then do your "KVL walk" along the path (indicated by the red arrow from a to b), summing the potential changes as they are encountered.
 
  • #15
gneill said:
You'd have to show the details of how you arrived at the particular value. I can't tell what you did by looking at a result only.

Yes, in general if you change the polarity of a source it changes its sign in any KVL sum.

What you're doing in this instance is determining all the potential drops across the components along a path between two points where you wish to know their potential difference. The two points in question are where Vo is shown to be on your circuit. A handy path for that passes through the 10 V source and a 2 Ohm resistor.

So first you find the potential drop across the 2 Ohm resistor (the 10 V source is trivial). To do that you use the current flowing through the resistor. Pencil in the potential change polarity for that resistor on your circuit using your chosen direction for that current:
View attachment 108873

##i_2## flows through that resistor from top to bottom, hence the +...- indication as shown. Then do your "KVL walk" along the path (indicated by the red arrow from a to b), summing the potential changes as they are encountered.
I assumed Vo was the voltage at node B (your picture) which is: V(2ohm) + 10<30 OR I2*(-2j+4j)
 
  • #16
eehelp150 said:
I assumed Vo was the voltage at node B (your picture) which is: V(2ohm) + 10<30 OR I2*(-2j+4j)
Yes, it's the potential at node b with respect to node a. I don't understand where I2*(-2j+4j) comes from; I don't see a path from a to b where that would be true.
 
  • #17
gneill said:
Yes, it's the potential at node b with respect to node a. I don't understand where I2*(-2j+4j) comes from; I don't see a path from a to b where that would be true.
This is what I thought:
upload_2016-11-14_9-17-53.png
 
  • #18
I see. But that is not a complete path from a to b. A complete path that includes those components would also include the transformer (both the secondary coil and the mutual inductance) and the 4 Ohm resistor. It has to be a complete, unbroken path.
 

Similar threads

  • · Replies 12 ·
Replies
12
Views
2K
  • · Replies 4 ·
Replies
4
Views
2K
  • · Replies 7 ·
Replies
7
Views
2K
  • · Replies 7 ·
Replies
7
Views
2K
  • · Replies 5 ·
Replies
5
Views
2K
Replies
2
Views
3K
  • · Replies 4 ·
Replies
4
Views
3K
  • · Replies 7 ·
Replies
7
Views
3K
  • · Replies 26 ·
Replies
26
Views
3K
  • · Replies 7 ·
Replies
7
Views
2K