Inverting OP AMP with 'hanging' resistor in feedback network

Click For Summary
SUMMARY

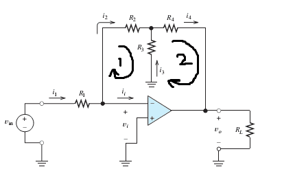
The discussion centers on the application of Kirchhoff's Voltage Law (KVL) in analyzing an inverting operational amplifier (op-amp) circuit with a feedback resistor network. Participants clarify that the voltage drop across resistor R3 is determined by the net current i3, which is the sum of mesh currents I1 and I2. There is consensus that the inclusion of Vin in the KVL equation is likely a typographical error, suggesting it should refer to Vi, the voltage across the op-amp inputs, which is effectively zero for an ideal op-amp. The mechanics of KVL are affirmed to work in this scenario despite initial confusion regarding the closed loop requirement.

PREREQUISITES
  • Understanding of Kirchhoff's Voltage Law (KVL)
  • Familiarity with operational amplifiers and their ideal characteristics
  • Knowledge of mesh analysis in circuit theory
  • Basic concepts of voltage drops across resistors in a circuit
NEXT STEPS
  • Study the principles of Kirchhoff's Current Law (KCL) and its application in circuit analysis
  • Learn about the characteristics and applications of ideal operational amplifiers
  • Explore mesh analysis techniques for complex circuits
  • Investigate common circuit analysis errors and how to avoid them
USEFUL FOR

Electrical engineering students, circuit designers, and anyone involved in analyzing or designing op-amp circuits will benefit from this discussion.

Learnphysics
Messages
92
Reaction score
0

Homework Statement



8JviuRx.png


Find Vo/Vin.I understand perfectly how to do this question. It simply involves an application of ohm's law to find i1, then KVL around the first loop. KCL at the top, and KVL around the second loop. Then to solve simultaneously.

My issue however Is why the mechanics of KVL work in this case. We were taught that KVL required a closed loop, and the voltages needed to sum to zero. The diagram seems not be a closed loopIn the textbook example we say the KVL of those loops are:
Vin + i2(R2) -i3*R3 = 0.
(Vin = 0, due to a virtual short circuit)

I understand i2*R2 is the voltage drop across resistor 2. But for -i3*r3, wouldn't we also need to factor in the current i4 that's circulating around the neighboring loop? (as we'd do in mesh analysis?).

Also why are we adding the voltage of Vin when it isn't in the loop at all? It seems like we're simply adding the voltage of a certain point, as opposed to the voltage drop across a certain element.

I understand Op-amps, virtual short circuits, and such, this problem is really just focused around the circuit analysis of the feedback loop.

Thank you.
 
Last edited by a moderator:
Physics news on Phys.org
Learnphysics said:
I understand i2*R2 is the voltage drop across resistor 2. But for -i3*r3, wouldn't we also need to factor in the current i4 that's circulating around the neighboring loop? (as we'd do in mesh analysis?).
Current i3 is the net current running through R3. If you like, it's the sum of the mesh currents I1 and I2 that pass through R3. Since i3 is the current through R3, the voltage drop is i3*R3 no matter what.
Also why are we adding the voltage of Vin when it isn't in the loop at all? It seems like we're simply adding the voltage of a certain point, as opposed to the voltage drop across a certain element.
Yeah, adding Vin there seems rather dubious. Unless it's a typo and they meant Vi, the voltage across the op-amp inputs which, for an ideal op-amp, will be essentially zero.
 
My issue however Is why the mechanics of KVL work in this case. We were taught that KVL required a closed loop, and the voltages needed to sum to zero. The diagram seems not be a closed loop

We have had a similar question before.

Where do you think the open circuit is? None of the components in the diagram have an unconnected terminal.

I understand i2*R2 is the voltage drop across resistor 2. But for -i3*r3, wouldn't we also need to factor in the current i4 that's circulating around the neighboring loop? (as we'd do in mesh analysis?).

If you wanted to you could write KCL for the top end of R3, eg I2 + I3 - I4 = 0

Also why are we adding the voltage of Vin when it isn't in the loop at all? It seems like we're simply adding the voltage of a certain point, as opposed to the voltage drop across a certain element.

I agree with gneil. I think that's a typo and they mean Vi not Vin.

That makes sense if the loop is..

Earth
V-
V+
R2
R3
Earth
 

Attachments

  • opamp.png
    opamp.png
    3.8 KB · Views: 795
Last edited:
  • Like
Likes   Reactions: 1 person

Similar threads

Replies
15
Views
3K
  • · Replies 21 ·
Replies
21
Views
4K
Replies
34
Views
4K
  • · Replies 4 ·
Replies
4
Views
3K
Replies
1
Views
2K
  • · Replies 2 ·
Replies
2
Views
2K
  • · Replies 44 ·
2
Replies
44
Views
6K
  • · Replies 8 ·
Replies
8
Views
4K
  • · Replies 13 ·
Replies
13
Views
3K
  • · Replies 4 ·
Replies
4
Views
3K