Is anyone familiar with the IR2304 MOSFET driver?

  • Thread starter Thread starter tim9000
  • Start date Start date
  • Tags Tags
    inverter mosfet
Click For Summary

Discussion Overview

The discussion revolves around the IR2304 MOSFET driver IC, specifically its functionality in a three-phase inverter circuit. Participants are exploring issues related to the operation of the driver, including the behavior of various pins, the timing for turning on MOSFETs, and troubleshooting voltage readings.

Discussion Character

  • Technical explanation
  • Debate/contested
  • Experimental/applied

Main Points Raised

  • One participant questions whether the Vs pin goes between VB and COM and seeks clarification on the functionality diagram in the datasheet.
  • Another participant suggests that the low-side MOSFET must be turned on first to charge the capacitor before testing the high-side MOSFET.
  • There is uncertainty about how long the low-side MOSFET needs to be on to charge the Vb capacitor, with estimates ranging from 10 to 100 microseconds.
  • Concerns are raised about whether Vs goes to ground when the high-side output is triggered, with some confusion about the role of Vs as the high-side MOSFET source voltage.
  • Participants express confusion regarding the connections of the LIN and HIN pins, noting labeling issues in the datasheet.
  • One participant reports difficulty in triggering the low-side MOSFET and unexpected voltage readings, suggesting potential damage to the chips or wiring errors.
  • There is a discussion about the necessity of fully controlling the voltages on the Hin and Lin inputs and the implications of not doing so.
  • Participants mention the need to maintain the Vb capacitor charge while the bridge is idle and not driving a load.
  • One participant plans to rebuild the driver and MOSFET setup with new components due to difficulties with surface mount ICs.

Areas of Agreement / Disagreement

Participants express multiple competing views regarding the operation of the IR2304 driver, particularly concerning the timing and control of the MOSFETs. There is no consensus on the exact behavior of the Vs pin or the implications of the voltage readings observed.

Contextual Notes

Participants note potential limitations in their setups, including the possibility of wiring errors, power supply issues, and the challenges of working with surface mount components. There is also mention of the need for sufficient voltage levels from the GPIO pins of a Raspberry Pi to control the MOSFETs effectively.

  • #61
Baluncore said:
Initial current is limited sufficiently by the circuit inductance, foil and diode resistance, and supply rise-time.

Diode resistance I will agree, and certainly you can size the diode so that the current spike is no issue, this is just not a luxury you have if product cost is an concern. You do not want inductance to limit the current unless your favorite thing is EMI. However, if you don't want it to ring like a bell, and you want to put the smallest practical diode in there, then a small resistor (~1Ohm or so) gets you there, and it damps the boot circuit nicely.
Baluncore said:
The proposed mosfets have huge gate capacitance, so will require significant drive charge through the 60mA driver. For the very low PWM rate expected from such weak drivers with such high cap loads, I would increase the capacitance to maintain sufficient gate drive.

Huge is relative, its an adorable little guy from my perspective, on the power modules we build gate charges have exceeded 1200nC.

Then, there is only one "depletion" at turn ON before it gets recharged, so you charge a what 10-15nF cap from a 1uF, once the fet is on there is no more depletion, do the charge exchange math you loose a few volt off the boot cap, no problem. To put into perspective, 470nF happily run ~400nC bridge @ 20kHz, now, 1uF won't hurt it, its just unnecessary money if you are making lots of units.

But I agree that a 60mA driver won't do the job, generally that 60mA is more of an indication of its internal resistance, most likely thing to happen will be v slow switching times and maybe burn up the fets if they spend too much time in linear region. I'd use either the IR2301 or UCC27201, both basically the same thing with more drive current.

Baluncore said:
Those idiot resistors are always across the bridge drivers and bootstrap caps. Those structures should maintain gate off conditions during power up and down. If there is no gate control because the circuit is broken the fuse will blow.

Those idiot resistors quite nicely deal with a few lines in a DFMEA, 0.08c is a small price to pay, IMO, for that alone. They are not there for power up down, they are there when a solder joint breaks, or a gate lead comes off the DBC due to power temp cycle or what ever other fatigue failure the world throws at us (we put them on the module DBC not on control board).

Fuses? lol.

Baluncore said:
The mosfet gates are sufficiently protected by internal zener diodes and by external gate stopper resistors.

I'm sure you can find specialty fets with protection, however any "normal" discrete power fet I've seen does not have any zener diodes in the silicon. If you exceed Vgs by generally +/-20V your device is dead. Then there is loop inductance kick on turn off on your source, but that's probably not an issue with a 20A inverter unless the layout is super poor.

Baluncore said:
Those capacitors are not for the motor, they are part of the inverter output low-pass filter. This inverter is not designed to be an efficient motor controller.

Then they should be easy to remove.

Baluncore said:
This inverter is designed to have both Hi and Lo sides in continuous PWM. The flyback diode is not being used for soft commutation as would be done in an energy efficient motor controller.

Using the fly back diode, at all, does not make an energy efficient inverter, you synch rect or go home. Unless its IGBT which can only conduct in one direction.

Soft commutation is not a motor drive thing, the inverter defines the voltage states, if you let the machine somehow do this you are no longer applying the voltage you thought you were.

Baluncore said:
But tim9000 is generating a variable frequency three phase voltage output, then running the motor as a synchronous motor. That is why low-pass output inductors and capacitors are needed for this 3PH inverter voltage source. Vector current control is NOT being used for torque management as it would be in a motor controller.

Says BLDC several times, even if not closed loop current control (FOC etc) ie just comutating the voltage at the right time, you still don't need a filter on the inverter, the machine is a comparatively large inductance. (obviously as long as the switching frequency is high enough).
 
Engineering news on Phys.org
  • #62
tim9000 said:
As I just said (post #58), I'll remove the capacitors & inductors for the BLDC specific application, since LC filtering isn't necessary.
So throw out the LPF transformer cores, move from voltage output to control of motor current.
That changes the game completely, and makes most of this thread redundant.

essenmein said:
But I agree that a 60mA driver won't do the job, generally that 60mA is more of an indication of its internal resistance, most likely thing to happen will be v slow switching times and maybe burn up the fets if they spend too much time in linear region.
So, avoid the old IR2304, specify a higher current driver. Next consider more efficient, faster switching mosfets with lower gate capacitance.

essenmein said:
Those idiot resistors quite nicely deal with a few lines in a DFMEA, 0.08c is a small price to pay, IMO, for that alone.
Is that $0.08 = 8 cents or 0.08 cents?
Engineering and manufacturing a product line involves a quite different design attitude than does building one experimental circuit. Removing the LPF cores from the circuit was an essential move, but it took three pages of topic.
 
  • #63
Baluncore said:
So throw out the LPF transformer cores, move from voltage output to control of motor current.
That changes the game completely, and makes most of this thread redundant.
I was thinking that the PWM control would still work without the inductors, because I was expecting the inductance of the motor windings to limit the rise of the current, similar to the LPF inductors.
So PWM voltage control won't work at all without the inductors?

Also, could you please address:

tim9000 said:
I was actually thinking about putting something like 0.1uF, 1uF, and 10uF ceramic caps in parallel so it would charge up fast and hold significant charge. Just a thought. What do people think?

tim9000 said:
?? So the 1MOhm resistors aren't just unnecessary, but they are a BAD idea?
 
  • #64
tim9000 said:
Also, could you please address:
...I was actually thinking about putting something like 0.1uF, 1uF, and 10uF ceramic caps in parallel...
Everything that is important is addressed in the manufacturers data sheets and application notes.
You will have your answer when you read those notes.
 
  • Like
Likes   Reactions: Tom.G
  • #65
Baluncore said:
Everything that is important is addressed in the manufacturers data sheets and application notes.
You will have your answer when you read those notes.
Well, regarding "the idiot resistors" since they didn't depict it in the datasheet, I'll steer clear.

I may be mistaken, but I didn't see the bootstrap capacitance specified for the IR2304, but I'll look again.

Okay, so the higher the output short circuit current i.e. 60mA, the quicker the gate capacitance can charge up and turn ON, very interesting!
essenmein said:
IR2301 or UCC27201
P.S. I'm looking at the IR2301, but I don't see it for that either.
For the UCC27201, I see an example circuit of 0.1uF. But would there be any harm in including a larger one in parallel for good measure?

Neither of these seem to have the internal shoot-through protection though. Doesn't this mean I have to be more careful triggering the Hin and Lin timing??

Stupid question, but if IR3201 and IR2304 are the same price, then what application would IR2304 be more suitable for than '01?

Taa.
 
Last edited:
  • #66
Get a copy of the IR Application Handbook from irf.com
http://www.irf.com/technical-info/apphandbook.pdf
It is a descriptive index into their technical library.

Start by looking at things like design tip DT98-2 Bootstrap Component Selection
Study every sentence and every equation. Notice what it says about tantalum and ceramic capacitors.

Read everything relevant that they publish. Then read it again until it makes sense.
Keep doing that till next spring in Australia.
Don't ask questions that demonstrate you have not read the literature.

P.S. The bootstrap capacitor is not part of the chip. You must look in the application notes.
 
  • Like
Likes   Reactions: tim9000
  • #67
Baluncore said:
Is that $0.08 = 8 cents or 0.08 cents?

Its 0.08 dollar cents, it almost costs more in SMT machine time to place the damn things.
 
  • #68
tim9000 said:
Well, regarding "the idiot resistors" since they didn't depict it in the datasheet, I'll steer clear.

I may be mistaken, but I didn't see the bootstrap capacitance specified for the IR2304, but I'll look again.

Okay, so the higher the output short circuit current i.e. 60mA, the quicker the gate capacitance can charge up and turn ON, very interesting!

P.S. I'm looking at the IR2301, but I don't see it for that either.
For the UCC27201, I see an example circuit of 0.1uF. But would there be any harm in including a larger one in parallel for good measure?

Neither of these seem to have the internal shoot-through protection though. Doesn't this mean I have to be more careful triggering the Hin and Lin timing??

Stupid question, but if IR3201 and IR2304 are the same price, then what application would IR2304 be more suitable for than '01?

Taa.

The required boot strap capacitance is a calculation you have to do based on the power devices you are using and other circuitry in the gate drive. Basically the boot cap has to provide enough charge to get the gate up to the right voltage (>10V), and have enough hold up time based on any charge bleed resistors you have. So its a simple charge exchange, and then RC discharge, then the goal would be to keep the gate above some minimum (8-10V) for your longest ON time and minimum supply voltage on the driver. One problem with boot strap type gate drivers is they cannot do 100% duty cycle, you always have to refresh the cap. There is no one "right" value.

The IR2301 and IR2304 are not the same price. They might be priced similarly on digikey or what ever, but make no mistake if you buy significant volume, the smaller driver will be cheaper, other wise there is zero point in making them. The smaller driver will have smaller output FETs, and the output FETs are what drives die size (the logic portion is quite small), and die size is what drives cost (parts per wafer).

Regarding shoot through, this is something you will have to manage in your software with these "dumb" gate drivers.
 
  • Like
Likes   Reactions: tim9000
  • #69
Still reading through all the App notes...
 
  • Like
Likes   Reactions: jim hardy
  • #70
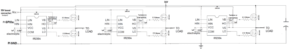
Update, I have finished soldiering the MOSFET driver. Can people please have a look at the attached pictures and offer thoughts. The circuit shown is the part of the circuit which interfaces between the micro-controller and the MOSFETS. So basically it houses the ICs and the digital outputs from the raspberry PI are wired into HIN and LIN. (There is a separate module for the Hall sensors to interface with the PI).

HO, VS and LO are connected to the mosfets as per the attached circuit diagram.

Much appreciated and sorry for the long delay.

P.S. in case you can't make the diode out in the circuit diagram, they are 1N4148 small signal diodes which have a forward conduction in the nano-second range from memory. I think they were rated for about 500mA or something.
The MOSFETS are NMOS IRF3205. I am willing to change these components if necessary, same goes for the IR2304. Happy to go with IR2301 if necessary, but will need to implement some anti-shoot through in the code to accommodate that IC. (Also would consider IR2104 if anyone thought it was preferable).
 

Attachments

  • for PF forum.PNG
    for PF forum.PNG
    15.1 KB · Views: 243
  • MOSFET controller.jpg
    MOSFET controller.jpg
    106.4 KB · Views: 276
  • #71
Be aware that the left two IC sockets are oriented wrong. The orientation notch is pointing downward in the photo putting pin one at the lower-right, but they are wired as if pin one is at the top-left.

The 0.2uF capacitors on pins 3&4 of the ICs are labeled as electrolytic, and their shiny body indicates they may be. I would expect them to be disc ceramic. Please verify they are correct per the original design, datasheet, or application note.

Of course we can't see the polarity markings on the caps, so double-check them before applying power. (they really stink with the wrong polarity, and sometimes emit sharpnel shrapnel)

Cheers,
Tom

p.s. the Fairchild 1N4148 is rated 200mA average current, probably fine.
 
Last edited:
  • Like
Likes   Reactions: tim9000
  • #72
Tom.G said:
Be aware that the left two IC sockets are oriented wrong. The orientation notch is pointing downward in the photo putting pin one at the lower-right, but they are wired as if pin one is at the top-left.

The 0.2uF capacitors on pins 3&4 of the ICs are labeled as electrolytic, and their shiny body indicates they may be. I would expect them to be disc ceramic. Please verify they are correct per the original design, datasheet, or application note.

Of course we can't see the polarity markings on the caps, so double-check them before applying power. (they really stink with the wrong polarity, and sometimes emit sharpnel)

Cheers,
Tom

p.s. the Fairchild 1N4148 is rated 200mA average current, probably fine.

Woops, I didn't even notice the IC sockets had a notch! Thanks for pointing this out.

Also, apologies about the circuit diagram, it is out of date, are pins 3&4 Vcc and COM? (I don't have the datasheet on me at the moment). If so, this is a symptom of me needing to update the diagram, they are actually 1uF & 0.1uF tantalum and a smaller size ceramic capacitor. I can't remember if this was a specific requirement of capacitance across Vcc and COM, I assume it's enough.
I remember that some weeks ago I did a rough calculation (using the App note) for the capacitance across Vs and Vb and I concluded that 1uF & 0.1uF was enough, these are tantalum incidentally. I DIDN'T REALISE THESE WERE POLARISED, so they might be the wrong polarity. How can I tell? There are no markings and both the legs were equal in length.

P.S. Another thing I didn't realize until now is that tantalum caps were electrolytic, SO I HOPE THESE DON'T HAVE TOO MUCH LEAKAGE CURRENT...??

Cheers!
 
Last edited:
  • #73
tim9000 said:
P.S. Another thing I didn't realize until now is that tantalum caps were electrolytic, SO I HOPE THESE DON'T HAVE TOO MUCH LEAKAGE CURRENT...??
Tantalum caps are polarised, with a solid tantalum oxide dielectric, so they do not have electrolyte and do not dry out. Cheap tants can have high leakage but reliably branded ones usually have low leakage.
 
  • Like
Likes   Reactions: tim9000 and jim hardy
  • #74
In my day
dry tantalums were known for a propensity to pyrotechnics and good design included a small series resistor to limit surge current.
I think that's largely fixed today with polymer dielectric construction..
Wet tantalums didn't have that firebug tendency .

.https://www.digikey.com/eewiki/display/Motley/Tantalum+Capacitors
Because the composition and construction of a tantalum-MnO2 capacitor is similar to that of a firecracker (a finely divided metal in intimate mixture with a substance that releases oxygen when heated) these capacitors are well-known for failing in pyrotechnic fashion, characterized by explosions and/or violent spewings of flame. Particular care in their selection and application is recommended for this reason.

It's just one more monkey wrench in Murphy's toolbox.
If the smoke gets out of your capacitors that'd be something to look at.

Good Luck with this project.
 
  • Like
Likes   Reactions: tim9000
  • #75
Baluncore said:
Tantalum caps are polarised, with a solid tantalum oxide dielectric, so they do not have electrolyte and do not dry out. Cheap tants can have high leakage but reliably branded ones usually have low leakage.

jim hardy said:
In my day
dry tantalums were known for a propensity to pyrotechnics and good design included a small series resistor to limit surge current.
I think that's largely fixed today with polymer dielectric construction..
Wet tantalums didn't have that firebug tendency .

.https://www.digikey.com/eewiki/display/Motley/Tantalum+CapacitorsIt's just one more monkey wrench in Murphy's toolbox.
If the smoke gets out of your capacitors that'd be something to look at.

Good Luck with this project.

My memory certainly failed in the interim of continuing this thread, so I just checked my purchases, and they are actually 1uF and 10uF "monolithic ceramic" capacitors, so I expect the coating is just superficially shiny like tantalum caps. And as I said, both the legs are equal in length, and there is no + or - markings, so I presume they're bipolar. Any contrary opinions, please let me know.

So hopefully (when I have some spare time), I'll be able to move onto the next phase of the project and integrate the MOSFETS to this board, and connect the Halls and Pi.

Unless anyone sees any other issues.

Thanks all!
 
  • #76
tim9000 said:
are pins 3&4 Vcc and COM?
Yes (at least so says the datasheet :oldsmile: )
 
  • Like
Likes   Reactions: tim9000
  • #77
Tom.G said:
Yes (at least so says the datasheet :oldsmile: )
Cool.

Well, I'll probably be back on this thread in a couple months when I have an update. I am moving inter-state to start a new job, so don't hold your breath in wait.

Cheers
 
  • #78
Enjoy the new scenery wherever you end up.

Cheers!
 
  • #79
Good luck in new enterprise. Hopefully they'll apprentice you to an old timer expert for a mentor. Best thing that ever happened to me.
 
  • #80
Hi All,

I'm trying to get back on this horse, this thread hopefully isn't dead yet. To refresh you're memory this was a brushless DC motor to be run from 36V lithium batteries. The controller between the bldc hall sensors and MOSFET drivers was a raspberry pi.

(So I've been getting smashed at my new job, 11 & 1/2 hour days during the week and working on the house on weekends. I've been having to do not just design engineering at work but also because it's a new-ish company also the QAQC, [most of the] draughting developing all the system processes like testing, manufacturing ITPs, drawing conventions/register etc. etc. ...Also, we have our 3rd child on the way!)

I've been trying to find all my project notes since moving house and I think I've more or less found everything to resume the project.

To re-cap where I'm at, from memory from six months ago (hazy):

-Despite being an inductive load (bldc motor) I was going to forego the schottkey diodes in parallel with the mosfets and see if the internal body diodes can handle the flyback current. (Otherwise I'll use 1N4148 diodes. These apparently have a reverse recovery time of 8 ns and a 100V breakdown voltage.)

-There was previously an issue of me possibly not firing the Lo for the Vb capacitor to charge up.

-I was using the of the IR2304 gate driver and I'd already made my circuit board to house them. So due to time constraints I would still like to use this driver, sacrificing fast switching time for something that still 'just does the job'.

-The input capacitance of the previous MOSFETs was 3247 pF which we concluded would not be suitable for the IR2304 to be able to drive. I now want to use an NMOS with an input capacitance of 920pF (the F40NF06). I am hoping that this will make up for the low pulse current (60mA) of the IR2304).

Can someone please advise if these conditions are going to be an obvious non-starter. Failing this I will have to use the IR2301 (120mA) gate driver and make a new circuit board and re-code so it creates and artificial anti shoot-through on switching.

Thank you
 
  • #81
tim9000 said:
(Otherwise I'll use 1N4148 diodes. These apparently have a reverse recovery time of 8 ns and a 100V breakdown voltage.)
But they are signal diodes, not power diodes. The peak MOSFET current will flow through the 1N4148 momentarily. You need to use the integrated body diode, or an external fast recovery diode rated for repeated pulses of Imax.
 
  • #82
Baluncore said:
But they are signal diodes, not power diodes. The peak MOSFET current will flow through the 1N4148 momentarily. You need to use the integrated body diode, or an external fast recovery diode rated for repeated pulses of Imax.
My mistake, if the integrated body diode is insufficient for the motor freewheeling current, I won't use a small signal diode, it will be a power fast recovery diode. I must have misinterpreted my component notes, the 1N4148 must have been for something else.
 
  • #83
tim9000 said:
I now want to use an NMOS with an input capacitance of 920pF (the F40NF06). I am hoping that this will make up for the low pulse current (60mA) of the IR2304).
I haven't gone back and reviewed the earlier stuff but the you may want to check the dissipation during the rise & fall times. Here is a quick estimate of those times.

Assume
Vg = 10V
Cg = 1E-9F
Ig = 6e-2A

T= (dVg x C)/Ig
= (10 x 1E-9)/6e-2
=1.6E-7
=160ηS rise and fall times.
Looks plenty fast enough!

With the delays and slew rate of the the Gate driver and the FET adding up to around 1.7uS you should be good to 100kHz switching frequency, depending on motor current.

Cheers,
Tom
 
  • #84
Tom.G said:
I haven't gone back and reviewed the earlier stuff but the you may want to check the dissipation during the rise & fall times. Here is a quick estimate of those times.

Assume
Vg = 10V
Cg = 1E-9F
Ig = 6e-2A

T= (dVg x C)/Ig
= (10 x 1E-9)/6e-2
=1.6E-7
=160ηS rise and fall times.
Looks plenty fast enough!

With the delays and slew rate of the the Gate driver and the FET adding up to around 1.7uS you should be good to 100kHz switching frequency, depending on motor current.

Cheers,
Tom

Hi Tom,

Very simple but effective way of calculating the charging time of the gate capacitance, thank you for showing me that.

Out of interest, on the MOSFET datasheet Table 5 when they state:

td(on) = 27 ns and tr Turn-on Delay Time Rise Time = 11 ns
Using test: VDD = 30V, ID = 20A, RG = 4.7Ω, VGS = 10V

What sort of a driver would they have used to get these results would you speculate?

Cheers,
 
  • #85
tim9000 said:
What sort of a driver would they have used to get these results would you speculate?
That is documented in Fig. 18 of the datasheet available at:
https://www.st.com/resource/en/datasheet/stf40nf06.pdf
Hmm... can't get the image to upload. It's on pg.8 of the datasheet

Cheers,
Tom
 
  • Like
Likes   Reactions: tim9000
  • #86
Tom.G said:
That is documented in Fig. 18 of the datasheet available at:
https://www.st.com/resource/en/datasheet/stf40nf06.pdf
Hmm... can't get the image to upload. It's on pg.8 of the datasheet

Cheers,
Tom

Sorry, I just wasted your time. Thank you for not barrating me for asking a stupid question. I'm going to guess it was some sort of 10V power supply with a really low internal impedance. I'm guessing not battery though... possibly capacitor bank.

Thanks, I'll post on here next time I have some results to update the thread with (please don't hold your breath).

Take care.
 
  • Like
Likes   Reactions: Tom.G

Similar threads

  • · Replies 12 ·
Replies
12
Views
4K
Replies
7
Views
15K
Replies
2
Views
2K
Replies
6
Views
5K