Norton Equivalent Help - Find Equivalent Circuit

  • Thread starter Thread starter erezb84
  • Start date Start date
Click For Summary

Discussion Overview

The discussion focuses on finding the Norton equivalent circuit for a specific electrical circuit. Participants explore methods and approaches to determine the equivalent circuit, including circuit analysis techniques.

Discussion Character

  • Technical explanation, Homework-related, Mathematical reasoning

Main Points Raised

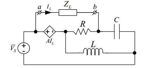
  • One participant requests assistance in finding the Norton equivalent between terminals a and b.
  • Another participant asks for clarification on the terminals between which the equivalent is to be found.
  • A third participant inquires about the methods attempted and whether the voltage source is AC.
  • A participant describes their approach of shorting the load and attempting to calculate the current Iab using KVL and KCL but indicates a lack of success.
  • Another participant suggests that mesh analysis could be a suitable method and recommends solving for the current IL, then using that to find the short circuit current and open circuit voltage.

Areas of Agreement / Disagreement

Participants have not reached a consensus on the best approach to find the Norton equivalent, and multiple methods are being discussed without resolution.

Contextual Notes

Some assumptions about the circuit configuration and the nature of the sources (AC or DC) remain unclear, and the effectiveness of the proposed methods has not been established.

erezb84
Messages
43
Reaction score
0
Hi,
Need some help in finding Norton eqvivalent for the follwoing circuit:

thanks!
 

Attachments

  • 1.JPG
    1.JPG
    9.7 KB · Views: 447
Physics news on Phys.org
As seen between what two terminals?
 
yes, between a and b.
 
What have you tried? What's your approach? Is Vs an AC source?
 
i have tried taking the steps to find the norton source:
i have shorted the load (Z) and want to check what current is Iab.
tried some KVL,KCL but with no success to get somthing...
 
The circuit would appear to be amenable to mesh analysis. Solve for the current IL. Set the value of ZL in the resulting equation to determine the short circuit current and the open circuit voltage.
 

Similar threads

  • · Replies 2 ·
Replies
2
Views
2K
  • · Replies 9 ·
Replies
9
Views
6K
  • · Replies 18 ·
Replies
18
Views
4K
  • · Replies 1 ·
Replies
1
Views
2K
  • · Replies 1 ·
Replies
1
Views
1K
  • · Replies 10 ·
Replies
10
Views
4K
  • · Replies 1 ·
Replies
1
Views
2K
  • · Replies 5 ·
Replies
5
Views
2K
  • · Replies 6 ·
Replies
6
Views
2K
Replies
3
Views
2K