Rectification and fluctuating DC

  • Thread starter Thread starter Mr_Bojingles
  • Start date Start date
  • Tags Tags
    Dc
Click For Summary

Discussion Overview

The discussion centers on the rectification of AC to DC using diodes, exploring whether this process inherently produces a fluctuating DC wave and the methods available to achieve a steady DC current. Participants also delve into the concepts of half-wave and full-wave rectification, their advantages, and the implications of fluctuating versus steady DC in practical applications like lighting.

Discussion Character

  • Exploratory
  • Technical explanation
  • Conceptual clarification
  • Debate/contested

Main Points Raised

  • Some participants question whether rectification always results in a fluctuating DC wave and inquire about methods to create a steady DC current.
  • There is a discussion on the understanding of diodes, with some participants likening them to one-way valves in a water system, and expressing confusion about their role in DC circuits.
  • Some participants suggest that half-wave rectification might cause flickering in applications like flashlights, while others argue that the filament's response time may prevent noticeable flicker even with half-wave rectification.
  • A participant mentions that a full-wave bridge filter circuit can be used to reduce ripple and smooth the current, indicating that some ripple may always remain.
  • There is mention of using higher AC frequencies to mitigate ripple, suggesting that the frequency of the AC source can influence the rectification outcome.

Areas of Agreement / Disagreement

Participants express varying levels of understanding about diodes and rectification, with some agreeing on the analogy of diodes as one-way valves, while others debate the implications of fluctuating versus steady DC in practical applications. The discussion remains unresolved regarding the effectiveness of fluctuating DC in specific scenarios.

Contextual Notes

Some participants express uncertainty about the behavior of diodes and the specifics of rectification methods. There are references to external resources for further understanding, but limitations in knowledge about the underlying principles and circuit configurations are evident.

Mr_Bojingles
Messages
78
Reaction score
0
Does rectification of AC into DC with the use of diodes always create a fluctuating DC wave? Are there methods of rectification which create a steady DC current or do you always have to smooth the current out afterwards?

I'm having a hard time grasping the concept of half-wave and full-wave rectification. Are there any advantages to half-wave rectification or is it only used because it's a simpler method of rectification?

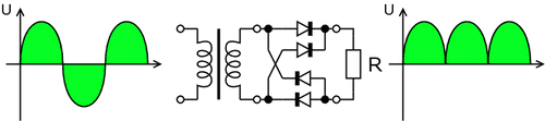
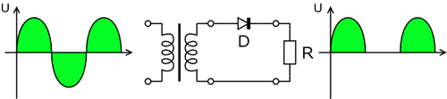
Wikipedia has good diagrams of half-wave and full-wave rectification circuits.
500px-Halfwave.rectifier.en.png

500px-Gratz.rectifier.en.png
 
Last edited:
Engineering news on Phys.org
The key to understanding rectification is to undersand the behavior of a diode. Have you read through this wikipedia page?

http://en.wikipedia.org/wiki/Diode'

Let us know if you have questions about how a diode works, and that will help you understand the rectifiers that you are asking about.
 
Last edited by a moderator:
I've read about most common electronic components on wikipedia but I still don't fully understand diodes and when it comes to transistors I'm completely lost.

The only thing I really understand about diodes is that they are the electronic equivalent of a one way valve in a water pipe system. I have no idea what the purpose of diodes are in a DC current. Before I get into semiconductor diodes and LED's I want to learn the purpose of regular diodes in AC and DC circuits.

I can see why an AC current flowing through a diode would create a half wave rectification. I haven't tried to understand full wave rectification circuits yet. Would a fluctuating DC current perform as well as a steady DC current in a basic circuit like a flash light? I'd imagine a half wave DC current would make the light flicker since the voltage constantly goes on and off but would a full-wave DC current power the light bulb the exact same way a steady non fluctuating current would?
 
Mr_Bojingles said:
IThe only thing I really understand about diodes is that they are the electronic equivalent of a one way valve in a water pipe system. I have no idea what the purpose of diodes are in a DC current.

lessee AC corrent alternates direction. it goes back and forth.

DC current is in only one direction. does not go back and forth.

might a one-way valve be useful in coaxing something that alternates direction into something that flows in only one direction?
 
Mr_Bojingles said:
I've read about most common electronic components on wikipedia but I still don't fully understand diodes and when it comes to transistors I'm completely lost.

The only thing I really understand about diodes is that they are the electronic equivalent of a one way valve in a water pipe system. I have no idea what the purpose of diodes are in a DC current. Before I get into semiconductor diodes and LED's I want to learn the purpose of regular diodes in AC and DC circuits.

The one-way valve is a reasonable analogy. Basically you get no back-current through the diode.

Mr_Bojingles said:
I can see why an AC current flowing through a diode would create a half wave rectification. I haven't tried to understand full wave rectification circuits yet. Would a fluctuating DC current perform as well as a steady DC current in a basic circuit like a flash light? I'd imagine a half wave DC current would make the light flicker since the voltage constantly goes on and off but would a full-wave DC current power the light bulb the exact same way a steady non fluctuating current would?

If the DC current is fluctuation, but never going in reverse, then the diode stays forward biased, and the only effect is that you get about a 0.7V forward drop across it.

You can drive a light with an AC or fluctuating DC current, and as long as the fluctuations are at a frequency above the "flicker fusion frequency" of the human eye (around 70-80Hz, I think for most people), then no flicker will be perceived.
 
Berkeman overlooked that a filament in a flashlight lightbulb is a slowly responding load. It won't flicker using halfwave rectified voltage at 50 or 60Hz, because the supply pulses more rapidly than the filament has time to heat up and cool down. It is also a simple way to make a dimming switch. Using a fullwave supply for bright light and halfwave supply for dimmer light.

To further help you understand rectifier circuits, here are some http://www.allaboutcircuits.com/vol_3/chpt_3/4.html
 
Ouabache said:
Berkeman overlooked that a filament in a flashlight lightbulb is a slowly responding load. It won't flicker using halfwave rectified voltage at 50 or 60Hz, because the supply pulses more rapidly than the filament has time to heat up and cool down. [/url]

Yes, good point. Thanks for pointing that out, Ouabache.
 
There is a circuit configuration called Fullwave bridge filter circuit. A capacitor is used between the output and load. This reduces the ripple and smooths out the current.

You should look into this.
 
pooface said:
There is a circuit configuration called Fullwave bridge filter circuit. A capacitor is used between the output and load. This reduces the ripple and smooths out the current.
Does one have a link.

I found this - http://www.allaboutcircuits.com/vol_3/chpt_3/4.html

I think there will always be some ripple. In addition to pooface's recommendation, there are system using multiple AC phases in which each is separately rectivity, and one can always increase the AC frequency to high frequencies. One does not have to be constrained to 50/60 Hz if the generator is isolated/alone.
 

Similar threads

  • · Replies 8 ·
Replies
8
Views
3K
Replies
9
Views
3K
  • · Replies 7 ·
Replies
7
Views
3K
  • · Replies 10 ·
Replies
10
Views
5K
Replies
6
Views
2K
  • · Replies 39 ·
2
Replies
39
Views
5K
  • · Replies 26 ·
Replies
26
Views
4K
Replies
13
Views
3K
  • · Replies 2 ·
Replies
2
Views
2K
  • · Replies 7 ·
Replies
7
Views
4K