Schematics of a high pressure water switch

Click For Summary

Discussion Overview

The discussion revolves around the internal workings and schematics of a high-pressure water switch used in reverse osmosis systems. Participants explore the mechanics of pressure switches, their functionality, and the specific issues related to a malfunctioning unit.

Discussion Character

  • Technical explanation
  • Debate/contested
  • Experimental/applied

Main Points Raised

  • Some participants describe the basic operation of pressure switches, noting that they typically include a moveable diaphragm that responds to fluid pressure changes.
  • One participant shares their experience with a specific unit in a reverse osmosis water purifier, seeking to understand the internal schematic to diagnose a potential issue.
  • Several participants suggest that the pressure switch may not be malfunctioning, explaining that it detects pressure changes rather than flow directly, and that fluctuations in house supply pressure could affect its operation.
  • There is mention of an adjustment screw that may alter the pressure trip point, with some participants speculating on its potential impact on the switch's functionality.
  • One participant raises the possibility of the switch being a differential pressure switch, which compares pressures at two points, rather than a simple pressure switch.
  • Participants express a desire for internal illustrations or schematics to clarify the design and operation of the switch.

Areas of Agreement / Disagreement

Participants do not reach a consensus on whether the switch is functioning correctly or whether it is a pressure or flow switch. Multiple competing views regarding its operation and potential issues remain unresolved.

Contextual Notes

Some participants reference specific models and configurations of pressure switches, indicating that variations in design may lead to different operational characteristics. There are also mentions of limited information available on the specific product in question.

chirhone
Messages
300
Reaction score
25
Does anyone have internal schematics (or illustration) how this thing work inside? Like how water flow can activate the conduction to the two wires connected?

https://www.amazon.com/dp/B01MU3KQCD/?tag=pfamazon01-20

high pressure switch.JPG
 
Engineering news on Phys.org
It's a pressure switch (not a 'flow' switch). In the simplest implementation, pressure switches include a moveable diaphragm where atmospheric pressure and a spring are on 1 side, and the fluid of interest on the other. When the force exerted by the fluid of interest exceeds the force of the spring+atmosphere, the diaphragm moves and actuates a switch. Some units allow adjustment to the spring (so that the trip point may be adjusted).
 
  • Like
Likes   Reactions: davenn and Asymptotic
sensor .jpg


This is the actual unit in my reverse osmosis water purifier. When there is water flow from the uv cartridge to the faucet (the white tube with blue from right to left). It turns the uv lamp on (the two black wires became connected which turns on the uv lamp). I just want to know how the schematic of the internal mechanics look like. That's all.
 
You'll probably have to take it apart if you want specifics.
 
Dullard said:
You'll probably have to take it apart if you want specifics.

I won't do that. It was newly installed and under warranty. That was why I was asking if anyone knows how the internal parts look like. Sometimes when there is no water flow from right to left. It still turns on. I told the company to replace it. And I just want to see the schematic to understand what could possibly be wrong inside it.
 
One time:

There is probably nothing wrong with the pressure switch.

When water is flowing, the pressure at the switch is reduced. This either: 'actuates' or 'de-actuates' your pressure switch. When water is not flowing, the switch sees your maximum system pressure - assuming that the system doesn't have a pump, that's approximately the same as your house supply pressure. If the house supply pressure 'dips,' you'll see the behavior that you describe. It's important to understand: this isn't a 'flow' switch - it's a pressure switch placed to detect flow-related pressure reduction - it can't actually tell what caused a reduction in pressure, so any reduction below the setpoint will (for this system design) assume that flow is occurring.
 
Dullard said:
One time:

There is probably nothing wrong with the pressure switch.

When water is flowing, the pressure at the switch is reduced. This either: 'actuates' or 'de-actuates' your pressure switch. When water is not flowing, the switch sees your maximum system pressure - assuming that the system doesn't have a pump, that's approximately the same as your house supply pressure. If the house supply pressure 'dips,' you'll see the behavior that you describe. It's important to understand: this isn't a 'flow' switch - it's a pressure switch placed to detect flow-related pressure reduction - it can't actually tell what caused a reduction in pressure, so any reduction below the setpoint will (for this system design) assume that flow is occurring.

reverse osmosis.jpg


If you will google "reverse osmosis water purifier" or check out youtube, you will see dozens if not hundreds of the products.

Mine is a typical one with pumps and membrane except there is a 6th stage additional uv cartride (silver at the top) which is not part of the system. Therefore it is always on. I let them added the switch (the black one I shared earlier was in the left most beside the pump) so when the faucet is not being used, the uv lamp should turn off. But it's not turning off, there is an allen screw in the black thing (shown earlier) to adjust the flow. How does this affect your earlier analysis?

stages.jpg
 
The allen screw is probably an adjustment for the pressure trip point. You may be able to reduce the setting (usually CCW rotation) so that your lowest static pressure remains higher than the trip threshold. Much depends on how low the pressure is when the water is running.
 
  • Like
Likes   Reactions: Asymptotic
Dullard said:
The allen screw is probably an adjustment for the pressure trip point. You may be able to reduce the setting (usually CCW rotation) so that your lowest static pressure remains higher than the trip threshold. Much depends on how low the pressure is when the water is running.

A typical pressure switch is this:

typical pressure switch.jpg


In the following there is inlet and outlet hole (left and right) instead of one input only like the above (at bottom with the "Pressure" level). So I assumed the following is a flow switch. Are you saying inside the following is a tiny version of the above?

sensor .jpg


If someone has an internal illustration of it. Then it will settle everything where it is a pressure or flow switch. A picture is worth a thousand words.
 
  • #10
chirhone said:
A typical pressure switch is this:

View attachment 256056

In the following there is inlet and outlet hole (left and right) instead of one input only like the above (at bottom with the "Pressure" level). So I assumed the following is a flow switch. Are you saying inside the following is a tiny version of the above?

View attachment 256057

If someone has an internal illustration of it. Then it will settle everything where it is a pressure or flow switch. A picture is worth a thousand words.

Does this system have a drawing showing fluid paths, or could you sketch out where this pressure switch is plumbed into your system?

The Amazon listing calls it a "PureSec 2017 HPS14TUX2 quick fitting high pressure switch for tubing OD 1/4" used for RO system". Does this switch have additional information on a stick-on label, or molded into the case? I searched fairly extensively for manufacturer's specifications on this part, but found only other Amazon listings. Tried finding info on Empress EWP200 RO systems, but was only marginally more successful (mostly, sales promotional literature apparently for a company in the Philippines; all the link top level domains were .ph).

Many pressure switches are single port devices like the first one in post #9, and balance fluid pressure from the port against internal spring force. There are several different ways to go about it, but essentially if fluid force is greater than the spring force pushing back against it, the electrical contacts close to indicate high pressure has been sensed.

However, this photo shows a two port device suggesting another type of pressure switch called a differential pressure switch. In this type of pressure switch, fluid force at a second fluid port (port B) performs the function of an internal spring. If fluid pressure at port A is sufficiently higher than the pressure at port B then the switch contacts close to indicate high pressure exists.

The reason for sketching how it is plumbed into your system is, if it is a flow switch, total system water output will flow through it, but if it is comparing water pressure between two points in the system it is a differential pressure switch.

1579927401940.png
 
  • #11
Asymptotic said:
Does this system have a drawing showing fluid paths, or could you sketch out where this pressure switch is plumbed into your system?

The Amazon listing calls it a "PureSec 2017 HPS14TUX2 quick fitting high pressure switch for tubing OD 1/4" used for RO system". Does this switch have additional information on a stick-on label, or molded into the case? I searched fairly extensively for manufacturer's specifications on this part, but found only other Amazon listings. Tried finding info on Empress EWP200 RO systems, but was only marginally more successful (mostly, sales promotional literature apparently for a company in the Philippines; all the link top level domains were .ph).

Many pressure switches are single port devices like the first one in post #9, and balance fluid pressure from the port against internal spring force. There are several different ways to go about it, but essentially if fluid force is greater than the spring force pushing back against it, the electrical contacts close to indicate high pressure has been sensed.

However, this photo shows a two port device suggesting another type of pressure switch called a differential pressure switch. In this type of pressure switch, fluid force at a second fluid port (port B) performs the function of an internal spring. If fluid pressure at port A is sufficiently higher than the pressure at port B then the switch contacts close to indicate high pressure exists.

The reason for sketching how it is plumbed into your system is, if it is a flow switch, total system water output will flow through it, but if it is comparing water pressure between two points in the system it is a differential pressure switch.

View attachment 256068
I found the exact part here (made in Taiwan):

https://www.soleaqua.com.tw/water-pressure-switch/high-pressure-switch.html

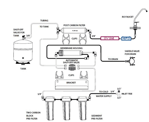
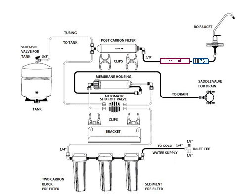
If you own a reverse osmosis water purifier. The connections are typical. Mine is like this:

RO_Diagram_5_Stage_480x480.png


The UV cartride is add-on, meaning not part of the package. And it is put in series to the faucet. In the high pressure switch in the following, the left side is directly connected to the faucet. So when the faucet is opened, there is a water flow from right to left and uv lamp turned on, and when no water flow in faucet, the switch supposed to turn off the uv lamp, but it stays on.

sensor .jpg


The technician will come next week. But I just want to have idea how the schematics of this work inside. That's all.
 
  • #12
Thanks. That reference to a SoleAqua QF-HP22 to helps a bit, but not enough.

[Begin mini-rant]
Is it just me, or is product literature becoming abysmally useless?
This is the sum total of their specification page.
1579939402622.png

At least it gives a water pressure of 35 to 40 PSI, which I'm assuming is the operating set point adjustment range, but no mention of differential set point, or anything else like allowable temperature range, fluid compatibility, burst pressure, switch data (voltage, current, etc.), or, important to this discussion, an exploded drawing of it's inner workings.
[End mini-rant]

In general, pressure switches have two set points - the operating set point, and "deadband" or "differential" set point (not to be confused with it being a differential switch). The stated 35 to 40 PSI may indicate operating set point adjustment range (when the hex screw is turned all the way counter-clockwise it'll switch at 35 PSI, and switch at 40 PSI when turned completely clockwise), but that's just a guess. The differential set point may also be user-adjustable, but is often set to a fixed value by the manufacturer.

For example, if a pressure switch has an operating set point of 40 PSI and differential ("deadband") set point of 8 PSI, it will open at 40 PSI, and remain open until pressure drops below 32 PSI (40 PSI - 8 PSI, hence, differential).

This link has a basic explanation of differential switch operation, and a rough schematic drawing of it's internals. https://www.instrumentationtoolbox.com/2012/11/how-differential-pressure-switch-works.html

What are the two ports on your pressure switch connected to? In this marked-up sketch I've assumed one of them are on the outlet side of the UV treatment unit ... where does the other one go to?

1579941449393.png


It may turn out this particular switch simply isn't capable of switching on the UV unit when the faucet is opened. If sensed pressure differential between port A and port B never equals or exceeds 35 PSI, the switch will never actuate to the open position and turn off the UV unit, regardless of screw adjustment.
 
  • #13
Asymptotic said:
Thanks. That reference to a SoleAqua QF-HP22 to helps a bit, but not enough.

[Begin mini-rant]
Is it just me, or is product literature becoming abysmally useless?
This is the sum total of their specification page.
View attachment 256073
At least it gives a water pressure of 35 to 40 PSI, which I'm assuming is the operating set point adjustment range, but no mention of differential set point, or anything else like allowable temperature range, fluid compatibility, burst pressure, switch data (voltage, current, etc.), or, important to this discussion, an exploded drawing of it's inner workings.
[End mini-rant]

In general, pressure switches have two set points - the operating set point, and "deadband" or "differential" set point (not to be confused with it being a differential switch). The stated 35 to 40 PSI may indicate operating set point adjustment range (when the hex screw is turned all the way counter-clockwise it'll switch at 35 PSI, and switch at 40 PSI when turned completely clockwise), but that's just a guess. The differential set point may also be user-adjustable, but is often set to a fixed value by the manufacturer.

For example, if a pressure switch has an operating set point of 40 PSI and differential ("deadband") set point of 8 PSI, it will open at 40 PSI, and remain open until pressure drops below 32 PSI (40 PSI - 8 PSI, hence, differential).

This link has a basic explanation of differential switch operation, and a rough schematic drawing of it's internals. https://www.instrumentationtoolbox.com/2012/11/how-differential-pressure-switch-works.html

What are the two ports on your pressure switch connected to? In this marked-up sketch I've assumed one of them are on the outlet side of the UV treatment unit ... where does the other one go to?

View attachment 256076

It may turn out this particular switch simply isn't capable of switching on the UV unit when the faucet is opened. If sensed pressure differential between port A and port B never equals or exceeds 35 PSI, the switch will never actuate to the open position and turn off the UV unit, regardless of screw adjustment.

Here is how the high pressure swtich is connected to the system:

ro schematics.png


When the faucet is not being used. The UV lamp should be turned off. When it is not turn off. There is initial hot or warm water coming from faucet due to stuck water in the uv cartridge. My cousin didn't even install any high pressure switch. But I wanted to save the UV lamp when not in used.

About the switch. It is widely available everywhere. For example. I entered "high pressure switch ro system" and i got this:"
  • Features: 100% Brand New. Suitable for all Water Purifiers Filters, Reverse Osmosis Water Systems. It's easy to use.

  • Material: Plastic, Metal Built-in Switch State: 1 Pole Normally Close Fit For Hose's Outer Dia: 1/4"(6.4mm) OD Hose Turn OFF Pressure: 0.25±0.02 Mpa (2.5±0.2 KG) Withstand Pressure: 1.5Mpa (15KG)

  • Function: Shut off the booter pump when it is full water in tank Avoid to burned your booster pump motor."
 
Last edited:
  • #14
Does the UV light turn off after the system has been left with a closed faucet all night?
Can you tell if the drain line stops running after the pressure tank fills?
Do you have a pressure gauge on the water service inlet to your house? What does it indicate?

BoB
 
  • Like
Likes   Reactions: chirhone and Asymptotic
  • #15
chirhone said:
Here is how the high pressure swtich is connected to the system:

View attachment 256079

When the faucet is not being used. The UV lamp should be turned off. When it is not turn off. There is initial hot or warm water coming from faucet due to stuck water in the uv cartridge. My cousin didn't even install any high pressure switch. But I wanted to save the UV lamp when not in used.

About the switch. It is widely available everywhere. For example. I entered "high pressure switch ro system" and i got this:"
  • Features: 100% Brand New. Suitable for all Water Purifiers Filters, Reverse Osmosis Water Systems. It's easy to use.

  • Material: Plastic, Metal Built-in Switch State: 1 Pole Normally Close Fit For Hose's Outer Dia: 1/4"(6.4mm) OD Hose Turn OFF Pressure: 0.25±0.02 Mpa (2.5±0.2 KG) Withstand Pressure: 1.5Mpa (15KG)

  • Function: Shut off the booter pump when it is full water in tank Avoid to burned your booster pump motor."
I've never seen a pressure switch in series with total flow, but there it is. Scratch the differential pressure idea; it seems they've incorporated a traditional one-port pressure switch and tee into a single casing. The part in the eBay link is rated 0.25 MPa (36.3 PSI) +/- 0.02 MPa (+/- 2.9 PSI), and by a different manufacturer from yours.

What @rbelli1 asks in post #14 is key info ... what is the pressure at the pressure switch. If it never rises high enough to open the pressure switch contacts the UV disinfector will stay on regardless of whether the faucet is on or not.
 
  • Like
Likes   Reactions: chirhone
  • #16
rbelli1 said:
Does the UV light turn off after the system has been left with a closed faucet all night?

Initially when the technician first installed it. The uv light could turn off when the faucet was closed. But hours later. It didn't work anymore. It is always on.

Can you tell if the drain line stops running after the pressure tank fills?

The RO unit has a low pressure switch such that when the water source is turned off, the unit can turn off.

Do you have a pressure gauge on the water service inlet to your house? What does it indicate?

Nope. But it is a great idea and may let the water installer put one.

Asymptotic said:
What @rbelli1 asks in post #14 is key info ... what is the pressure at the pressure switch. If it never rises high enough to open the pressure switch contacts the UV disinfector will stay on regardless of whether the faucet is on or not.

Yes. You may be right. So high pressure switch means it will open when there is high pressure. I was initially thinking before I started this thread that the high pressure switch could only turn on if there is water flowing. This was why I turned off the source of water, turned off the tank gate valve, but still the switch and uv light was turned on. So I was thinking maybe it got stuck. But with your description, I think it is always on and only high pressure can switch it off. Thanks for this idea. I guess I simply need to find very small allen to adjust the pressure and see. I don't have a very small allen. Any idea what common home tool can be made as a small allen?
 
  • #17
chirhone said:
Initially when the technician first installed it. The uv light could turn off when the faucet was closed. But hours later. It didn't work anymore. It is always on.
The pro of using a pressure switch in this application is they're readily available and relatively cheap. The cons stem from using pressure as a proxy indicator of fluid flow.

With no flow, pressure at the faucet and UV unit connection will rise to pressure at the cold water supply, so long as there isn't any drainage flow through the RO membrane. Even without this factor, it will take some time for the pressure equalization to occur, and progressively more time as the filter elements become blocked with debris.

Imagine replacing the post-carbon filter with a variable orifice flow control valve. When the valve is fully open (mimicking a new, clean filter element) pressure drop across it will be very low, and pressure at the faucet will quickly approach supply pressure. Throttling the valve more toward the closed position mimics a filter element becoming progressively more blocked, and pressure drop across it will rise.​
Under no-flow conditions (as long as the filter isn't completely blocked, or flow control valve isn't completely closed) it will take progressively longer for pressure at the faucet to match supply pressure. When the faucet is opened with a clean filter, the pressure at the faucet and amount of flow shouldn't change very much over time. As the filter clogs (flow control valve is throttled) there will be a short period of normal flow through the faucet (and nearly supply pressure at the faucet) which will fairly rapidly fall to whatever reduced flow can make it through the throttled valve/partially blocked filter, and a corresponding reduction in pressure at the faucet.​
The same general idea holds as other filter elements become clogged, but since they are upstream from the pressure tank the effect won't be as immediate.​

Point is, there's a lot of things that affect pressure at the faucet that don't have anything to do with whether the faucet is open nor not, including variations in supply pressure.

chirhone said:
So high pressure switch means it will open when there is high pressure.
That's how the switch operates based on the description "Function: Shut off the booster pump when it is full water in tank" and "Switch State: 1 Pole Normally Close". Some pressure switches have other contact and wiring arrangements, for instance, a single pole, double throw switch would have a common point, a normally closed contact (which would open when set point pressure was reached), and a normally open contact (which would close upon reaching set point).

chirhone said:
The RO unit has a low pressure switch such that when the water source is turned off, the unit can turn off.

rbelli1 said:
Can you tell if the drain line stops running after the pressure tank fills?

I'm fairly certain the purpose of @rbelli1's question regarding drain flow is to determine whether it may be preventing the high pressure switch from operating. When the RO drain line is open, pressure at the faucet will be reduced.

If you add pressure gauges I'd suggest at least two - one at the water supply, and another at the pressure switch/faucet connection. Monitoring both pressures gives a sense of overall filter blockage because pressure differential between these two points when the faucet is open will increase as they become clogged. Also, having a gauge at the pressure switch aids in adjusting the high pressure cut-off point.

chirhone said:
I guess I simply need to find very small allen to adjust the pressure and see. I don't have a very small allen. Any idea what common home tool can be made as a small allen?

How small? The real answer is to buy the proper tool, but if the adjustment screw doesn't require much torque you might be able to use a straight blade jeweler's screwdriver or Torx driver just small enough to fit across the wider hex dimension. If it doesn't turn easily, STOP!, or you'll likely chew up and destroy the Allen screw faces.
 
  • Like
Likes   Reactions: chirhone
  • #18
Asymptotic said:
The pro of using a pressure switch in this application is they're readily available and relatively cheap. The cons stem from using pressure as a proxy indicator of fluid flow.

With no flow, pressure at the faucet and UV unit connection will rise to pressure at the cold water supply, so long as there isn't any drainage flow through the RO membrane. Even without this factor, it will take some time for the pressure equalization to occur, and progressively more time as the filter elements become blocked with debris.

Imagine replacing the post-carbon filter with a variable orifice flow control valve. When the valve is fully open (mimicking a new, clean filter element) pressure drop across it will be very low, and pressure at the faucet will quickly approach supply pressure. Throttling the valve more toward the closed position mimics a filter element becoming progressively more blocked, and pressure drop across it will rise.​
Under no-flow conditions (as long as the filter isn't completely blocked, or flow control valve isn't completely closed) it will take progressively longer for pressure at the faucet to match supply pressure. When the faucet is opened with a clean filter, the pressure at the faucet and amount of flow shouldn't change very much over time. As the filter clogs (flow control valve is throttled) there will be a short period of normal flow through the faucet (and nearly supply pressure at the faucet) which will fairly rapidly fall to whatever reduced flow can make it through the throttled valve/partially blocked filter, and a corresponding reduction in pressure at the faucet.​
The same general idea holds as other filter elements become clogged, but since they are upstream from the pressure tank the effect won't be as immediate.​

Point is, there's a lot of things that affect pressure at the faucet that don't have anything to do with whether the faucet is open nor not, including variations in supply pressure.That's how the switch operates based on the description "Function: Shut off the booster pump when it is full water in tank" and "Switch State: 1 Pole Normally Close". Some pressure switches have other contact and wiring arrangements, for instance, a single pole, double throw switch would have a common point, a normally closed contact (which would open when set point pressure was reached), and a normally open contact (which would close upon reaching set point).I'm fairly certain the purpose of @rbelli1's question regarding drain flow is to determine whether it may be preventing the high pressure switch from operating. When the RO drain line is open, pressure at the faucet will be reduced.

When the built-in pump inside the ro system closed, the drain flow stops. The technician explained it has low pressure switch such that when source has no water, the unit ro system pump closes, does this low pressure switch have anything to do with the drain flowing when pump stops or not?

Tomorrow I'll let the technician use hex Allen to adjust the high pressure switch. If it won't work, will replace it. If it won't work again, may just let the UV lamp be on. They said other users don't install any high pressure switch at all and the UV lamp is always on. It's inside a metal cartridge so can't expose the surrounding.

I'll analyze or ponder your other descriptions. Thanks a lot for the technical descriptions.
 
  • #19
Asymptotic said:
I'm fairly certain the purpose of @rbelli1's question regarding drain flow is to determine whether it may be preventing the high pressure switch from operating.

Yes. If the valve that controls the RO flow fails then you can

get the problem in the OP as well as the added expense of replacing the filter much more often.

chirhone said:
ro system pump

Is this system not on a municipal supply?

BoB
 
  • #20
,p
rbelli1 said:
Yes. If the valve that controls the RO flow fails then you can

get the problem in the OP as well as the added expense of replacing the filter much more often.
Is this system not on a municipal supply?

BoB

empress ro system.jpg


It's a household reverse osmosis system supplied by municipal water system. I used to have a separate house pump but since it's broken, we don't use it anymore, so house water pressure is not as strong. At least the water can reach the second floor.

But is it not the ro system pressure is separate from the municipal water pressure? Irregardless if the municipal water pressure is strong or weak, the ro system pump shuts down when tank is full. So it's not affected by the municipal water pressure (with regards to the high pressure switch system pressure), is this in the affirmative?
 
  • #21
The diagram you posted did not have the pump and I did not notice it in the picture.

Yes, the presence of the pump should keep the pressure high in the system regardless of the city pressure.

BoB
 
  • Informative
  • Like
Likes   Reactions: chirhone and Asymptotic
  • #22
rbelli1 said:
The diagram you posted did not have the pump and I did not notice it in the picture.

Yes, the presence of the pump should keep the pressure high in the system regardless of the city pressure.

BoB

The small half silver like tube at middle in the picture above is the pump. Here is zoom made vertical:

reverse osmosis booster.jpg


I'll know tomorrow after hex allen adjustment of the higher pressure switch if it would turn off uv lamp when faucet not in use.
 
  • #23
chirhone said:
Irregardless if the municipal water pressure is strong or weak, the ro system pump shuts down when tank is full.
How long after turning on the faucet does the booster pump kick on?
If it is nearly immediately, then one option is to wire a control relay coil across the pump motor terminals, and use normally open relay contacts (which will close when pump motor is running) to control power to the UV unit.
 
  • Like
Likes   Reactions: chirhone
  • #24
Asymptotic said:
How long after turning on the faucet does the booster pump kick on?
If it is nearly immediately, then one option is to wire a control relay coil across the pump motor terminals, and use normally open relay contacts (which will close when pump motor is running) to control power to the UV unit.

That's a great idea. But when the hex screw was turned all the way counterclockwise. The uv lamp can turn off when faucet is turn off. But sometimes not when the pump is running (maybe when ro pump/booster is running, the pressure is lower?). Say. If the full counter clockwise is 35 psi and full clockwise is 40 psi. What happens if the water pressure is 60 psi. Would it trigger it or only when the water pressure is exactly 35 psi?
 
  • #25
chirhone said:
But sometimes not when the pump is running (maybe when ro pump/booster is running, the pressure is lower?).
Yes the pressure will be lower when the pump is running. The switch that runs the pump operates on the same principle as the UV switch.

chirhone said:
Would it trigger it or only when the water pressure is exactly 35 psi?
It switches off at 35 or greater. The highest it can handle will be specified in the manual and maybe written on the switch itself. Carefully study the switch drawing that you posted.

BoB
 
  • Like
Likes   Reactions: Asymptotic and chirhone
  • #26
Does your UV unit use a gas discharge bulb similar to a florescent light?
If so, perhaps the thing to do regarding pressure or flow-based UV on-off control is nothing at all.

Went looking around to see what power/cost savings are involved, and ended up reading the manual for a
CrystalQuest model CQE-UV-00101 unit that looks about the same size as yours. It's specs are 1 GPM max. treated flow rate, 1/4" connections, 11 watt input, 50 milliamp bulb current, >30,000 uW/cm^2 UV output with 9000 hour rated life bulbs.

You'll want to look in your UV manual to see if there are similar caveats. The following is excerpted from their manual:

NOTE – The UV Disinfection System requires time to reach its full operating capacity. Allow the disinfection system to operate 3-5 minutes prior to use. In addition, open the faucet and allow water to run through the UV Disinfection System for 2-3 minutes to clear any air or debris. When using a reverse osmosis (RO) application, run the water for 30-45 seconds.​
NOTE – The UV lamp should be ON continuously. Repeatedly turning the lamp on and off will severely shorten the lamp life and allow bacteria to pass through without being affected by the UV.​

UV disinfection is outside my experience, but reading this brought back 25 year old memories of a 1000 watt UV ink curing system I once maintained. Getting decent life out of those bulbs involved ramping up voltage over the course of a minute or so (and ramping it down during shutdown) to minimize filament erosion and thermal shock.

11 watts is two orders of magnitude less, and such elaborate control is unwarranted, but frequent switching will accelerate bulb failure. 11 watts at $0.12/kWh is under $12 per year for continuous operation. You'll want to run the numbers for your electrical power, and bulb replacement costs, but I'd wager it's cheaper in the long run to leave the UV system turned on.
 
Last edited:
  • Informative
Likes   Reactions: rbelli1
  • #27
Asymptotic said:
Does your UV unit use a gas discharge bulb similar to a florescent light?
If so, perhaps the thing to do regarding pressure or flow-based UV on-off control is nothing at all.

Yes, the UV unit in my system is similar to it.

The high pressure switch works now. It turns off the uv lamp when faucet is close and the uv lamp only opens when faucet is open.

But this passage got me: "The UV Disinfection System requires time to reach its full operating capacity. Allow the disinfection system to operate 3-5 minutes prior to use".

It opens 0.5 second before use. So I guess I need to have the high pressure switch removed. My friends don't use high pressure switch and the uv lamp was continuously on since March of 2019.

Do you know what kind of adaptor or connector to connect the open tubes together after the high pressure switch is removed?

Went looking around to see what power/cost savings are involved, and ended up reading the manual for a
CrystalQuest model CQE-UV-00101 unit that looks about the same size as yours. It's specs are 1 GPM max. treated flow rate, 1/4" connections, 11 watt input, 50 milliamp bulb current, >30,000 uW/cm^2 UV output with 9000 hour rated life bulbs.

You'll want to look in your UV manual to see if there are similar caveats. The following is excerpted from their manual:

NOTE – The UV Disinfection System requires time to reach its full operating capacity. Allow the disinfection system to operate 3-5 minutes prior to use. In addition, open the faucet and allow water to run through the UV Disinfection System for 2-3 minutes to clear any air or debris. When using a reverse osmosis (RO) application, run the water for 30-45 seconds.​
NOTE – The UV lamp should be ON continuously. Repeatedly turning the lamp on and off will severely shorten the lamp life and allow bacteria to pass through without being affected by the UV.​

UV disinfection is outside my experience, but reading this brought back 25 year old memories of a 1000 watt UV ink curing system I once maintained. Getting decent life out of those bulbs involved ramping up voltage over the course of a minute or so (and ramping it down during shutdown) to minimize filament erosion and thermal shock.

11 watts is two orders of magnitude less, and such elaborate control is unwarranted, but frequent switching will accelerate bulb failure. 11 watts at $0.12/kWh is under $12 per year for continuous operation. You'll want to run the numbers for your electrical power, and bulb replacement costs, but I'd wager it's cheaper in the long run to leave the UV system turned on.
 
  • #28
chirhone said:
Yes, the UV unit in my system is similar to it.

The high pressure switch works now. It turns off the uv lamp when faucet is close and the uv lamp only opens when faucet is open.

But this passage got me: "The UV Disinfection System requires time to reach its full operating capacity. Allow the disinfection system to operate 3-5 minutes prior to use".

It opens 0.5 second before use. So I guess I need to have the high pressure switch removed. My friends don't use high pressure switch and the uv lamp was continuously on since March of 2019.

Do you know what kind of adaptor or connector to connect the open tubes together after the high pressure switch is removed?
By the way, what is the rationale for this "The UV Disinfection System requires time to reach its full operating capacity. Allow the disinfection system to operate 3-5 minutes prior to use".

Can't the UV lamp reach full potential in 0.5 seconds.. does uv lamp or any fluorescent lamp really need 3 minutes for maximum output?
 
  • #29
chirhone said:
Do you know what kind of adaptor or connector to connect the open tubes together after the high pressure switch is removed?
Not offhand, but you could:
1. Install a female-to-female adapter with 1/4" press fit connections on both sides,
2. Get a small roll of 1/4" tubing and replace the tubing segment, or,
3. Simply leave the high pressure switch in place. Disconnect the two wires going to the switch contacts, and connect them to one another (be sure the power is off before doing so).
 
  • #30
Asymptotic said:
Not offhand, but you could:
1. Install a female-to-female adapter with 1/4" press fit connections on both sides,
2. Get a small roll of 1/4" tubing and replace the tubing segment, or,
3. Simply leave the high pressure switch in place. Disconnect the two wires going to the switch contacts, and connect them to one another (be sure the power is off before doing so).

If I turn on the uv lamp all day. I notice the initial water from faucet is hot. This is because the stuck water is exposed to the uv light for hours. My concern about this is the quartz tube inside the uv cartridge is not build for high temperature.. so maybe there may be chemical reactions that may occur?
 

Similar threads

  • · Replies 9 ·
Replies
9
Views
3K
  • · Replies 17 ·
Replies
17
Views
3K
  • · Replies 4 ·
Replies
4
Views
3K
  • · Replies 3 ·
Replies
3
Views
2K
  • · Replies 23 ·
Replies
23
Views
3K
  • · Replies 12 ·
Replies
12
Views
2K
  • · Replies 3 ·
Replies
3
Views
3K
  • · Replies 38 ·
2
Replies
38
Views
10K
  • · Replies 14 ·
Replies
14
Views
4K
  • · Replies 7 ·
Replies
7
Views
19K