Short circuit confusion, when is the resistance 0

Click For Summary

Discussion Overview

The discussion revolves around the concept of short circuits in electrical circuits, specifically addressing when the resistance can be considered zero. Participants explore the implications of short circuits on circuit analysis, including the application of the current divider principle and the conditions for resistors being in parallel.

Discussion Character

  • Homework-related
  • Conceptual clarification
  • Debate/contested

Main Points Raised

  • One participant states that in a short circuit, the resistance R=10 ohms is considered to be 0, but questions arise regarding the application of the current divider principle where R1 is not treated as zero.
  • Another participant asks if R1 is in parallel with the short circuit, indicating confusion about the configuration of the circuit components.
  • There is a suggestion that if a resistor is placed between components, it may affect their classification as being in parallel.
  • A later reply emphasizes the importance of understanding the fundamentals of series and parallel connections, suggesting that confusion may arise from misapplying these concepts.
  • Participants discuss the criteria for determining whether components are parallel-connected, focusing on the necessity of a closed path that does not include other components.

Areas of Agreement / Disagreement

Participants express uncertainty regarding the treatment of resistors in short circuits and whether certain configurations qualify as parallel. There is no consensus on the correct interpretation of these concepts.

Contextual Notes

The discussion highlights potential misunderstandings related to circuit configurations and the definitions of series and parallel connections. There are unresolved questions about the application of the current divider principle in the context of short circuits.

Frankenstein19
Messages
56
Reaction score
0

Homework Statement


[/B]
I'm going exercises and I understand that if the circuit is short circuited that R=10 ohm is 0. (Trying to find Thevelin R in all of these btw)
upload_2017-12-7_22-18-11.png

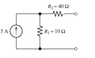
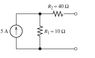
But then I ran across this one where when it's short circuited, isc is found using the current divider principle and it's R1/(R1+r2), why doesn't R1 turn to zero?

upload_2017-12-7_22-18-58.png
 

Attachments

  • upload_2017-12-7_22-18-11.png
    upload_2017-12-7_22-18-11.png
    5.7 KB · Views: 1,900
  • upload_2017-12-7_22-18-44.png
    upload_2017-12-7_22-18-44.png
    1.7 KB · Views: 702
  • upload_2017-12-7_22-18-58.png
    upload_2017-12-7_22-18-58.png
    1.7 KB · Views: 897
Physics news on Phys.org
Frankenstein19 said:
But then I ran across this one where when it's short circuited, isc is found using the current divider principle and it's R1/(R1+r2), why doesn't R1 turn to zero?
Is R1 in parallel with the short?
 
phinds said:
Is R1 in parallel with the short?
Yes...? If there's a resistor in between does that make them stop being in parallel?
 
Frankenstein19 said:
Yes...? If there's a resistor in between does that make them stop being in parallel?
I suggest that you go back and study over and over the fundamentals of series and parallel. You HAVE to get that totally straight before trying ANY circuit problems and you have some confusion.
 
Frankenstein19 said:
Yes...? If there's a resistor in between does that make them stop being in parallel?
Yes. If you can't follow a closed path passing through the two components that does not have to pass through any other component along the way, then they are not parallel-connected. Put another way, if two components are parallel-connected, then you can draw a closed path that passes only through that pair of components.

upload_2017-12-8_10-24-10.png


upload_2017-12-8_10-24-41.png
 

Attachments

  • upload_2017-12-8_10-24-10.png
    upload_2017-12-8_10-24-10.png
    5.8 KB · Views: 1,196
  • upload_2017-12-8_10-24-41.png
    upload_2017-12-8_10-24-41.png
    4.5 KB · Views: 668

Similar threads

Replies
5
Views
4K
  • · Replies 15 ·
Replies
15
Views
3K
  • · Replies 3 ·
Replies
3
Views
2K
  • · Replies 8 ·
Replies
8
Views
2K
  • · Replies 7 ·
Replies
7
Views
2K
  • · Replies 4 ·
Replies
4
Views
2K
  • · Replies 18 ·
Replies
18
Views
3K
  • · Replies 2 ·
Replies
2
Views
2K
  • · Replies 2 ·
Replies
2
Views
4K
  • · Replies 2 ·
Replies
2
Views
2K