Structural mechanics: Distributed forces on a structure

Click For Summary
SUMMARY

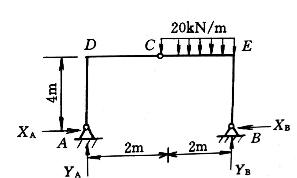
The forum discussion centers on the calculation of distributed forces on a structure, specifically focusing on the variable ##X_A##. Multiple participants report their calculated value for ##X_A## as 5 kN, which deviates from the standard answer. The relevant equations discussed include the equilibrium equation $$\sum m_C=0$$, which is crucial for analyzing moments in structural mechanics. Participants are encouraged to provide detailed workings and plots of moments (M), shear forces (W), and normal forces (N) for a triple hinge structure.

PREREQUISITES
  • Understanding of structural mechanics principles
  • Familiarity with equilibrium equations in mechanics
  • Ability to analyze forces and moments in structures
  • Proficiency in plotting shear and moment diagrams
NEXT STEPS
  • Study the application of the equilibrium equation $$\sum m_C=0$$ in structural analysis
  • Learn how to plot moment (M), shear (W), and normal (N) force diagrams for complex structures
  • Explore the concept of triple hinge structures and their behavior under distributed loads
  • Investigate common discrepancies in calculated forces and standard answers in structural mechanics
USEFUL FOR

Structural engineers, civil engineering students, and professionals involved in analyzing and designing structures under distributed loads.

Kile
Messages
12
Reaction score
0
Homework Statement
What's your result of ##X_A##? I find mine is different from the standard answer.
Relevant Equations
My answer for $$X_A =5 kN$$
Problem Statement: What's your result of ##X_A##? I find mine is different from the standard answer.
Relevant Equations: My answer for $$X_A =5 kN$$

Problem Statement: What's your result of ##X_A##? I find mine is different from the standard answer.
Relevant Equations: My answer for $$X_A =5 kN$$
$$\sum m_C=0$$

Here is a triple hinge, try to plot its M, W, N.
243011
 
Last edited:
Physics news on Phys.org
Show your work
 
Kile said:
Problem Statement: What's your result of ##X_A##? I find mine is different from the standard answer.
Relevant Equations: My answer for $$X_A =5 kN$$

Here is a triple hinge, try to plot its M, W, N. View attachment 243011
Show us the details of what you did.
 

Similar threads

  • · Replies 2 ·
Replies
2
Views
1K
Replies
5
Views
2K
  • · Replies 3 ·
Replies
3
Views
3K
Replies
6
Views
2K
  • · Replies 1 ·
Replies
1
Views
3K
  • · Replies 2 ·
Replies
2
Views
2K
Replies
7
Views
1K
Replies
2
Views
2K
  • · Replies 2 ·
Replies
2
Views
3K
  • · Replies 10 ·
Replies
10
Views
3K