Temperature compensation circuit

  • Context: Engineering 
  • Thread starter Thread starter AHMEDbr
  • Start date Start date
  • Tags Tags
    Circuit Temperature
Click For Summary

Discussion Overview

The discussion revolves around designing a temperature compensation circuit for a Clapp oscillator operating at 150 MHz with a 3.3 V power supply. Participants explore various components and strategies to maintain frequency stability despite temperature variations.

Discussion Character

  • Homework-related
  • Technical explanation
  • Debate/contested

Main Points Raised

  • Participants inquire about suitable temperature compensation circuits for the Clapp oscillator, emphasizing the need for frequency stability under varying temperatures.
  • Some participants mention the impact of temperature on components like JFETs and capacitors, questioning whether temperature coefficients of these components should be considered in the design.
  • One participant suggests using a temperature sensor with a voltage-controlled capacitor for compensation but notes a compatibility issue with the power supply voltage of the proposed sensor.
  • Another participant raises questions about the design targets for temperature stability, acceptable frequency ranges, and the anticipated operating temperature range.
  • There is a suggestion to consider crystal oscillators, but some participants argue that a variable frequency output makes crystal oscillators unsuitable for this application.
  • Participants discuss the potential of crystal-based synthesizer ICs as an alternative but acknowledge that they have not explored this option yet.

Areas of Agreement / Disagreement

Participants express differing views on the best approach for temperature compensation, with no consensus on a specific circuit design or method. The discussion remains unresolved regarding the optimal solution.

Contextual Notes

Participants have not established clear design targets or specifications for temperature stability, and there are unresolved questions about the behavior of the existing circuit over the anticipated temperature range.

AHMEDbr
Messages
16
Reaction score
0

Homework Statement


I am designing a local oscillator ( clapp ) whose frequency needs to be kept constant even with varying temperatures , this oscillator have an output frequency 150 MHZ , and power supply 3.3 V

Homework Equations


which temperature compensation circuit must be used with this oscillator ?

The Attempt at a Solution

 

Attachments

  • clapp oscillator circuit.PNG
    clapp oscillator circuit.PNG
    3.4 KB · Views: 651
Physics news on Phys.org
AHMEDbr said:

Homework Statement


I am designing a local oscillator ( clapp ) whose frequency needs to be kept constant even with varying temperatures , this oscillator have an output frequency 150 MHZ , and power supply 3.3 V

Homework Equations


which temperature compensation circuit must be used with this oscillator ?

The Attempt at a Solution

What are your thoughts? What component values or qualities vary in that circuit with temperature?
 
the JFET and all the others components because I'm working in HF also i will use electrodes in parallel with C3 for measure soil moisture , and the measurement is sensible to temperature variation
 
AHMEDbr said:
the JFET and all the others components because I'm working in HF also i will use electrodes in parallel with C3 for measure soil moisture , and the measurement is sensible to temperature variation
So what are your initial thoughts to be able to do temperature compensation? What-all changes in the FET? Are you supposed to ignore the tempcos of the capacitors and other passives?
 
I don't see any design target for temperature stability. What is an acceptable range for the oscillator frequency?How do you plan on measuring or calculating it?

What's the anticipated operating temperature range? How does your existing circuit behave over that range? (so how much effort do you need to put into make it conform to requirements?)

Would you change the oscillator circuit type if you find that the required compensation is too complex to be practical?
 
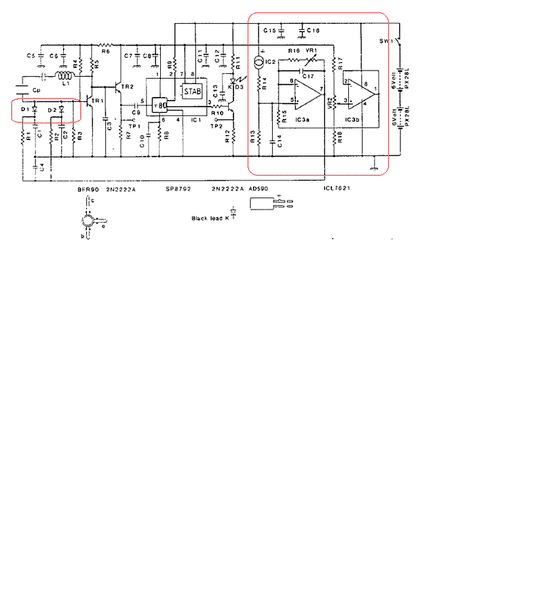
i can use à temperature sensor with a voltage controlled capacitor to compensate temperature , i found in net analog device AD590 but it power supply is +5 V , my circuit power supply is 3.3 V so i must use another temperature sensor
 
below is an example of thermal compensation circuit
 

Attachments

  • AD590.png
    AD590.png
    17.1 KB · Views: 513
Why not just use a crystal oscillator ?
 
because the oscillator will have a variable frequency output , so crystal oscillator is not the best choice
 
  • #10
AHMEDbr said:
because the oscillator will have a variable frequency output , so crystal oscillator is not the best choice
That's what crystal-based synthesizer ICs are for. Have you looked at them yet?
 
  • #11
not yet ...
 

Similar threads

Replies
25
Views
4K
  • · Replies 17 ·
Replies
17
Views
3K
Replies
22
Views
4K
Replies
8
Views
3K
Replies
30
Views
7K
  • · Replies 3 ·
Replies
3
Views
2K
  • · Replies 7 ·
Replies
7
Views
5K
  • · Replies 29 ·
Replies
29
Views
7K
  • · Replies 5 ·
Replies
5
Views
3K
  • · Replies 2 ·
Replies
2
Views
2K