Amplifier circuit driving an 8 Ohm speaker

Click For Summary

Discussion Overview

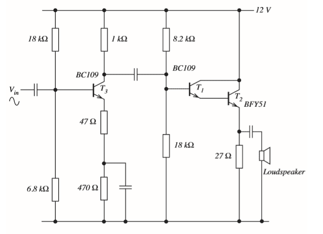
The discussion revolves around estimating the power developed in an 8 Ω speaker driven by an amplifier circuit, specifically analyzing the circuit's behavior with a 1 kHz sinusoidal input signal of 100 mV peak. Participants are comparing their calculations with results from a PSpice simulation, exploring theoretical and practical aspects of the circuit's gain and output power.

Discussion Character

  • Homework-related
  • Technical explanation
  • Debate/contested
  • Mathematical reasoning

Main Points Raised

  • One participant estimates the power in the speaker to be 281 mW based on their calculations, while noting discrepancies with PSpice results showing 245 mW peak and 150 mW rms.
  • Another participant clarifies the gain calculation of the first stage, suggesting that the term "gain" should be used carefully, and questions the values used in the PSpice simulation.
  • A participant introduces the concept of re (emitter resistance) and recalculates the gain of the circuit, arriving at a value closer to the PSpice output.
  • Concerns are raised about missing values for certain parameters (like hoe and hie) in the provided data sheet, affecting the ability to calculate the load on the first stage accurately.
  • Discussion includes the impact of the base bias network on the output voltage and how it relates to the simulation results.
  • Participants express uncertainty about the correct voltage (rms or peak) needed for power calculations.
  • One participant emphasizes that all formulas in electronics are approximations and should be applied considering surrounding conditions.
  • Another participant discusses the importance of the DC operating point and its effect on the gain calculations.

Areas of Agreement / Disagreement

Participants do not reach a consensus on the exact values for gain and power output, with multiple competing views on the calculations and assumptions made. The discussion remains unresolved regarding the influence of various parameters on the circuit's performance.

Contextual Notes

Limitations include missing assumptions about component values, the dependence on the specific definitions of gain, and unresolved discrepancies between theoretical calculations and simulation results.

zsolt2
Messages
19
Reaction score
2

Homework Statement


Hi all.
I need a bit help with the following.
Estimate the power developed in the 8 Ω speaker of the circuit of FIGURE 2 for a 1 kHz sinusoidal input signal of 100 mV peak. All capacitors may be assumed to act as a short circuit at the frequency of operation.
Compare your estimate with that derived from a PSpice simulation.
(I uploaded a picture of the circuit)

Homework Equations


Gv common emitter= Rc/Re , Gv emitter follower ~1 , power developed (Vrms^2)/R

The Attempt at a Solution


The gain of the first stage(common emitter):
as the 47 ohm resistor is not bypassed the gain becomes 0.1x1000/47=2.127V
As the question is only wants an estimate the second stage (emitter folower) can be estimated to have a gain of 1. So the peak voltage in the speaker is ~2.127V
to get the power developped I need the rms voltage which is 1.5V
and the power is 1.5^2 /8 =0.281= 281mW
But when I look at the PSpice simulation it differs:
the voltage by the output of the first stage is ~1.5V and the voltage in the speaker is a peak ~1.4
and the power developed in it is 245mW peak and 150mW rms
Can you help me where am I wrong?
Thank you!
 

Attachments

  • Capture.PNG
    Capture.PNG
    7.5 KB · Views: 831
Physics news on Phys.org
zsolt2 said:
The gain of the first stage(common emitter):
as the 47 ohm resistor is not bypassed the gain becomes 0.1x1000/47=2.127V
As the question is only wants an estimate the second stage (emitter folower) can be estimated to have a gain of 1. So the peak voltage in the speaker is ~2.127V
to get the power developped I need the rms voltage which is 1.5V
and the power is 1.5^2 /8 =0.281= 281mW
I agree with this approach, but be careful not to call 0.1x1000/47 the "gain" of the first stage. The "gain" of the first stage is -1000/47, and you have multiplied by the peak input voltage to get the peak output voltage. Your calculation is okay, I would just call it the calculation of the peak output voltage of the first stage. The "-" sign is not important in this problem, so maybe that's why you omitted it.

As for the simulation, since PSPICE does not have "ideal" capacitors as elements, what values did you use for the capacitors? I'm guessing that's why you are getting a lower gain out of the simulation. Can you check the gain through the first stage to see if it's -1000/47 as expected?
 
Last edited:
  • Like
Likes   Reactions: zsolt2
Thanks for your answer. I remembered that I forget to add re to the equation which is hie/hfe.
(a data sheet was given to this assessment).
For this transistor hie=5.5kohm and hfe=370
so re= 5500/370=14.86
The gain of the circuit is then 1000/(47+14.86)=16.16
So the output signal of the first stage is
0.1x16.16=1.619V
Using the same assumption as before for the emitter follower stage gain ~1
Peak voltage in speaker is ~1.616V
That is much closer to the PSpice one and I assumed that the emitter follower has unity gain which is more likely to be around 0.9
The only thing I am not sure now is that the rms voltage or the peak voltage needed to be to calculate the power?
I can't remember the capacitor values exactly but if I am right
Input capacitor for the first stage is 10uF
Bypass capacitor 200uF
The capacitor joining the stages 10uF
And the output capacitor is 100uF
 
Oh and the gain of the common emitter stage in the PSpice circuit is 15
 
More things to consider:
Load on the first stage (it is driving more than just the collector resistor)
hoe of 1st stage
Emitter resistance of the output stage
 
  • Like
Likes   Reactions: berkeman and zsolt2
Thanks for your answer.
I know what you mean by that, but the data sheet I was given to the assignment doesn't contain the value oh hoe, nor the hie of the BFY51 transistor (the second one, hie2), so I am unable to calculate the load on the first stage as the hie of the combine transistors is hfe1 x hie2. For the same reason I cannot calculate the exact gain of the emitter follower.
As the assignment only asks for an estimate I assumed that hoe is very large and can be ignored (used this assumption through the module) and also that the emitter follower stage has unity gain
 
zsolt2 said:
the data sheet I was given to the assignment doesn't contain the value oh hoe, nor the hie of the BFY51 transistor (the second one, hie2), so I am unable to calculate the load on the first stage
Ok, fair enough. The hoe only contributes a few percent error. What about the base bias network for the second stage?
 
zsolt2 said:
I know what you mean by that, but the data sheet I was given to the assignment doesn't contain the value oh hoe, nor the hie of the BFY51 transistor (the second one, hie2), so I am unable to calculate the load on the first stage as the hie of the combine transistors is hfe1 x hie2.
Is a better model available for PSPICE for this transistor? If not, how about just using a jellybean NPN transistor that could be used in this application? (like a 2N3904)
 
berkeman said:
Is a better model available for PSPICE for this transistor? If not, how about just using a jellybean NPN transistor that could be used in this application? (like a 2N3904)
No, I can't use any other model
 
  • #10
Tom.G said:
Ok, fair enough. The hoe only contributes a few percent error. What about the base bias network for the second stage?
The 8.2 and18 k resistors are forming a pot divider:
12x 18000/(8200+18000)=8.244V at Vb
Ther is about 1.4V drop in the Darlington pair,
so volt across 27ohm resistor
8.244-1.4=6.84V
So the output voltage is
12-6.84=5.16
In the simulation it comes out to 6.12V
But I don't know how does it help me?
 
  • #11
zsolt2 said:

Homework Equations


Gv common emitter= Rc/Re ,

The Attempt at a Solution


The gain of the first stage(common emitter):
as the 47 ohm resistor is not bypassed the gain becomes 0.1x1000/47=2.127V

1) At first, a general remark:
In electronics, no formula is correct by 100% because we always neglect some minor influences. Hence, each expression is an approximation which - more or less - for a specific application can be regarded as sufficiently exact. That means: Applying a formula, we must be sure that the "surrounding conditions" allow the usage of the formula.

2) Your circuit: For the common emitter stage you have used the expression G=-Rc/Re .
What will happen for Re=0? G approaching infinity ? No - of course not!
Are you aware that this rough approximation may be used only under the condition Re>>1/gm ?
Here is the "exact" gain expression: G=-Rc/[(1/gm)+Re].

I think, in your case, the inverse transconductance 1/gm=Vt/Ic must not be neglected against Re=47 ohm.
Hence, as a first step it is necessary to find the DC quiescent current Ic.
This will be one reason for the discreapency between your calculation and Simulation.

Remark: Of course, during calculaton you have to consider the fact that the first stage is loaded by the second stage (the input resistance of the 2nd stage is in parallel to Rc)
 
Last edited by a moderator:
  • #12
Sorry I put the wrong formula in the equations box
I used Gv=-Rc/(Re+re)
Where re is hie/hfe in this case
5500/370
Is that sounding better?
 
  • #13
zsolt2 said:
Where re is hie/hfe in this case
5500/370

Where are these values coming from? Do you know the DC operating point (Ic) ?
 
  • #14
LvW said:
Where are these values coming from? Do you know the DC operating point (Ic) ?
There is a data sheet given to the assignment that's where I got hie and hfe
 
  • #15
zsolt2 said:
There is a data sheet given to the assignment that's where I got hie and hfe

But hie strongly depends on the actual DC operating point...

My calculation: Ic~5.5mA re=Vt/Ic~4.7 ohms
Gain of the first stage (second stage connected): G=850/(47+4.7) ~ 16.4
(Simulation 16.3)
 
Last edited:
  • Like
Likes   Reactions: zsolt2
  • #16
LvW said:
But hie strongly depends on the actual DC operating point...

My calculation: Ic~5.5mA re=Vt/Ic~4.7 ohms
Gain of the first stage (second stage connected): G=850/(47+4.7) ~ 16.4
(Simulation 16.3)
My calculation shows 16.16 which is a good estimation (although it could be a coincidence and the equation I used wrong)
How did you calculate the input impedance of the second stage?
The only equation I know to get it is
Rb||(hie+Roc(1+hfe))
Where Rb=8.2k||18k and Roc=27||8
But hie is not given for the second transistor and the equation to calculate it is not in the module?!? Also what is Vt in your calculation?
 
  • #17
I never thought I'd agree with LvW, but his point 1 is central to any circuit calculation for me.
Where of course I depart from him, is in his point 2. As he himself notes, even the "exact" formulae are subject to point 1 again. You can get iteratively better as you put in more effort to the calculation. But isn't that what programs like Spice are for?

When I read "estimate", I did just that. After scanning the cct to see that it is a very basic, almost idealised, cct, I agreed with OP's basic formula.

So Rc about 1k and unbypassed Re 47 R, both presumably ± 10% or even 20%, gives a gain of 20+ and the emitter follower 1-, for an overall gain of 20 give or take.
That's convenient because Vp = 2 V gives (Vr)2 = 2 V2 and so P = 2/8 = 250 mW

That's what I think of as estimating.

I'm amazed to find that PSpice gave 281 mW, only 12.4% higher. I'd have been happy with anything from 200 - 300 mW.

Would we expect the real cct to be much closer to the PSpice value? (Not rhetorical. I don't use Spice myself, so I wonder how it works out in practice.)
 
  • Like
Likes   Reactions: zsolt2
  • #18
The calculation of the actual DC current Ic for the first stage is based on two unknown (and only estimated) parameters (Vbe=0.7 V and beta=Ic/Ib).
Therefore, it makes no sense (and is good engineering practice) not to be as exact as possible for the second stage.
Hence, I have used only the resistive voltage divider (18k||8k) for the 2nd stage input resistance.
I think, for an emitter follower this is a sufficient approach.
(By the way: In your formula, the parameter hfe is the current gain for the Darlington combination, which is the product hfe1*hfe2.)
 
Last edited:
  • Like
Likes   Reactions: zsolt2
  • #19
Merlin3189 said:
I never thought I'd agree with LvW, ..

To me, this sounds surprising.
May I kindly ask you to explain, why you didn`t expect to agree with me in some respect?

Merlin3189 said:
Where of course I depart from him, is in his point 2.

Of course ? I think, this statement deserves some explanations.
I have quoted the well-known gain expression for the common emitter stage with feedback - as can be found in each relevant textbook.
Something wrong?
I kindly ask you again to explain why you "depart" from me in this respect.
Let me explain my position:
As soon as I see that the transistor has an effective feedback resistor, I use the formula which includes the feedback effect, of course.
And only as a second step I can decide (after having evaluated its influence on the gain value) if it makes sense to consider the inverse transconductance re=1/gm or not.
In my answer, I have stated that this rough approximation (Rc/Re) may be used only under the condition Re>>1/gm ?
And you cannot follow me? Are you able to see from the beginning if this condition can be met or not ?
Are you aware that - for a Dc current Ic=1mA - the term you propose to neglect would be app. 50% of the effective feedback resistor?
Are you really able to see by a simple visual inspection of the circuit that the DC current will be larger than 5 mA?
Please tell me, what is wrong with my approach?
Thank you.
 
Last edited:
  • #20
Thank for all of your help!
 
  • #21
Yes, of course (again!) you (LvW) can ask.
I would not expect to agree with you. It's not intended as a criticism, but a difference between our approaches, since your knowledge of these things is MUCH greater than mine. Whereas you can, and often do, use exact equations to analyse circuits, I as an amateur in these things am accustomed to rules of thumb and rough and ready calculations.
As I said, I saw this question as asking for a simple analysis, then an appreciation of the factors that a more detailed calculation by Spice can take into account.

The second "of course" about departing from your point 2, is really the same. You see his answer and start applying much more careful analysis to try to get closer to the Spice model result. I just thought, yes, he's used a fair approximation and got an answer which is near enough.
I don't depart from your analysis, I depart because I wouldn't have bothered to do it.

So I'm not saying your analysis is wrong. On the contrary I am interested to follow your working (sometime I might want to do more thorough analyses) and you have not said anything I would disagree with. Indeed I was struck by the low value you showed for re of ≈ 4.7 R, because even if I'd made a correction for this, I'd have guessed (see why we differ!) a rather higher value (and been v.wrong!) So
LvW said:
Are you aware that - for a Dc current Ic=1mA - the term you propose to neglect would be app. 50% of the effective feedback resistor?
* absolutely yes! At least, I am now you've reminded me.
Since the figure I would have guessed for re would have been that size, I can't see why it didn't strike me as worth worrying about at the time. I can only say that I was trying to get a rough idea of what was going on, and when the result came out near enough (for my poor standards) to what was wanted, I didn't bother to think about any more careful work.

*(Though, just as I might have done, you've taken a different value of standing current (1 mA instead of the 5.5 mA used in the cct) just to emphasise your point! And there would be an interesting conversation to have about the variation of gain with emitter current and how it affects the stage gain, if only I dared enter into such a discussion.)

So I apologise if I offended you.
My comment was just a light-hearted, flippant allusion to our past disagreement (on models vs reality), which has always detered me from joining any further discussions where you are posting.
I only risked it this time, because I thought your point 1 was relevant and well made. I should have stuck at that and maybe just given your post a like.
 
  • #22
Merlin3189...thank you for your reply and the detailed explanation of your position.
Indeed, you have clarified a misunderstanding ...and that`s, finally, a good news.
Thank you
LvW
 
  • #23
zsolt2 said:
Thanks for your answer. I remembered that I forget to add re to the equation which is hie/hfe.
(a data sheet was given to this assessment).
For this transistor hie=5.5kohm and hfe=370
so re= 5500/370=14.86
The gain of the circuit is then 1000/(47+14.86)=16.16
So the output signal of the first stage is
0.1x16.16=1.619V
Using the same assumption as before for the emitter follower stage gain ~1
Peak voltage in speaker is ~1.616V
That is much closer to the PSpice one and I assumed that the emitter follower has unity gain which is more likely to be around 0.9
The only thing I am not sure now is that the rms voltage or the peak voltage needed to be to calculate the power?
I can't remember the capacitor values exactly but if I am right
Input capacitor for the first stage is 10uF
Bypass capacitor 200uF
The capacitor joining the stages 10uF
And the output capacitor is 100uF
Hi all,

Sorry to resurrect a thread, one thing, why is the formula used Gv=-Rc/(Re+re) ?

In the learning materials supplied I can only find ones stating that gain is simply Gv=-Rc/Re ?
 
  • #24
Gv=-Rc/Re is a simplification of Gv=-Rc/(Re+re) and is generally 'Close Enough' for Emitter currents above 10-20mA and there is an Emitter resistor is in the circuit.

For instance, using the simplification, what is the gain if there is not an Emitter resistor?

re varies with Emitter current, and for Silicon transistors re≅40/IEmA,
for Germanium transistors re≅26/IEmA.

Cheers,
Tom
 
  • Like
Likes   Reactions: Merlin3189
  • #25
Tom.G said:
Gv=-Rc/Re is a simplification of Gv=-Rc/(Re+re) and is generally 'Close Enough' for Emitter currents above 10-20mA and there is an Emitter resistor is in the circuit.

For instance, using the simplification, what is the gain if there is not an Emitter resistor?

re varies with Emitter current, and for Silicon transistors re≅40/IEmA,
for Germanium transistors re≅26/IEmA.

Cheers,
Tom
Hi Tom, thanks for the reply.

I see that makes sense that it is just further approximation.
Out of interest without: -21.27659574 and with -16.16426387. Seems like quite a large difference?

I realize the discussion above but just wanted to gain some clarity on the full methodology:

So if I have gain as -16.164 then I can use this to find the voltage from the first stage e.g. 16.164*0.1=1.6164V​
Assuming second stage emitter follower has a gain of 1​
Peak voltage in the speaker in 1.6164V and RMS of 1.1430V​
So peak and RMS powers are V2/R for both so 326mW peak power and 163mW RMS power.​
This seems quite far off from the estimation found by @Merlin3189 below.
Is this due to the approximation nature of the formulas or have i tripped up somewhere in trying to interpret this thread?
Merlin3189 said:
250 mW

That's what I think of as estimating.

I'm amazed to find that PSpice gave 281 mW, only 12.4% higher.
 
  • #26
Hmm... I think we used different Emitter currents in the 1st stage; yours may be a bit more accurate. I used the Base bias network without accounting for the Base current. That could account for 12% difference in re.

I did a quick-'n-dirty calc and came up with either 207mW or 283mW:
1st stage:
IE = 5.0mA

re = 8
Gain = 18.2
Vout = 1.82V peak, 1.29V rms
Pout @ 8Ω = 207mW

re = 0
Gain = 21.3
Vout = 2.13V peak, 1.5V rms
Pout @ 8Ω = 283mW

Accounting for Base bias current:
IE = 4.45mA
re = 9
Gain = 17.9
Vout = 1.79 peak, 1.26V rms
Pout @ 8Ω = 199mW

Close enough for me!
That's why we use simulators like LTSpice to account for all the variations. Much easier.
If you really want to track down any diffrences, please show ALL you calculations.

Cheers,
Tom
 
  • Like
Likes   Reactions: Merlin3189
  • #27
Tom.G said:
Hmm... I think we used different Emitter currents in the 1st stage; yours may be a bit more accurate. I used the Base bias network without accounting for the Base current. That could account for 12% difference in re.

I did a quick-'n-dirty calc and came up with either 207mW or 283mW:
1st stage:
IE = 5.0mA

re = 8
Gain = 18.2
Vout = 1.82V peak, 1.29V rms
Pout @ 8Ω = 207mW

re = 0
Gain = 21.3
Vout = 2.13V peak, 1.5V rms
Pout @ 8Ω = 283mW

Accounting for Base bias current:
IE = 4.45mA
re = 9
Gain = 17.9
Vout = 1.79 peak, 1.26V rms
Pout @ 8Ω = 199mW

Close enough for me!
That's why we use simulators like LTSpice to account for all the variations. Much easier.
If you really want to track down any diffrences, please show ALL you calculations.

Cheers,
Tom

Hi Tom, Thanks for the reply!

Sorry how did you get the first stage IE without ß as you would be unable to use Ib = (Vcc-Vbe)/(Rb-(ß+1)Re) ?

The calculation I completed is as follows:

I used Av (voltage gain) so used Av=-Rc/(Re+re') where re' = Hie/Hfe
so that would be Av=-1000/(47+(5500/370) = -16.16426387
And as before:
I then have a gain of -16.164 then I can use this to find the voltage from the first stage e.g. 16.164*0.1=1.6164V
Assuming second stage emitter follower has a gain of 1
Peak voltage in the speaker in 1.6164V and RMS of 1.1430V
So peak and RMS powers are V2/R for both so 326mW peak power and 163mW RMS power.

This is far more inaccurate than your calculation, would be interested in how you went about it.

Thanks Tom!
Jason
 
  • Like
Likes   Reactions: Tom.G
  • #28
Jason-Li said:
Sorry how did you get the first stage IE without ß as you would be unable to use Ib = (Vcc-Vbe)/(Rb-(ß+1)Re) ?
As I said, "quick-'n-dirty."

I used an hfe of 100, whereas the datasheet shows between 125 and 900. I calculated the Base voltage divider, then the Emitter voltage, the Emitter current (4.45mA), divided by 100 (hfe) to find Base current which was about 10% of the divider current; at that point I figured 10% was "Close Enough" for a quick calculation and proceeded.

The major difference is instead of using re = (5500/370) = 14.9Ω,
I used re = 40/Ie = 40/4.45 = 9Ω

Gain = 1000/(47+14.9) ≅ 16.16 (your values 14.9Ω = re = (5500/370) )
Gain = 1000/(47+9) ≅ 17.86 (my values 9Ω = re = 40/Ie = 40/4.45)

Please note:
hie is the small signal, AC, Base Input Resistance at a specified Collector current, and it is inversly related to Collector current. Its value can vary by a factor of 9 over the operating range. See figure 13 at: https://www.onsemi.com/pdf/datasheet/2n3903-d.pdf

As such, calculating signal resistance from dividing Resistance by current Gain is problematic. Especially when the Collector current differs from the datasheet value!

Cheers,
Tom
 
  • Like
Likes   Reactions: Jason-Li
  • #29
Tom.G said:
As I said, "quick-'n-dirty."

I used an hfe of 100, whereas the datasheet shows between 125 and 900. I calculated the Base voltage divider, then the Emitter voltage, the Emitter current (4.45mA), divided by 100 (hfe) to find Base current which was about 10% of the divider current; at that point I figured 10% was "Close Enough" for a quick calculation and proceeded.

The major difference is instead of using re = (5500/370) = 14.9Ω,
I used re = 40/Ie = 40/4.45 = 9Ω

Gain = 1000/(47+14.9) ≅ 16.16 (your values 14.9Ω = re = (5500/370) )
Gain = 1000/(47+9) ≅ 17.86 (my values 9Ω = re = 40/Ie = 40/4.45)

Please note:
hie is the small signal, AC, Base Input Resistance at a specified Collector current, and it is inversly related to Collector current. Its value can vary by a factor of 9 over the operating range. See figure 13 at: https://www.onsemi.com/pdf/datasheet/2n3903-d.pdf

As such, calculating signal resistance from dividing Resistance by current Gain is problematic. Especially when the Collector current differs from the datasheet value!

Cheers,
Tom
Ah I see, I find it strange that you managed to assume hfe of 100 and reach a closer answer than mine when I used the values given with the question (below), not sure how my value is further off than yours?

1635656142173.png

So after finding the gain of the first stage (16.16 in mine and 17.86 for yours) how do you then get to a gain of 21.3 to then achieve the 283mW for the second stage? I assumed an emitter follower could just be considered to have a gain of 1?
 
  • #30
Jason-Li said:
Ah I see, I find it strange that you managed to assume hfe of 100 and reach a closer answer than mine when I used the values given with the question (below), not sure how my value is further off than yours?
I didn't go back and read the whole thread, I used a datasheet I found on-line for the BC109 transistor, which had slightly different values (probably a different manufacturer since the page formats were different).
Jason-Li said:
So after finding the gain of the first stage (16.16 in mine and 17.86 for yours) how do you then get to a gain of 21.3 to then achieve the 283mW for the second stage? I assumed an emitter follower could just be considered to have a gain of 1?
If you look at post #26, you will see there are three separate calculations, with successivly finer detail. You are mixing numbers from different calcs.

The first solution of 283mW had a 'first order approximation' ignoring both Base bias loading and re.

The last solution of 199 mW included both Base bias loading and re.

If you want further confusion see post #5, there are other things still left out.

And for some caveats see post #11.

I think this has been beaten to death at this point.

I hope the discussions/conclusions have helped with a better understanding of the pitfalls of circuit design. For instance if this was a design for production the tolerance of all the components must be considered, to insure that most of the assemblies would meet the minimum requirements. If you are experimenting at home you can either decide you are 'close enough' or change some values to get closer. :oldwink:

Have Fun!

Cheers,
Tom
 
  • Like
Likes   Reactions: Merlin3189

Similar threads

  • · Replies 7 ·
Replies
7
Views
2K
Replies
1
Views
2K
  • · Replies 1 ·
Replies
1
Views
3K
  • · Replies 3 ·
Replies
3
Views
3K
  • · Replies 1 ·
Replies
1
Views
3K
  • · Replies 1 ·
Replies
1
Views
2K
  • · Replies 3 ·
Replies
3
Views
2K
  • · Replies 1 ·
Replies
1
Views
4K
  • · Replies 1 ·
Replies
1
Views
2K
  • · Replies 5 ·
Replies
5
Views
3K