Thevenin voltage and resistance

Click For Summary
SUMMARY

The discussion focuses on calculating the Thevenin voltage (Vt) and Thevenin resistance (Rt) in a circuit analysis problem. To determine Vt, one must compute the open circuit voltage across terminals a and b. For Rt, the resistance can be found by either calculating the current through a short circuit at the output or by observing the resistance seen at the terminals with the battery replaced by a short circuit. These methods provide a clear approach to solving Thevenin equivalent circuits.

PREREQUISITES
  • Understanding of Thevenin's theorem
  • Basic circuit analysis techniques
  • Familiarity with voltage and current calculations
  • Ability to interpret circuit diagrams
NEXT STEPS
  • Study Thevenin's theorem applications in circuit design
  • Learn about open circuit voltage calculations
  • Explore short circuit analysis for resistance determination
  • Practice with circuit simulation tools like LTspice or Multisim
USEFUL FOR

Electrical engineering students, circuit designers, and anyone involved in circuit analysis or troubleshooting.

yoamocuy
Messages
37
Reaction score
0

Homework Statement


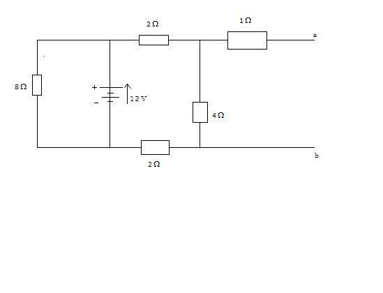
Calculate the Thevenin voltage Vt and the Thevenin resistance Rt.



Homework Equations


V=(Vt*R)/(Rt+R)

I=Vt/(Rt+R)


The Attempt at a Solution


I'm thinkin that my R is 1 ohm but I can't figure out how to simply the rest of the resistors to get Rt. If I can get Rt, then I can solve for Vt. Is my thinking correct or am I completely off? I've attached a picture of the diagram. Any input would be great, thanx.
 

Attachments

  • Untitled.jpg
    Untitled.jpg
    5.5 KB · Views: 395
Physics news on Phys.org
The resistor across the battery is not part of the problem. Someone's little joke.

To get the Thevenin voltage, work out the open circuit voltage across the terminals a and b.

To get the Thevenin resistance, calculate the current that would flow if you short circuited the output. Then divide the Thevenin voltage by this current to get the Thevenin resistance.

Alternatively, you can "look" into the terminals and replace the battery with a short circuit. The resistance you "see" when you do this is the Thevenin resistance.
 

Similar threads

  • · Replies 12 ·
Replies
12
Views
3K
  • · Replies 10 ·
Replies
10
Views
4K
Replies
2
Views
2K
  • · Replies 1 ·
Replies
1
Views
2K
  • · Replies 17 ·
Replies
17
Views
3K
  • · Replies 42 ·
2
Replies
42
Views
7K
  • · Replies 4 ·
Replies
4
Views
2K
  • · Replies 5 ·
Replies
5
Views
3K
  • · Replies 18 ·
Replies
18
Views
3K
  • · Replies 5 ·
Replies
5
Views
2K