Trouble Understanding How to Apply Kirchhoff's Laws

  • Thread starter Thread starter gibberingmouther
  • Start date Start date
  • Tags Tags
    Apply Laws
Click For Summary

Homework Help Overview

The discussion revolves around applying Kirchhoff's Laws to a circuit problem involving resistors and a battery. The original poster expresses difficulty in determining the currents through each resistor and the associated voltage drops, indicating a need for clarification on circuit analysis methods.

Discussion Character

  • Exploratory, Assumption checking, Problem interpretation

Approaches and Questions Raised

  • Participants discuss breaking the circuit into loops and the relationships between voltage and current in resistors. Questions arise regarding the configuration of resistors in parallel and series, as well as the implications of these configurations on current and voltage calculations.

Discussion Status

Some participants have offered insights into the relationships between resistors, while others are clarifying misunderstandings about parallel and series connections. There is an ongoing exploration of the correct application of circuit laws, with no explicit consensus reached yet.

Contextual Notes

The original poster mentions the absence of specific values for the components, which may be impacting their ability to solve the problem effectively. Additionally, there is a reference to the expectations of the professor regarding the method to be used, which remains unclear.

gibberingmouther
Messages
120
Reaction score
15
Homework Statement
Finding currents through resistors
Relevant Equations
R(eq. parallel) = (1/R1 + 1/R2 + …)^-1 and R(eq. series) = (R1 + R2 + …) and E=IR
I'm taking a break from music for a few days because I do that sometimes, and it's like a rule for me, and I usually listen to music when doing my physics homework. I'm realizing I have a little more trouble without that boost I get. But it could also be that what I'm trying to do is hard. I think I really need to work on circuit solving if I want to get a B in this class.

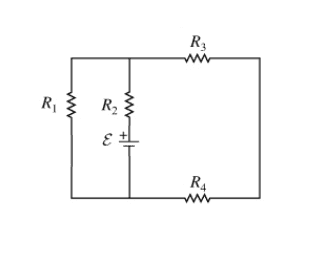
The specific circuit I was having trouble with is:
241054

I don't think I need to include the specific values, but the battery voltage and the resistance values for each resistor are given.

I tried breaking the circuit up into loops, but that doesn't seem to work very well. The problem asks what the currents going through each resistor are. I don't know how to find those values or the voltage drops.

I guess I can find the voltage drops if I can find the currents - because they would just be the currents times the given resistances, right? R34 is in parallel with R2 and R234 is in parallel with R1. So V34 = V2 and V234 = V1? Is V134 = V2?

Is I3 = I4 = I(eq.) for the entire circuit?

If somebody could help me understand how to apply E = IR along with the rules for parallel and series circuits that would help immensely.
 
Physics news on Phys.org
There are serveral methods to solve this problem. Perhaps it is better to know which method your professor expects you to use. Is it mentioned in the problem statement?

Also, it will be easier to work it out with the given component values instead of using variable names.
 
gibberingmouther said:
The specific circuit I was having trouble with is:
View attachment 241054
I don't think I need to include the specific values, but the battery voltage and the resistance values for each resistor are given.

I tried breaking the circuit up into loops, but that doesn't seem to work very well. The problem asks what the currents going through each resistor are. I don't know how to find those values or the voltage drops.

I guess I can find the voltage drops if I can find the currents - because they would just be the currents times the given resistances, right? R34 is in parallel with R2 and R234 is in parallel with R1. So V34 = V2 and V234 = V1? Is V134 = V2?

No, R34 (the series equivalent of R3 and R4 ) is not parallel with (Edit:)R2. Two resistors are connected in parallel if they have two pairs of terminals in common, but one terminal of R2 is connected to the positive terminal of the source.
But R1 is parallel with R34.
241064


The red dot is common for all the tree resistors, but the blue one is common for R1 and R34 only.

gibberingmouther said:
Is I3 = I4 = I(eq.) for the entire circuit?
No
 
Last edited:
ehild, you said that R34 is not in parallel with R1 but R1 is in parallel with R34? Is that what you meant to say? My understanding was that if two resistors are in parallel, then they are in parallel to each other. Did you mean to say R2 is in parallel with R34?
 
gibberingmouther said:
ehild, you said that R34 is not in parallel with R1 but R1 is in parallel with R34? Is that what you meant to say? My understanding was that if two resistors are in parallel, then they are in parallel to each other. Did you mean to say R2 is in parallel with R34?
Sorry, I meant R34 is not parallel with R2.
 
  • Like
Likes   Reactions: gibberingmouther
I had trouble for awhile, but I think I get it now thanks to an electronics site I found and the hints on Pearson. I just need to do some practice problems so I'm less likely to make mistakes when I take the final exam, because solving these circuits sometimes involves a lot of steps and algebra.

Figuring out how to do this is so far the hardest thing I've done in my two physics courses, even though the rules you're supposed to use seem so simple. I've had an easier time with complicated formulas that use calculus than with solving circuits.
 

Similar threads

  • · Replies 8 ·
Replies
8
Views
2K
  • · Replies 3 ·
Replies
3
Views
2K
Replies
3
Views
2K
  • · Replies 8 ·
Replies
8
Views
2K
  • · Replies 10 ·
Replies
10
Views
3K
  • · Replies 18 ·
Replies
18
Views
3K
Replies
2
Views
6K
  • · Replies 16 ·
Replies
16
Views
3K
Replies
4
Views
2K
  • · Replies 4 ·
Replies
4
Views
2K