Analyzing a circuit with a current dependent voltage source

Click For Summary

Discussion Overview

The discussion revolves around analyzing a circuit that includes a current dependent voltage source. Participants are attempting to determine the voltages at specific nodes (v2 and v3) using techniques such as Kirchhoff's Current Law (KCL) and mesh analysis. The focus is on resolving discrepancies between calculated and expected values.

Discussion Character

  • Technical explanation
  • Debate/contested
  • Homework-related
  • Mathematical reasoning

Main Points Raised

  • One participant expresses frustration with their calculations, noting that their results for v3 (696V) are significantly different from the expected value (80V).
  • Another participant suggests that only two equations are needed to solve the circuit and points out the presence of a supernode, indicating that V1 is known to be 50V.
  • A participant acknowledges the relevance of the supernode concept but expresses uncertainty about its application beyond parallel configurations.
  • One participant proposes using nodal analysis and provides equations derived from KCL for the supernode, indicating the currents entering and leaving the node.
  • Another participant reiterates the importance of treating V2 and V3 as a single supernode and suggests simplifying the analysis by shorting the current dependent voltage source.

Areas of Agreement / Disagreement

Participants do not reach a consensus on the best approach to analyze the circuit, with differing opinions on the use of supernodes and the sufficiency of equations needed for the solution.

Contextual Notes

Some participants mention the need for additional equations and the implications of not treating certain variables correctly, but these points remain unresolved. The discussion reflects a variety of approaches and assumptions regarding circuit analysis techniques.

Evales
Messages
53
Reaction score
0
Hey guys,

I'm trying the analyze a circuit, I have the answers I should be getting but they're way off what I'm getting when I'm trying to work it out.

I think I might be approaching it from the wrong angle, does anyone have any suggestions as to where I might start.

I'm trying to find v3 and v2 (the 2nd and 3rd nodes).

At the moment I'm doing the KCL for each node, and getting three equations with all the node voltages as well as the currents through the voltage source and the current dependent voltage source as variables.

I then do the mesh analysis which I substitute into the original equations, which has given me some pretty crazy answers. The latest being:
v3=696V

v3 is supposed to be 80V!

It's driving me insane, and the way I'm doing it means it takes me an hour to redo it everytime.

Any help would be much appreciated.
 

Attachments

  • Circuit1-4.jpg
    Circuit1-4.jpg
    31.4 KB · Views: 537
Physics news on Phys.org
Thanks! I thought it would have something to do with a supernode but we've only done them in parallel, I wasn't sure it would still apply.

Also in my last three tries I let v1= 50V, but this time I didn't. Clearly time to head to bed lol.

Thanks again.
 
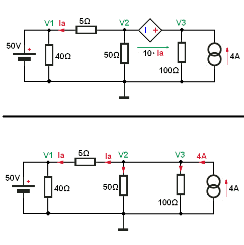
Look at my solution.
We have a one supernode, and this means that we treat V2 and V3 as a one supernode.
We short CCVS and use nodal analysis.

attachment.php?attachmentid=45849&stc=1&d=1333469734.png


Now we write KCL for our supernode, 4A current source entering node and remaining currents leaving the node.

4A = V3/100Ω + V2/50Ω + (V2 - 50V)/5Ω (1)

And one additional equation

V3 - V2 = 10*Ia (2)

And that's the only think we need to solve this circuit.
 

Attachments

  • 22.PNG
    22.PNG
    5.2 KB · Views: 640

Similar threads

Replies
15
Views
3K
  • · Replies 1 ·
Replies
1
Views
2K
  • · Replies 10 ·
Replies
10
Views
4K
Replies
3
Views
3K
  • · Replies 37 ·
2
Replies
37
Views
7K
  • · Replies 10 ·
Replies
10
Views
6K
Replies
1
Views
2K
  • · Replies 5 ·
Replies
5
Views
2K
  • · Replies 9 ·
Replies
9
Views
6K
  • · Replies 7 ·
Replies
7
Views
3K