Basic Radio Questions -- Oscillators, Mixers and Modulators

Click For Summary

Discussion Overview

The discussion revolves around the concepts of oscillators, modulation, and the roles of mixers in radio technology. Participants explore the nature of carrier waves, the process of modulation, and the distinctions and similarities between radio mixers and modulators. The scope includes theoretical and technical explanations related to radio frequency (RF) applications.

Discussion Character

  • Exploratory
  • Technical explanation
  • Debate/contested
  • Mathematical reasoning

Main Points Raised

  • Some participants propose that a carrier wave is generated by an oscillator circuit that produces a pure sinusoidal wave at a constant frequency.
  • Others argue that modulation modifies the carrier wave to encode audio signals through amplitude or frequency modulation.
  • There is uncertainty regarding the differences between a radio mixer and a modulator, with some participants expressing confusion over the definitions.
  • One participant notes that frequency mixers can also modulate carrier signals in radio transmitters and highlights the process of heterodyning.
  • Several participants discuss the mathematical relationship between amplitude modulation and frequency mixing, suggesting that both involve multiplication of signals, though the specifics differ.
  • Some participants clarify that true multipliers are not practical at higher RF frequencies, and non-linear devices like diodes are often used instead.
  • There is a debate about whether frequency mixing can be achieved with passive components, with some insisting that non-linearity is necessary for frequency conversion.
  • Participants share personal experiences with various mixer designs, including diode bridges and dual-gate MOSFETs, and discuss their operational principles.
  • One participant emphasizes that frequency mixing results in sum and difference frequencies, which they argue is fundamentally a multiplication process.
  • Another participant challenges this view by questioning the multiplication of frequencies versus the multiplication of sine waves in practical applications.

Areas of Agreement / Disagreement

Participants express a range of views on the nature of modulation and mixing, with no consensus reached on the definitions and operational principles of mixers versus modulators. The mathematical relationships discussed also remain contested, with differing opinions on the role of multiplication in these processes.

Contextual Notes

Participants acknowledge limitations in their understanding of the technical distinctions and mathematical formulations involved in modulation and mixing, indicating a reliance on various sources for clarification.

revv
Messages
55
Reaction score
9
1 - Is a carrier wave always made by some kind of oscillating/oscillator circuit?

2 - Does modulation "modify" or better "modulates" the carrier wave to change the audio signal to amplitude or frequency modulated?

3 - What is the difference between a "radio mixer" and "modulator" do they have anything in common or not?
 
Engineering news on Phys.org
Please give us your initial thoughts on each.
 
  • Like
Likes   Reactions: berkeman
1 - I believe that an oscillator circuit creates a "pure" sinusoidal wave that is constant in frequency.

2 - I think modulation is a process that "modifies or modulates" a signal containing information from the carrier wave to be modulated by amplitude or frequency.

3 - This I am not so sure about I tried reading the wikipedia and other sources but still don't understand.
 
  • Like
Likes   Reactions: davenn and Greg Bernhardt
Good research. Did you see this?
https://en.wikipedia.org/wiki/Frequency_mixer said:
Frequency mixers are also used to modulate a carrier signal in radio transmitters.

Amplitude modulation methods are very different than frequency modulation differences.

But in both AM and FM radios mixers are used for:
https://en.wikipedia.org/wiki/Frequency_mixer said:
Mixers are widely used to shift signals from one frequency range to another, a process known as heterodyning, for convenience in transmission or further signal processing. For example, a key component of a superheterodyne receiver is a mixer used to move received signals to a common intermediate frequency.

Other PF members are much better radio experts than I am. Wait a bit and you'll get more good answers.
 
Mathematically, amplitude modulation and frequency mixing are the same. The signals are multiplied together.
 
Averagesupernova said:
Mathematically, amplitude modulation and frequency mixing are the same. The signals are multiplied together.
Although multiplication is involved in both, I think we should expand on that statement. The formula for amplitude modulation is more complicated than just a multiplication because the resulting DSB AM signal has the 'right' amount of carrier to produce a proper envelope. Simple multiplication will just give a 'row of beads' waveform. This link has images of waveforms from both processes. Using the simplest representation, with A being the 'carrier' and B being the modulating waveform
V = A.B simple Multiplication
V = A.(C+B) Amplitude modulation involves adding a constant value C to avoid the envelope dipping below the t axis.
For an RF mixer, a carrier is not needed so a simple multiplication circuit is better and one of the sidebands is chosen (selectively filtered)
There's another sort of fairly obvious difference in that the mixing process can involve a big difference in frequencies (hundreds of MHz received signal and perhaps 10MHz IF frequency) whereas the AM spectrum only extends by (twice) the baseband bandwidth.
 
  • Like
Likes   Reactions: anorlunda
It may also be worth pointing out that you can't get true 'Multipliers' to operate at the higher RF frequencies. Instead, a more simple non-linear device like a diode is often used. This will produce a whole spectrum of non linear products and the wanted product is then selected with a band pass filter.
 
  • Like
Likes   Reactions: davenn, Tom.G and Averagesupernova
Averagesupernova said:
Mathematically, amplitude modulation and frequency mixing are the same. The signals are multiplied together.

that is rarely true for mixing
Frequency mixing is more commonly additive or subtractive eg...

I have an incoming freq of 50MHz and I want to down mix to 10.7 Intermediate frequency
I use a local oscillator of 39.3MHz and mix that with the 50MHz.
I get two main products
50 + 39.3 = 89.3
and
50 - 39.3 = 10.7
I use a 10.7 MHz filter to get a clean 10.7MHz output from the mixer
That is an example of the most common use of a mixer in zillions of comms systems
There is no multiplication there, just addition and subtraction

sophiecentaur said:
It may also be worth pointing out that you can't get true 'Multipliers' to operate at the higher RF frequencies. Instead, a more simple non-linear device like a diode is often used. This will produce a whole spectrum of non linear products and the wanted product is then selected with a band pass filter.

That is true, us amateurs loved the good old BAY96 power varactor diode for tripling 144MHz to 432MHz or 432MHz to 1296MHz

It would be probably difficult to find a true multiplier ... all the ones I have ever worked with are all just harmonically derived.
Either by diode as above or by interstage transformers where the secondary is tuned for the required harmonic generated by the previous stage

a common line up in a 144MHz amateur transmitter

12MHz x 3 = 36 x 2 = 72 x 2 = 144MHz

there is just inferred multiplication ... it's just the wanted harmonic being picked off at each stage
up the transmitter chain

Dave
 
davenn said:
Frequency mixing is more commonly additive or subtractive eg...
Wouldn't that imply that an RF mixer could be done with two resistors? As in a passive audio mixer?

I seem to recall that frequency conversion requires a non-linearity.
 
  • #10
Tom.G said:
Wouldn't that imply that an RF mixer could be done with two resistors?

don't think so, well not that I have ever seen
all the mixers I have ever used are passive as in there is no additional power supply added
The mixers are usually made up of a diode bridge and inductors ... eg the much used Mini-circuits brand

eg... just one example

upload_2018-4-19_11-11-29.png


Frequency_mixer_Mini_Circuits_ADE-1_macro.png

Dave
 

Attachments

  • upload_2018-4-19_11-11-29.png
    upload_2018-4-19_11-11-29.png
    78.5 KB · Views: 752
  • Frequency_mixer_Mini_Circuits_ADE-1_macro.png
    Frequency_mixer_Mini_Circuits_ADE-1_macro.png
    160.4 KB · Views: 810
  • #11
Ohhhh almost forgot
one other common form of mixer I have seen/used/worked on is using a dual gate MOSFET
RF in on one gate, LO in on the other gate and the output out of the drain

a representative circuit of that system.

th?id=OIP.jpg
 

Attachments

  • th?id=OIP.jpg
    th?id=OIP.jpg
    14.8 KB · Views: 842
  • #12
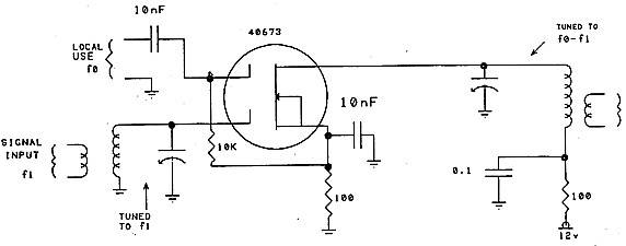
ohhh gosh, this one takes me back 40 years ago when I build my first 50MHz to 28MHz down converter
the 40673 was the dual gate MOSFET of the day haha

MixingFig9.jpg
Dave
 

Attachments

  • MixingFig9.jpg
    MixingFig9.jpg
    13.7 KB · Views: 992
  • #13
davenn said:
but the mixers are usually made up of a diode bridge and inductors
Yeah, the diodes supply the non-linearity as @sophiecentaur mentioned above.

Just as a curiousity, here is a 4 quadrant analog multiplier good to 250MHz:
http://www.analog.com/media/en/technical-documentation/data-sheets/AD835.pdf

You snuck a couple posts in while I was typing!

The double-gate FET mixer, like the old-time vacuum tube mixer, effectively does an analog multiply of the two input signals. If you think about it, one grid/gate will limit the current, while the other one has only that limited current to work on.

Gosh, another entry! I better stop typing and post.
 
  • Like
Likes   Reactions: davenn
  • #14
Frequency mixing which creates sum and difference frequencies is a result of MULTIPLICATION. Make a couple sine tables in a spreadsheet, multiply them together and see what you get. The sine waves themselves are multiplied together.
-
@sophiecentaur has a very good point in that it is not practical to actually multiply several sine waves together in the 100s of MHz regions so it is done with diode mixers, etc. Also, there are times we don't want 100% modulation so this is a difference between a practical modulator and a practical frequency mixer. However the result of the addition of sum and difference (new) frequencies is the same in AM and a frequency mixer such as what we would use to convert a signal down to an IF.
-
Active mixers are not uncommon at all. Mini circuits double balanced mixers are widely known but there are plenty of examples of single transistor mixers. And don't forget about the good old 1496.
 
Last edited:
  • Like
Likes   Reactions: sophiecentaur
  • #15
Averagesupernova said:
Frequency mixing which creates sum and difference frequencies is a result of MULTIPLICATION. Make a couple sine tables in a spreadsheet, multiply them together and see what you get. The sine waves themselves are multiplied together.

so where is the multiplication in ...

davenn said:
I have an incoming freq of 50MHz and I want to down mix to 10.7 Intermediate frequency
I use a local oscillator of 39.3MHz and mix that with the 50MHz.
I get two main products
50 + 39.3 = 89.3
and
50 - 39.3 = 10.7
I use a 10.7 MHz filter to

50 x 39.3 = 1965 ??
 
  • #16
davenn said:
so where is the multiplication in ...
50 x 39.3 = 1965 ??
Don't multiply the frequency. Multiply the sine waves themselves. You didn't put a couple of sine tables into a spreadsheet and graph it did you. I don't know of a more convincing method of proving my point. Why do you think they are called products?
 
  • #17
Averagesupernova said:
Don't multiply the frequency. Multiply the sine waves themselves. You didn't put a couple of sine tables into a spreadsheet and graph it did you. I don't know of a more convincing method of proving my point.

Or have a computer do it and do an FFT on the result.
 
  • Like
Likes   Reactions: Averagesupernova
  • #18
Mixing sine waves shows that signal multiplication results in frequency translation. Let ##A = e^{i\omega_1 t}## and ##B= e^{i\omega_2 t}## then

##A * B = e^{i(\omega_1+\omega_2)t}##​

which is a wave at the sum frequency. Since real signals ##\cos( \omega t) = \frac{1}{2}(e^{i\omega t} + e^{-i\omega t})## both sum and differences of frequencies occur. With real devices more terms appear from nonlinearities.
 
  • Like
Likes   Reactions: sophiecentaur and dlgoff
  • #19
davenn said:
that is rarely true for mixing
Frequency mixing is more commonly additive or subtractive eg...
It depends on what you mean by "adding and subtracting". The mixing products are a result of the product of two signals and the trig identity
SinA . SinB = 1/2(Cos(A-B) -Cos(A+B)) ; the well known sum and difference frequencies
A non linearity can often be expressed as a polynomial
V = ΣPnm V1V2 (apologies to Mathematicians for the sloppy terminology but the meaning is there)
where Pnmis the weighting factor and V1 V2 are the two input signals and that gives you a whole family of Sin(nω1t)Sin(mω2t) components - giving Cos(ω12) and the rest of the components.
 
  • Like
Likes   Reactions: Averagesupernova
  • #20
davenn said:
don't think so, well not that I have ever seen
all the mixers I have ever used are passive as in there is no additional power supply added

It is addition in "frequency space" (Fourier space) but this is -as has been pointed out above- the result of multiplication in time.

The reason for why you can use a diode as a mixer is that its characteristics (near some working point) means that it will approximately square the voltage (which formally is a Taylor expansion of the "true" exponential I-V characteristics of a diode)., if this is the sum of the two signals you will get I=V^2=(V1+V2)^2
IfV1+V2 is the sum of two sine wave (one being the carrier) this will result in multiplication; which in frequency space results in three components: the carrier, the sum and the difference (plus additional harmonics). By adding more diodes and components you can get more complicated results; eg. IQ mixers configured as single sideband modulators etc,.

All non-linear components can act as mixers; and the more non-linear the better (usually). This is why things like superconducting mixers are used in radio astronomy, where the non-linearity comes from Josephson junctions (which are extremely non-linear).

It is also the reason for why it is sometimes a good idea to dc-bias a mixer; this will shift the working point which can make it behave more or less ideal.
 
  • Like
Likes   Reactions: Integral and Averagesupernova
  • #21
And then there are Analogue Four Quadrant Multiplier circuits which literally take two voltages and produce the product without any unwanted spectral 'extras'. The principle is that the signal into one circuit controls the current into another circuit in which the input resistance is controlled by the other input signal. Then the resulting Voltage is IR (a product of two signals). It's more complicated than that because the circuit has to work about a 'Zero', to take care of both possible signs of both input signals but the basic V=IR does the true linear multiplication function. Dead clever but it only works at low frequencies. Great for Dalek Voices -"Exterrrrminate!" and modern music effects.
 
  • Like
Likes   Reactions: jim hardy and Paul Colby
  • #22

Attachments

  • upload_2018-4-19_10-26-14.png
    upload_2018-4-19_10-26-14.png
    49.3 KB · Views: 1,060
  • Like
Likes   Reactions: dlgoff, sophiecentaur and Paul Colby
  • #23
Tom.G said:
Yeah, the diodes supply the non-linearity as @sophiecentaur mentioned above.
Additionally, it's not the diodes' nonlinear behavior that produces mixing in a double-balanced diode mixer, e.g. a typical Mini-Circuits unit. In fact ideal diodes would work better than real ones.

The diode bridge acts as a chopper, chopping up the input by the reference which is ideally a square wave. So we're multiplying an input sine wave (typically) by a square wave. Fourier series analysis yields all the harmonics which are copious!
 
  • #24
jim hardy said:
https://www.ti.com/lit/ds/symlink/mpy634.pdf

They're amazingly precise at DC, but i never used one in radio. That one could handle the AM broadcast band...

I'm still living in the days of 6BE6 pentagrid converter. .. works as Sophie described .
http://rtellason.com/tubedata/6BE6.pdf
View attachment 224317
The spec sheet is a poignant reminder of the glory days of GE before they became a bloated conglomerate including finance and entertainment. I still have two editions of the GE Transistor Manual - irreplaceable!
 
  • #25
rude man said:
In fact ideal diodes would work better than real ones.
An ideal diode characteristic is still non-linear. A linear characteristic would be a diagonal line through the origin of a VI curve (as for a resistor. 'Curved' is just one version of non-linearity.
 
  • #26
sophiecentaur said:
An ideal diode characteristic is still non-linear. A linear characteristic would be a diagonal line through the origin of a VI curve (as for a resistor. 'Curved' is just one version of non-linearity.
Yes. I just wanted to dispel the notion that it's the nonlinear characteristic in the forward region that's relevant.
 
  • Like
Likes   Reactions: sophiecentaur
  • #27
Non-linearity is at the root of all mixers and becomes distortion if it is unwanted .
the parameters that are non linear can be resistance, or capacitance. Oscillators are created by negative resistance which is like negative friction, somewhere there is a wonderful simulation where friction is removed from chair to floor interface, So the chair spontaneously moves from wall to wall.
Fast Radio Bursts must have started as an oscillation pumped by a noise source possibly a collapsing supernova. The initial microsecond burst after traveling millions of light years gets stretched to milliseconds long by propagation through slightly ionised interstellar space the stretch is accompanied by chirp modulation which may enable it to be re-compressed to restore signal to noise ratio .
 

Similar threads

  • · Replies 5 ·
Replies
5
Views
2K
  • · Replies 15 ·
Replies
15
Views
5K
  • · Replies 26 ·
Replies
26
Views
3K
  • · Replies 68 ·
3
Replies
68
Views
7K
Replies
5
Views
2K
  • · Replies 14 ·
Replies
14
Views
6K
  • · Replies 2 ·
Replies
2
Views
3K
  • · Replies 3 ·
Replies
3
Views
4K
  • · Replies 11 ·
Replies
11
Views
5K
  • · Replies 41 ·
2
Replies
41
Views
8K