Confused about inductor polarity

Click For Summary
SUMMARY

The discussion centers on the behavior of inductors in a circuit, specifically regarding their polarity when current changes direction. It is established that inductors do not have a fixed polarity; rather, the polarity across an inductor reverses according to the equation e = L di/dt, which describes the relationship between voltage and the rate of change of current. The confusion arises from the interpretation of current flow through different diodes (D1, D2, D3, D4) in the circuit. The participants clarify that the current can indeed flow through D1 and D4 without violating the principles governing inductors.

PREREQUISITES
  • Understanding of basic circuit theory
  • Familiarity with inductors and their behavior in electrical circuits
  • Knowledge of diode functionality and current flow
  • Basic grasp of differential equations, particularly in the context of electrical engineering
NEXT STEPS
  • Study the principles of inductor behavior in AC and DC circuits
  • Learn about the application of the formula e = L di/dt in circuit analysis
  • Explore the role of diodes in current rectification and protection circuits
  • Investigate the impact of inductance on circuit performance and stability
USEFUL FOR

Electrical engineers, circuit designers, and students studying electronics who seek to deepen their understanding of inductor behavior and diode interactions in circuits.

TheRedDevil18
Messages
406
Reaction score
2
5fzax.png

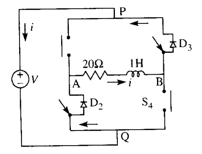
So initially S1 and S4 are closed and current flows as seen above.

rPqAW.png


After some time S1 and S4 are open and current flows as seen above. Now I am confused about the polarity of the inductor, what if I said the current flows through D1 and D4 instead of D3 and D2 ?, would that be wrong ?
 
Engineering news on Phys.org
Inductors do not HAVE a polarity
 
TheRedDevil18 said:
if I said the current flows through D1 and D4 instead of D3 and D2 ?, would that be wrong ?
wouldn't that be wrong way through the diodes ?

remember e = L di/dt . That says Polarirty across an inductor reverses when you go from increasing current to decreasing current
 

Similar threads

  • · Replies 8 ·
Replies
8
Views
2K
  • · Replies 2 ·
Replies
2
Views
2K
  • · Replies 38 ·
2
Replies
38
Views
6K
  • · Replies 6 ·
Replies
6
Views
3K
Replies
10
Views
4K
  • · Replies 4 ·
Replies
4
Views
2K
  • · Replies 3 ·
Replies
3
Views
2K
  • · Replies 5 ·
Replies
5
Views
2K
  • · Replies 76 ·
3
Replies
76
Views
12K
  • · Replies 23 ·
Replies
23
Views
4K