Control System Design for Boost Converter

Click For Summary
SUMMARY

The discussion focuses on designing a control system for a boost converter to regulate its voltage output, specifically targeting a setpoint of 750VDC. The user has implemented the control system in MATLAB, utilizing the basic boost equation \(\frac{1}{1-D}=\frac{Vout}{Vin}\) and derived the small-signal relationship. Despite these efforts, the output voltage remains approximately 100V below the setpoint, and variations in input voltage affect the output. The user seeks guidance on adjusting the proportional (P) and integral (I) gains of the controller to improve performance.

PREREQUISITES
  • Understanding of boost converter operation and equations
  • Familiarity with MATLAB for control system design
  • Knowledge of control theory, specifically PID control
  • Experience with small-signal analysis in electrical engineering
NEXT STEPS
  • Research PID controller tuning methods, such as Ziegler-Nichols
  • Explore MATLAB's Control System Toolbox for advanced tuning techniques
  • Study small-signal modeling for boost converters in detail
  • Investigate the effects of input voltage variations on boost converter performance
USEFUL FOR

Electrical engineering students, control system designers, and professionals working on power electronics and boost converter applications.

Scorael
Messages
4
Reaction score
0
Hi guys,
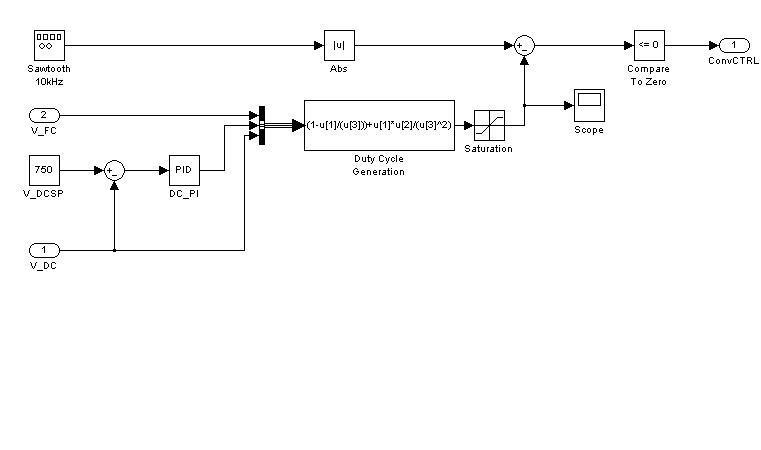
I have this problem for my undergrad final year project. I'm trying to design a control system to regulate the voltage output for a boost converter and I am not too familliar with control theory.

I've built the control system in MATLAB based on the basic boost equation [tex]\frac{1}{1-D}[/tex]=[tex]\frac{Vout}{Vin}[/tex] and partial differentiated it to get the small-signal relationship but it is still about 100V away from the setpoint. Furthermore, increasing the input voltage causes the output voltage to change.

I've attached the control system and the graph I obtained at around 350Vin. The setpoint is 750VDC
 

Attachments

  • CS.JPG
    CS.JPG
    14.5 KB · Views: 583
  • graph.JPG
    graph.JPG
    15.1 KB · Views: 557
Engineering news on Phys.org
OK, that control system can work. Next step; how do you adjust the P and I gains of the controller?

On PF, we don't do your homework for you. You must show your work fisrt.
 

Similar threads

Replies
55
Views
8K
  • · Replies 17 ·
Replies
17
Views
4K
  • · Replies 9 ·
Replies
9
Views
4K
  • · Replies 32 ·
2
Replies
32
Views
6K
  • · Replies 14 ·
Replies
14
Views
2K
  • · Replies 8 ·
Replies
8
Views
3K
  • · Replies 9 ·
Replies
9
Views
1K
Replies
2
Views
2K
Replies
7
Views
4K
Replies
8
Views
3K