Current Across Diode for DC Sources: 0.86mA

  • Thread starter Thread starter nathanxx6969
  • Start date Start date
  • Tags Tags
    Dc Diode Sources
Click For Summary

Discussion Overview

The discussion revolves around calculating the current across a diode in a circuit involving multiple voltage sources and resistors. Participants explore the implications of the diode's forward bias and the application of Ohm's Law in this context.

Discussion Character

  • Homework-related
  • Mathematical reasoning
  • Technical explanation
  • Debate/contested

Main Points Raised

  • One participant states the total voltage (Vt) is 30V and questions whether to ignore the diode initially, calculating a current of 1.5 mA based on that assumption.
  • Another participant confirms a calculation of 1.93 mA for the current from the 20V source, suggesting that the current for the 10V source also needs to be determined.
  • A participant expresses confusion about splitting the circuit into two parts for analysis, indicating a preference for a more straightforward approach to finding the current.
  • One participant points out that assuming the diode is conducting implies its cathode must be at -0.7V, which affects the current calculations through the resistors.
  • Another participant questions the current flow from the 10V source, suggesting that no current passes through it.
  • There is a request for clarification on applying Ohm's Law given the assumed voltage at the diode's cathode.
  • One participant suggests using Thevenin equivalents to simplify the analysis of the circuit with the diode as the load.
  • Another reiterates the importance of Ohm's Law in determining the current in each resistor and how it relates to the current through the diode.

Areas of Agreement / Disagreement

Participants express differing views on how to approach the circuit analysis, particularly regarding the treatment of the diode and the implications of its forward bias. There is no consensus on the best method to calculate the current across the diode.

Contextual Notes

Participants have not fully resolved the assumptions regarding the diode's behavior and its impact on the circuit analysis. There are also unresolved questions about the application of Thevenin's theorem and the implications of the voltage sources on current flow.

nathanxx6969
Messages
5
Reaction score
0

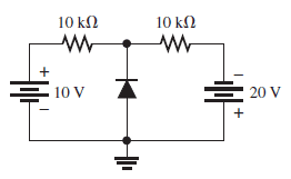
Homework Statement

:Find the current that go across the diode ans=0.86mA[/B]
zvZG2.png


Homework Equations


V=IR

3. The Attempt at a Solution
The Vt(v total) is 30v
so,must i ignore the diode as off first?.In that case the current is 30/20=1.5 mA.
i also know the that diode is foward bias because 20v>10V
i know that the voltage drop for this diode is 0.7
(20-0.7)/10=1.93,this step is correct.
but i really need help for this qn
mods pls don't delete.. :)
 
Last edited by a moderator:
Physics news on Phys.org
(20-0.7)/10=1.93,this step is correct.
That is the current for the 20V source. Also determine the current for the 10V source.
 
NascentOxygen said:
That is the current for the 20V source. Also determine the current for the 10V source.

hey but how can i just split the circuit into two?? lol, isist that weird?? like i used to learn that i should find the current and so on...
 
You have made the assumption that the diode is conducting...which means you are saying its cathode must be at a potential of -0.7V.

So with this assumption, you can then determine the current in each resistor.
 
http://imgur.com/l40uOZ2
http://imgur.com/l40uOZ2
the red arrow shows the current flow from the 10v source.No current from the 10V pass am I right??
 
What does Ohm's Law tell you for the resistor on the left, given your assumption that the diode's cathode is being held at -0.7V?
 
hey that's is the part i don't understand.. i really don't :(
 
nathanxx6969 said:
hey that's is the part i don't understand.. i really don't :(
You have a resistor, you know how many ohms, and you also know the voltage at either end of it ...
 
but shouldn't it be like (30-0.7 )/20?
 
  • #10
nathanxx, why don't you make things simpler for yourself? ... If you are studying diode circuits you very likely have already covered Thevenin equivalents. If you consider the diode as the load of the network, what would be the Thevenin equivalent of the circuit that is driving that load?

upload_2016-5-2_15-58-30.png
 
  • #11
nathanxx6969 said:
but shouldn't it be like (30-0.7 )/20?
The current in each resistor will be what Ohm's Law says it is. [emoji102]

⏩ From their difference you can deduce how much current must be going through the diode.
 

Similar threads

  • · Replies 20 ·
Replies
20
Views
5K
  • · Replies 9 ·
Replies
9
Views
7K
Replies
10
Views
3K
  • · Replies 12 ·
Replies
12
Views
2K
Replies
3
Views
3K
  • · Replies 1 ·
Replies
1
Views
11K
  • · Replies 3 ·
Replies
3
Views
2K
  • · Replies 16 ·
Replies
16
Views
5K
  • · Replies 9 ·
Replies
9
Views
6K
Replies
1
Views
16K