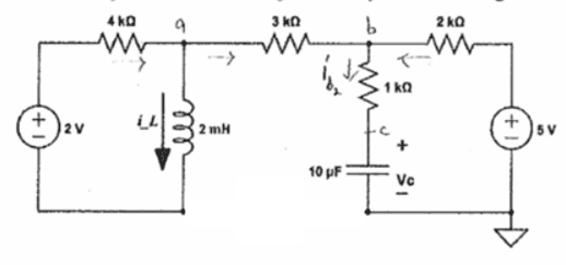
Derive the governing equation for the voltage Vc across the capacitor

Click For Summary

Discussion Overview

The discussion revolves around deriving the governing equation for the voltage \( V_c \) across a capacitor in a circuit involving resistors and an inductor. Participants explore the implications of opening a switch in the circuit and the resulting current behavior, with references to Kirchhoff's Voltage Law (KVL) and Kirchhoff's Current Law (KCL).

Discussion Character

  • Technical explanation
  • Debate/contested
  • Mathematical reasoning

Main Points Raised

  • Some participants express confusion about the current \( I_c \) through the circuit when the switch opens, noting that it may not be the same throughout the circuit.
  • There are questions regarding the interpretation of terms in the KVL equation, particularly the second term, with suggestions that it may refer to a specific resistor value.
  • Some participants assert that the problem is oddly stated, particularly regarding the time of interest for steady state conditions.
  • There is a discussion about whether the resistors in the circuit have the same current, with differing opinions on this matter.
  • Participants debate the possibility of current flowing through a resistor when the switch is opened, with some arguing that the circuits become isolated.
  • There are claims that without a return path, there can be no current in certain parts of the circuit, leading to discussions about the implications for voltage and current at specific nodes.
  • One participant proposes a formula for \( V_c \) based on the behavior of the circuit over time.

Areas of Agreement / Disagreement

Participants express multiple competing views regarding the behavior of current and voltage in the circuit, particularly when the switch is opened. There is no consensus on the implications of the circuit configuration or the correctness of the KVL and KCL applications.

Contextual Notes

Participants note limitations in the problem statement and the need for clarity on the definitions and assumptions regarding the circuit components and their interactions.

annamal
Messages
393
Reaction score
33
Homework Statement
Derive the governing equation for the voltage Vc across the capacitor
Relevant Equations
KCL and KVL
I was thinking about doing KVL around the circuit at the right but I noticed when the switch opens, the current through the circuit at the right is not the same throughout
-5 + Ic*2*1-^3 + Ic*10^3 = -Vc

Ic is not the same around the right circuit so I am stuck....

Screenshot 2023-04-23 at 4.41.25 PM.png
 
Physics news on Phys.org
Hi,

I suppose you did part a and you have ##V_c## and ##I_L## at ##t\uparrow\infty## ?

annamal said:
-5 + Ic*2*1-^3 + Ic*10^3 = -Vc
Care to explain this ? In particular the second term ?
I can't even read it " ##I_c * 2 * 1 - ?^3 ## "?
Do you mean ##I_{b_2} * 2\ k\Omega## ?

I also think you need some more relevant equations ...

##\ ##
 
BvU said:
I suppose you did part a and you have Vc and IL at t↑∞ ?
Please note that the problem is oddly stated and the time of interest (steady state) is t <0.
 
hutchphd said:
Please note that the problem is oddly stated and the time of interest (steady state) is t <0.
I agree.
 
BvU said:
Hi,

I suppose you did part a and you have ##V_c## and ##I_L## at ##t\uparrow\infty## ?Care to explain this ? In particular the second term ?
I can't even read it " ##I_c * 2 * 1 - ?^3 ## "?
Do you mean ##I_{b_2} * 2\ k\Omega## ?

I also think you need some more relevant equations ...

##\ ##
Yeah, I meant KVL:
-5 + Ic*2*10^3 + Ic*10^3 = -Vc

I know what part a is. I am wondering about part b.
 
So the 1 and 2 ##k\Omega## resistors have the same current ?

And do you mean ##I_c = I_{b_2} ## ?

##\ ##
 
BvU said:
So the 1 and 2 ##k\Omega## resistors have the same current ?

And do you mean ##I_c = I_{b_2} ## ?

##\ ##
I don't know if the resistors have the same current -- that is just an attempt of mine. In fact I think the resistors might have different current.
 
Backing up: do you have ##V_C## and ##I_L## for ##t<0## ?
And for ##t\uparrow\infty## ?

##\ ##
 
BvU said:
Backing up: do you have ##V_C## and ##I_L## for ##t<0## ?
And for ##t\uparrow\infty## ?

##\ ##
I only know Vc = 3 V; I_L =0.0015 A for t < 0
 
  • #10
Agreed. Now, when the switch is opened, can there still be a current through the 3 ##k\Omega## ?

##\ ##
 
  • #11
BvU said:
Agreed. Now, when the switch is opened, can there still be a current through the 3 ##k\Omega## ?

##\ ##
I think it can though...why can it not?
 
  • #12
Wouldn't the left circuit and the right circuit be isolated from each other ?

1682344794325.png


(thought experiment: imagine the 2 mH wasn't an inductor but a resistor)

##\ ##
 
  • #13
BvU said:
Wouldn't the left circuit and the right circuit be isolated from each other ?

View attachment 325426

(thought experiment: imagine the 2 mH wasn't an inductor but a resistor)

##\ ##
I still don't understand why the current in the middle is zero....if I do KCL at point a or b, it seems like there could be current there....
 
  • #14
annamal said:
I still don't understand why the current in the middle is zero....if I do KCL at point a or b, it seems like there could be current there....
Like here
1682345972722.png
?

##\ ##
 
  • #15
BvU said:
Like here
View attachment 325428 ?

##\ ##
Can you explain explicitly? I still believe there can be current from a to b...
 
  • #16
There is no potential difference between a and b if the two circuits are not connected to the same ground.

[edit] or do KVL for each of the loops ....
 
  • #17
A circuit is called a circuit because there is a return path that completes the circle.
Without the return path, there can be no current in R=3k.
The value of R=3k becomes irrelevant and may as well be a short circuit.
Nodes a and b will then have the same voltage.
 
  • Like
Likes   Reactions: BvU
  • #18
Baluncore said:
A circuit is called a circuit because there is a return path that completes the circle.
Without the return path, there can be no current in R=3k.
The value of R=3k becomes irrelevant and may as well be a short circuit.
Nodes a and b will then have the same voltage.
I don't understand. I drew the circle and currents in blue below:
1682344794325.png
 
  • #19
annamal said:
I don't understand. I drew the circle and currents in blue below:
Would you expect a light globe to work if you only connected one wire to the battery?
 
  • #20
Another tack: what do you find for ##V_C## and ##I_L## for ##t>>0## ?

##\ ##
 
  • #21
First, if the start process is finished the current through L will be d.c. that means ω=2*π*f=0 then the voltage drop through L will be 0.

On the capacitor eventually, after infinite time, the current will be 0 since Zcap=1/ ω/cap and if ω=0 Zcap=∞

Second, if sw1 is open that it is like instead sw1 a resistance of ∞ ohms is inserted here. So, in the loop between a and b the current it is total voltage drop [what ever it is] in the loop divided by ∞ [no current will flow here].
 

Attachments

  • Infinite resistance.jpg
    Infinite resistance.jpg
    24 KB · Views: 150
  • #22
By-the-way, if between two points in a circuit the voltage drop is 0 then the potential V1=V2. The voltage drop =Z*I. If Z=0 or I=0 the voltage drop is 0.:smile:
 
  • #23
It is not so complicate. You have to find Vc=-(5-Vo)*e^(-γ*t)+5 like formula where Vo it is Vc before sw1 opening.
 

Similar threads

  • · Replies 2 ·
Replies
2
Views
2K
  • · Replies 4 ·
Replies
4
Views
2K
  • · Replies 2 ·
Replies
2
Views
2K
  • · Replies 2 ·
Replies
2
Views
2K
Replies
2
Views
3K
Replies
9
Views
3K
  • · Replies 6 ·
Replies
6
Views
2K
  • · Replies 3 ·
Replies
3
Views
2K
Replies
7
Views
2K
  • · Replies 11 ·
Replies
11
Views
5K