Electricity, voltage, current, resistance relationship

Click For Summary

Discussion Overview

The discussion revolves around the relationship between voltage, current, and resistance in electrical circuits, particularly focusing on series circuits. Participants explore how changes in resistance affect voltage across components and current flow, while seeking clarification on these concepts without relying on analogies.

Discussion Character

  • Exploratory
  • Technical explanation
  • Debate/contested

Main Points Raised

  • Some participants express confusion about how increasing resistance in a circuit leads to an increase in voltage across a component while the overall current decreases.
  • Others clarify that the behavior of voltage and current depends on whether a voltage source or a current source is used, with voltage remaining constant in the former case and changing in the latter.
  • A participant mentions using a simulation that shows voltage across a component increasing with resistance, prompting questions about the nature of proportionality among voltage, current, and resistance.
  • Concerns are raised about the accuracy of measurements in simulations, with some suggesting that observed changes in voltage may be due to rounding errors rather than actual variations.
  • Participants discuss the implications of internal resistance in real voltage sources and how it affects circuit behavior.
  • There is a mention of thermistors and the impact of temperature on resistance, leading to further questions about voltage changes across components when resistance is varied.
  • Some participants emphasize the importance of focusing on one circuit at a time to avoid confusion in understanding the principles involved.

Areas of Agreement / Disagreement

Participants do not reach a consensus on the relationship between voltage, current, and resistance, as there are multiple competing views and ongoing confusion regarding the effects of changing resistance in different circuit configurations.

Contextual Notes

Participants note that the discussion involves ideal circuits and assumptions about negligible internal resistance, which may not reflect real-world scenarios. There are also references to specific conditions, such as constant temperature for thermistors, that influence the discussion.

Kajan thana
Messages
149
Reaction score
18
Hi,
The Circuit I am referring to is a simple series circuit with the resistance of the wire is negligible.

I am confused about the fact that if we increase the resistance of a resistor in a circuit, the PD across the component will also increase. From my understanding I thought increasing the resistance of the component will increase the overall resistance so the overall current will decrease. If the voltage is proportional to current, the the voltage should increase; this explanation seem to be wrong.

I tried to search this up on google, didn't get a proper answer, can someone explain this to properly please ( without the water analogy) ?
 
Physics news on Phys.org
Kajan thana said:
Hi,
The Circuit I am referring to is a simple series circuit with the resistance of the wire is negligible.

I am confused about the fact that if we increase the resistance of a resistor in a circuit, the PD across the component will also increase. From my understanding I thought increasing the resistance of the component will increase the overall resistance so the overall current will decrease. If the voltage is proportional to current, the the voltage should increase; this explanation seem to be wrong.

I tried to search this up on google, didn't get a proper answer, can someone explain this to properly please ( without the water analogy) ?
It just depends on what kind of a source you are using to drive the resistor string. If you are using a voltage source, the total PD stays the same as you change the load resistors, and the current changes via I=V/R.

If you are using a current source instead, the overall PD changes via V=IR. Does that help?
 
berkeman said:
It just depends on what kind of a source you are using to drive the resistor string. If you are using a voltage source, the total PD stays the same as you change the load resistors, and the current changes via I=V/R.

If you are using a current source instead, the overall PD changes via V=IR. Does that help?
Slightly, I came across a question where the source is voltage but as the resistance increase, the voltage across the component also increases, I used some sort of animation ( virtual circuit) , it proves that the voltage is proportional to resistance but the current decreases. I have attached to two screenshot for a better understanding of my question. I don't understand the proportionality. I thought one element need to remain constant for proportionality to work, but in this case all the three elements varies.
 

Attachments

  • Screen Shot 2017-04-03 at 16.45.30.png
    Screen Shot 2017-04-03 at 16.45.30.png
    18 KB · Views: 621
  • Screen Shot 2017-04-03 at 16.45.53.png
    Screen Shot 2017-04-03 at 16.45.53.png
    18.8 KB · Views: 618
Kajan thana said:
Slightly, I came across a question where the source is voltage but as the resistance increase, the voltage across the component also increases, I used some sort of animation ( virtual circuit) , it proves that the voltage is proportional to resistance but the current decreases. I have attached to two screenshot for a better understanding of my question. I don't understand the proportionality. I thought one element need to remain constant for proportionality to work, but in this case all the three elements varies.
I'm not understanding the figures. Where is the voltage source? Is the current measured at the bottom done with an ammeter? Or is that a current source of some kind at the bottom? Could you post a more traditional schematic of what you are simulating?
 
  • Like
Likes   Reactions: Kajan thana
berkeman said:
I'm not understanding the figures. Where is the voltage source? Is the current measured at the bottom done with an ammeter? Or is that a current source of some kind at the bottom? Could you post a more traditional schematic of what you are simulating?
I have attached the screenshots again with some annotation. Thanks.
 

Attachments

  • Screen Shot 2017-04-03 at 16.45.53.png
    Screen Shot 2017-04-03 at 16.45.53.png
    20.9 KB · Views: 578
  • Screen Shot 2017-04-03 at 16.45.30.png
    Screen Shot 2017-04-03 at 16.45.30.png
    20.4 KB · Views: 586
Kajan thana said:
the source is voltage but as the resistance increase, the voltage across the component also increases
The pictures that you posted show 9 V across the component in both cases. I am not sure what you mean by "the voltage across the component also increases". The variation in the least significant digit appears to be just rounding.
 
  • Like
Likes   Reactions: Kajan thana
Dale said:
The pictures that you posted show 9 V across the component in both cases. I am not sure what you mean by "the voltage across the component also increases".
In the screenshot, it shows two different voltages ( 4 S.F) before increasing- 8.997 After increasing- 8.999

And if I further decrease the resistance, it will show 8.991
 
In general, there is some internal resistance inside a realistic voltage source. You can model this as a ideal voltage source in series with a small resistor. So, you have a voltage divider between your external resistor and a small resistor in the battery.

Also, you have a large but finite resistance in a real voltmeter, and a small resistance in a real ammeter. I don't know if any of these effects are modeled in your simulation, but it can explain your results.
 
  • Like
Likes   Reactions: Kajan thana
That appears to be just rounding error in the least significant digit for whatever simulator you are using. Just ignore it.

To put this in perspective, you have changed the current and resistance by a factor of more than 2 and the voltage has changed by a couple parts in 10000. That is essentially constant.
 
  • Like
Likes   Reactions: Kajan thana
  • #10
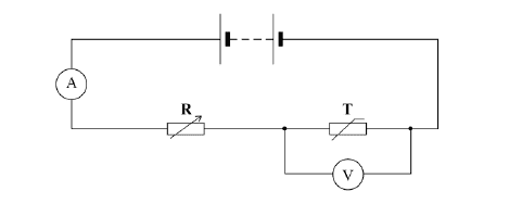
I have attached a ideal circuit where the internal resistance and resistance of the wire is negligible .
If I say the temperature of of the thermistor is constant, then why does the voltage across R increase when we increase the Resistance of R. I am still misunderstanding the concept.

(NOT A HOMEWORK QUESTION)

Thanks
 

Attachments

  • Screen Shot 2017-04-03 at 17.39.41.png
    Screen Shot 2017-04-03 at 17.39.41.png
    1.4 KB · Views: 556
  • #11
Kajan thana said:
I have attached a ideal circuit where the internal resistance and resistance of the wire is negligible .
If I say the temperature of of the thermistor is constant, then why does the voltage across R increase when we increase the Resistance of R. I am still misunderstanding the concept.

(NOT A HOMEWORK QUESTION)

Thanks
What happens to the "total" resistance if you increase the value of R?
 
  • Like
Likes   Reactions: Kajan thana
  • #12
cnh1995 said:
What happens to the "total" resistance if you increase the value of R?
The total resistance will also increase as they are in series. so the current will decrease.
 
  • #14
Kajan thana said:
The total resistance will also increase as they are in series. so the current will decrease.
Yes.
But since the thermistor resistance is constant, what can you say about the voltage across it?
 
  • Like
Likes   Reactions: Kajan thana
  • #15
cnh1995 said:
Yes.
But since the thermistor resistance is constant, what can you say about the voltage across it?
It will decrease
 
  • #16
Kajan thana said:
It will decrease
Yes. So what can you say about the voltage across R?
 
  • Like
Likes   Reactions: Dale and Kajan thana
  • #17
Kajan thana said:
It will decrease

So the other one have to increase. Thank you. Make sense now.
 
  • Like
Likes   Reactions: Dale
  • #19
Kajan thana said:
I have attached a ideal circuit where the internal resistance and resistance of the wire is negligible .
If I say the temperature of of the thermistor is constant, then why does the voltage across R increase when we increase the Resistance of R. I am still misunderstanding the concept.

(NOT A HOMEWORK QUESTION)

Thanks
screen-shot-2017-04-03-at-17-39-41-png.118552.png


This circuit is totally different to your first one !
you should stick to one circuit at a time and learn to understand it, before making changes

you are measuring the voltage drop across that thermistor.
The voltage drop will vary as the thermistor changes temperature and therefore changes resistance
if kept constant temp, then the voltage across it won't change
If you vary the resistance of R, the voltage will change across the thermistor and R

then why does the voltage across R increase when we increase the Resistance of R

how do you know it changes ( yes it does) but you are not measuring the voltage across R

IF you put your voltmeter across R and change the value of R, then yes the voltage will change according to Ohms Law
why, because the current through it will change

you could plot a graph of V for different values of R and I (current)

NOTE: If R was the only resistance in the circuit ( the thermistor or other resistance wasn't there)
Then the voltage drop across it wouldn't change !. Only the values of I and R would change as
the value of R was adjustedDave
 
Last edited:
  • Like
Likes   Reactions: Kajan thana
  • #20
Kajan thana said:
Hi,
The Circuit I am referring to is a simple series circuit with the resistance of the wire is negligible.

I am confused about the fact that if we increase the resistance of a resistor in a circuit, the PD across the component will also increase. From my understanding I thought increasing the resistance of the component will increase the overall resistance so the overall current will decrease. If the voltage is proportional to current, the the voltage should increase; this explanation seem to be wrong.

I tried to search this up on google, didn't get a proper answer, can someone explain this to properly please ( without the water analogy) ?

If you have the simple "two resistors in series" we have what is called a voltage divider circuit.
If the two resistors are equal, the provided Potential is divided equally. Perhaps a "6 Volt battery" resulting in a Potential Difference across each resistor of 3V.

If you were to increase one of the resistors (lets say double it) the size of the resistors would now be in the ratio 2:1, so the applied Potential is divided in the ratio 2:1. If that same 6 Volt battery is applied, that means the Potential differences will now be 4V and 2V.
So the increased resistor now has a larger Potential Difference across it (or perhaps you want to call it voltage drop - but most people unfortunately just call it the voltage).
Interestingly, in the second case the PD will be higher (4V vs 3V) but the current will actually be reduced. This may sound counter intuitive, but remember the Potential Difference is calculated using Ohms Law: V = I x R
If you Double R and halve I, V will be the same. But if you double R, but only reduce I to two thirds of the original, the value of V is larger.

Note: While it is common to refer to resistance, current and voltage, it is much better to refer to "resistance of", "current through" and "potential Difference across" any part of a particular circuit. "Voltage Drop across" is a poor, but acceptable, alternative to "Potential Difference across" but to simply say "voltage" is to be avoided.
Note: Potential Difference is measured in Volts, and everyone wants to call it voltage. A person's weight is measure in kilograms (or Newtons if you insist) but no-one tries to call that kilogramage or Newtonage. Why are they so "lazy" with Potential difference.
 
  • Like
Likes   Reactions: Kajan thana
  • #21
Kajan thana said:
Hi,

I tried to search this up on google, didn't get a proper answer, can someone explain this to properly please ( without the water analogy) ?
From what you say, I get the impression that you may not have done much basic Electronic Theory and that you're wanting an answer without using it. Your question seems to refer to a very elementary circuit configuration, referred to as the Potential Divider. This is just the second or third step on the ladder of conventional learning of Electronics. Maybe you have not recognised the circuit for what it is. If you start from the very basics of resistive circuits and work upwards, you should find all this stuff pretty straightforward with no mystery about it at all.
This may have been pointed out earlier in the thread but I am just restating it in louder terms. Simulations (in general) are the cause of a lot of elementary problems for people who want to rely on them, rather than to get some basics under their belt first. Simulations are the product of Theory and not the other way round. :smile:
 
Last edited:
  • Like
Likes   Reactions: Kajan thana
  • #22
davenn said:
View attachment 119304

This circuit is totally different to your first one !
you should stick to one circuit at a time and learn to understand it, before making changes

you are measuring the voltage drop across that thermistor.
The voltage drop will vary as the thermistor changes temperature and therefore changes resistance
if kept constant temp, then the voltage across it won't change
If you vary the resistance of R, the voltage will change across the thermistor and R
how do you know it changes ( yes it does) but you are not measuring the voltage across R

IF you put your voltmeter across R and change the value of R, then yes the voltage will change according to Ohms Law
why, because the current through it will change

you could plot a graph of V for different values of R and I (current)

NOTE: If R was the only resistance in the circuit ( the thermistor or other resistance wasn't there)
Then the voltage drop across it wouldn't change !. Only the values of I and R would change as
the value of R was adjustedDave
Thank You Dave.:smile:
 
  • Like
Likes   Reactions: davenn
  • #23
PeterO said:
If you have the simple "two resistors in series" we have what is called a voltage divider circuit.
If the two resistors are equal, the provided Potential is divided equally. Perhaps a "6 Volt battery" resulting in a Potential Difference across each resistor of 3V.

If you were to increase one of the resistors (lets say double it) the size of the resistors would now be in the ratio 2:1, so the applied Potential is divided in the ratio 2:1. If that same 6 Volt battery is applied, that means the Potential differences will now be 4V and 2V.
So the increased resistor now has a larger Potential Difference across it (or perhaps you want to call it voltage drop - but most people unfortunately just call it the voltage).
Interestingly, in the second case the PD will be higher (4V vs 3V) but the current will actually be reduced. This may sound counter intuitive, but remember the Potential Difference is calculated using Ohms Law: V = I x R
If you Double R and halve I, V will be the same. But if you double R, but only reduce I to two thirds of the original, the value of V is larger.

Note: While it is common to refer to resistance, current and voltage, it is much better to refer to "resistance of", "current through" and "potential Difference across" any part of a particular circuit. "Voltage Drop across" is a poor, but acceptable, alternative to "Potential Difference across" but to simply say "voltage" is to be avoided.
Note: Potential Difference is measured in Volts, and everyone wants to call it voltage. A person's weight is measure in kilograms (or Newtons if you insist) but no-one tries to call that kilogramage or Newtonage. Why are they so "lazy" with Potential difference.
Thank You :smile::smile:
 
  • #24
sophiecentaur said:
From what you say, I get the impression that you may not have done much basic Electronic Theory and that you're wanting an answer without using it. Your question seems to refer to a very elementary circuit configuration, referred to as the Potential Divider. This is just the second or third step on the ladder of conventional learning of Electronics. Maybe you have not recognised the circuit for what it is. If you start from the very basics of resistive circuits and work upwards, you should find all this stuff pretty straightforward with no mystery about it at all.
This may have been pointed out earlier in the thread but I am just restating it in louder terms. Simulations (in general) are the cause of a lot of elementary problems for people who want to rely on them, rather than to get some basics under their belt first. Simulations are the product of Theory and not the other way round. :smile:
Thank you for the advice. :smile::smile::smile:
 

Similar threads

  • · Replies 8 ·
Replies
8
Views
2K
  • · Replies 16 ·
Replies
16
Views
2K
  • · Replies 6 ·
Replies
6
Views
3K
  • · Replies 38 ·
2
Replies
38
Views
6K
  • · Replies 9 ·
Replies
9
Views
4K
  • · Replies 11 ·
Replies
11
Views
2K
  • · Replies 105 ·
4
Replies
105
Views
13K
  • · Replies 20 ·
Replies
20
Views
3K
  • · Replies 11 ·
Replies
11
Views
2K
  • · Replies 7 ·
Replies
7
Views
2K