Find the Y-parameters for the following two-port circuit

  • Context: Engineering 
  • Thread starter Thread starter ongxom
  • Start date Start date
  • Tags Tags
    Circuit
Click For Summary
SUMMARY

The discussion focuses on calculating the Y-parameters for a two-port circuit, specifically identifying the values of y11, y12, y21, and y22. The derived values are y11=7/12, y12=-1/4, y21=-29/60, and y22=11/20. A discrepancy arises with an external solution that states y12=1/4 and y21=29/60, which is incorrect. The participant's calculations are confirmed as accurate, indicating that the provided solution contains errors.

PREREQUISITES
  • Understanding of two-port network theory
  • Familiarity with Y-parameters in electrical engineering
  • Knowledge of circuit analysis techniques, including node voltage analysis
  • Proficiency in algebraic manipulation of equations
NEXT STEPS
  • Study the derivation of Y-parameters in two-port networks
  • Learn about the relationship between Y-parameters and other parameter types (Z, H, S)
  • Explore common mistakes in circuit analysis and how to avoid them
  • Review node voltage analysis techniques in more complex circuits
USEFUL FOR

Electrical engineering students, circuit designers, and professionals involved in network analysis and parameter extraction in two-port circuits.

ongxom
Messages
25
Reaction score
0

Homework Statement


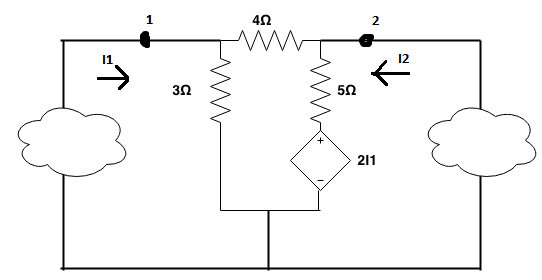
Find the Y-parameters for the following two-port circuit
6g6pXFF.png


Homework Equations





The Attempt at a Solution


Node 1 :V1(1/3+1/4)-1/4V2=I1
Node 2 : -1/4V1 + V2(1/4+1/5)-1/5(2I1)=I2

Subtitute I1 from the first equation to second equation, we have :
I1=7/12V1-1/4V2
I2=-29/60V1+11/20V2

So y11=7/12, y12=-1/4, y21=-29/60, y22=11/20

But the solution gives me that y12=1/4 and y21=29/60, there are differences of signs. I haven't found my mistake.
 
Physics news on Phys.org
Could be you haven't made a mistake! Your results look okay to me.
 
Your answer is correct. The "solution" is wrong.
 
Last edited:

Similar threads

  • · Replies 7 ·
Replies
7
Views
2K
  • · Replies 7 ·
Replies
7
Views
6K
Replies
5
Views
3K
  • · Replies 4 ·
Replies
4
Views
2K
Replies
3
Views
2K
Replies
7
Views
2K
  • · Replies 7 ·
Replies
7
Views
4K
  • · Replies 2 ·
Replies
2
Views
2K
  • · Replies 4 ·
Replies
4
Views
7K
Replies
1
Views
2K