Finding Thevenin's equivalent circuit for AC network

Click For Summary
SUMMARY

The discussion focuses on finding the Thevenin equivalent circuit for an AC network to determine the optimal value of the variable resistor Z for maximum power transfer. The key equations involved are Rth = Vth/Eth and the use of nodal analysis, Kirchhoff's Voltage Law (KVL), and Kirchhoff's Current Law (KCL) to derive Vth and Rth. The presence of controlled sources complicates the process, requiring the replacement of the load with a voltage source to accurately calculate the Thevenin impedance. The final solution involves maximizing the power delivered to the load using calculus.

PREREQUISITES
  • Understanding of Thevenin's theorem in AC circuits
  • Proficiency in nodal analysis and KVL/KCL
  • Familiarity with controlled sources in electrical circuits
  • Basic calculus for optimizing power transfer
NEXT STEPS
  • Study the derivation of Thevenin's equivalent circuit for AC networks
  • Learn about the application of controlled sources in circuit analysis
  • Explore advanced nodal analysis techniques for complex circuits
  • Review optimization techniques in calculus for power maximization
USEFUL FOR

Electrical engineering students, circuit designers, and professionals involved in AC circuit analysis and optimization of power delivery systems.

nicky_2793
Messages
1
Reaction score
0
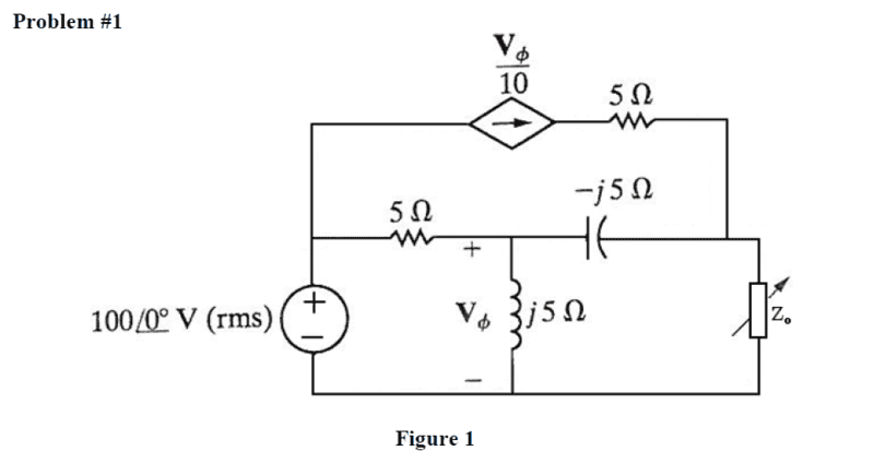
1. Hi everyone, i was given an AC circuit (capture.png) and am required to find the value of the variable resistor Z so that average maximum power is delivered to it.
To solve this i am trying to find the thevenin equivalent circuit but i am stuck and unable to figure it out. Any help would be much appreciated


Homework Equations


Rth=Vth/Eth


The Attempt at a Solution


I think i need to use nodal analysis, KVL and KCL to find Vth
then find short circuit current across Vth in order to get Rth = Vth/Isc
 

Attachments

  • Capture.PNG
    Capture.PNG
    13.3 KB · Views: 628
Physics news on Phys.org
Finding the Thevenin equivalent of a network with controlled sources is not always simply a matter of finding the open circuit impedance and voltage in the usual fashion -- the controlled sources can make the impedance vary with the load conditions.

In such cases one way to proceed is to replace the load (Zo) with a voltage source (introducing a new variable, say vo). The Thevenin impedance will be given by the ratio of the voltage vo to the current that it drives into the circuit (be careful with the current direction -- the impedance definition assumes that the current is flowing out of the voltage source and into the circuit).

For this circuit I would be tempted to write KVL mesh equations for the bottom two loops assuming that the current in the top loop is already "solved" since that loop's mesh current is determined by the controlled source which is strictly dependent upon the other two mesh currents that flow through the inductive impedance (in other words, if i3 is the top loop's mesh current, then you replace i3 with i3 = (i1 - i2)*(j5Ω)*(1/10)[A] where i3 would appear in the two bottom loop equations. The resulting expression must have units of Amps [A], so adjust as required).

After solving for the current in the loop containing the load resistance you can use it to write a suitable expression for the power delivered to the load. Maximize this relationship with respect to the load resistance (a touch of calculus).

The algebra may not be pretty...
 

Similar threads

  • · Replies 7 ·
Replies
7
Views
3K
  • · Replies 8 ·
Replies
8
Views
2K
  • · Replies 5 ·
Replies
5
Views
2K
  • · Replies 10 ·
Replies
10
Views
4K
  • · Replies 1 ·
Replies
1
Views
2K
  • · Replies 10 ·
Replies
10
Views
3K
  • · Replies 15 ·
Replies
15
Views
12K
  • · Replies 2 ·
Replies
2
Views
4K
  • · Replies 8 ·
Replies
8
Views
2K
  • · Replies 42 ·
2
Replies
42
Views
7K