How Can I Get 12V for a DC Motor Using a 24V Supply?

Click For Summary

Discussion Overview

The discussion revolves around how to obtain a 12V supply for a DC motor using a 24V power source. Participants explore various methods to achieve this without rewiring for a dedicated 12V supply, focusing on circuit modifications and component choices.

Discussion Character

  • Technical explanation
  • Debate/contested
  • Exploratory

Main Points Raised

  • One participant suggests using a series resistor to control current but notes that the internal resistance of the motor complicates achieving the desired voltage.
  • Another participant proposes using a zener diode in parallel with the motor, highlighting the need for the zener's resistance to be greater than the motor's to ensure sufficient current flows to the motor.
  • A participant recommends using a 12V voltage regulator, indicating that the choice of regulator depends on the motor's current requirements.
  • There is a suggestion that using resistors could work if the motor draws a constant current, but a participant questions the necessity of this approach when regulators are available and straightforward to implement.
  • One participant expresses a preference for using the 12V regulator to simplify wiring compared to using a direct 12V supply.

Areas of Agreement / Disagreement

Participants generally agree that a 12V regulator is a viable solution, but there are differing opinions on whether other methods, such as using resistors or zener diodes, are practical or necessary.

Contextual Notes

Some limitations include the assumption that the motor will draw constant current, which may not hold true under varying load conditions. The discussion also does not resolve the effectiveness of using resistors versus a regulator.

Who May Find This Useful

This discussion may be useful for individuals working on DC motor applications, particularly those looking to adapt power supplies without extensive rewiring.

StealthRay
Messages
51
Reaction score
0
Hi,

Can anyone help me to figure how to get 12V for the dc motor using 24V supply.
I would like to use a 12V supply but that would mean some changes to the wiring.

Instead of rewiring,I would like to just make do with the 24V supply.

I will need a series resistor (ranging from 1k - 10k)so that I can control the current to the motor.Since the dc motor internal resistance is very small (approx 100ohms),putting them in series will not get me 12V.Putting another resistor in parrallel with the motor will probably require a very huge resistance.

I thought of using zener diode in parallel with the dc motor but that will probably require the zener diode resistance to be greater than the motor coil so I can have most current going to the motor.

Can anyone recommend any other solution to get 12V for the dc motor but at the same time a large current to goes to the motor?

Thank you.
 
Engineering news on Phys.org
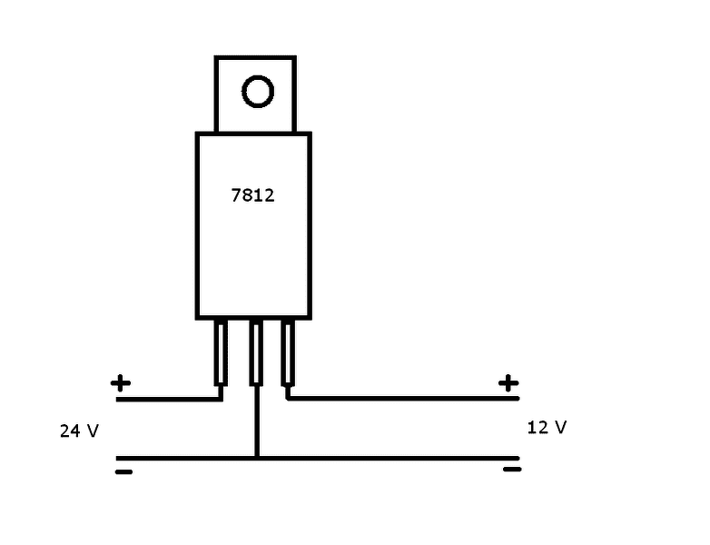
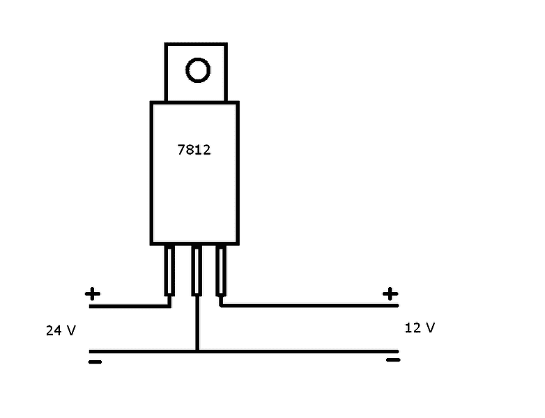
Hi Raymond.

You need a 12 volt regulator. The type will depend on the motor current.

12 V regulator.PNG
 
vk6kro said:
Hi Raymond.

You need a 12 volt regulator. The type will depend on the motor current.

View attachment 21337

Yes,thank you for sharing.But is there any other way to modify the circuit using the 24V supply?

Instead of the 12V regulator,I can also use the 12V supply directly.But I wish to make use of the 24V supply so the wiring would be more organized with all motors input using 24V supply.

Thank you.

Edit:I think I will just use the 12V regulator.This solution will at least simplify the wirings a little bit compared to the direct 12V supply. Thank you.
 
Last edited:
You can use resistors if you are sure the motor will draw constant current.

But why do that? Regulators are cheap and simple. Just measure your motor current at 12 volts under different load conditions and get a regulator that has plenty of current capability.
Mount it on a heatsink.

Just saw your edit. Good choice.

:)
 
ok,I will do that.Thank you for replying.
 

Similar threads

Replies
21
Views
3K
Replies
2
Views
2K
  • · Replies 15 ·
Replies
15
Views
3K
Replies
3
Views
1K
Replies
12
Views
3K
  • · Replies 11 ·
Replies
11
Views
2K
  • · Replies 8 ·
Replies
8
Views
3K
  • · Replies 2 ·
Replies
2
Views
4K
  • · Replies 1 ·
Replies
1
Views
3K
  • · Replies 24 ·
Replies
24
Views
3K