Hassan Raafat
- 37
- 5
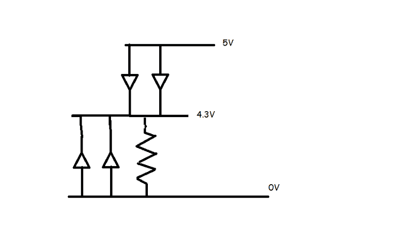
can i understand at OR gate with diodes , why o/p not equal the sum of two voltages (5+5=10v) , it's confusing me ?
The discussion revolves around understanding the behavior of an OR gate constructed with diodes, specifically addressing why the output voltage does not equal the sum of the input voltages. Participants explore practical approximations, circuit configurations, and the implications of diode behavior in this context.
Participants express differing views on the behavior of the OR gate with diodes, with no consensus reached on the fundamental question of voltage summation. The discussion remains unresolved regarding the exact output voltage behavior in practical scenarios.
Participants mention practical approximations and the need for circuit diagrams, indicating that assumptions about the circuit configuration may affect interpretations. There are references to historical practices in electronics that may not directly apply to current technologies.
Hassan Raafat said:why don't we sum the two voltages resulted from two diodes ?
SN7438Jeff Rosenbury said:Using the way back machine, I remember circuits with open collectors and simply wiring two signals together to get a virtual or gate. They were called "wired ors".
But now they're ROSH compliant wired or gates.CWatters said:Still used today... I think the Raspberry Pi has an I2C bus and (if the lead in the solder I use hasn't affected my brain) I think that uses an open collector/wired OR system.

I know it's bit late for me to join in but it would have been a good idea to supply a diagram with this, initial question. Once C Watters supplied one, the answer was clear. Circuit problems are usually much more easily solved with the actual circuit sitting in front of you.Hassan Raafat said:can i understand at OR gate with diodes , why o/p not equal the sum of two voltages (5+5=10v) , it's confusing me ?
I wondered where that extra limb came from.meBigGuy said:No body was inhaling lead fumes (1750C to vaporize lead). It was flux fumes. You still inhale those. One develops a technique of exhaling to blow the flux away as they solder.
From wikipedia
The lead in solder will not typically get hot enough to vaporize and become airborne. However, you will end up with lead on your hands after handling solder, so it is necessary to wash your hands with soap and water afterwards. Lead is toxic and can cause a variety of health problems. Children and pregnant women should avoid all contact with lead due to the severe developmental problems it causes.

thanks for your time :) , I've understood it .sophiecentaur said:I know it's bit late for me to join in but it would have been a good idea to supply a diagram with this, initial question. Once C Watters supplied one, the answer was clear. Circuit problems are usually much more easily solved with the actual circuit sitting in front of you.
PS Now you've gone and rattled the cages of the 'Conservationists'! They will be sleeping tonight with visions of glowing radio valves and carbon resistors.