Hydraulic Analogue - Mapping Electric Circuits to Fluid Flow

  • Thread starter Thread starter arithma
  • Start date Start date
  • Tags Tags
    Hydraulic
Click For Summary
SUMMARY

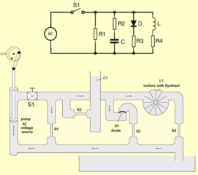
The hydraulic analogue effectively maps electric circuits to fluid flow, equating voltage with pressure and current with water flow. This discussion highlights the practical application of this analogy in fluid mechanics, particularly in the comparison of hydraulic rams and boost converters. The user seeks formulas for inductance and capacitance to facilitate the conversion of electric circuits into functional fluid circuits. Key insights include recognizing that inductors correspond to water's moment of inertia in pipes and that capacitance can be modeled using vertical water reservoirs.

PREREQUISITES
  • Understanding of hydraulic systems and fluid mechanics
  • Familiarity with electrical circuit components, specifically inductors and capacitors
  • Knowledge of the hydraulic ram and boost converter topologies
  • Basic principles of fluid dynamics, including pressure and flow rates
NEXT STEPS
  • Research formulas for inductance in fluid systems
  • Explore capacitance modeling using vertical water reservoirs
  • Study the hydraulic ram and boost converter in detail
  • Investigate the relationship between fluid dynamics and electrical circuit theory
USEFUL FOR

Engineers and students in fluid mechanics, electrical engineering, and anyone interested in the practical applications of hydraulic analogues in circuit design.

arithma
Messages
1
Reaction score
0
The hydraulic analogue (check it out on wikipedia for an indepth explanation) compares between electric circuits and fluid flow. It maps voltage to pressure and current to water flow.
I have been trying to take this analogue into applicability and use circuits from electronics and use them in my fluid mechanics course. To my surprise, this has been already done (possibly implicitly). The hydraulic ram and the boost converter are practically the same topology.

I got the resistive analogy figured out, I still need some formulas for induction and capacitance of any form (as into make a system to port any electric circuit into a functioning fluid circuit with reasonable functionality)

I know by now that inductors are implicitly found in pipes due to water's moment of inertia. Capacitance is model-able by reservoirs that stack water vertically (possibly with pressured gas on the inside).
The thing am missing is the formulas.
Pointing out the right track on the very least to find out these formulas will be fine :)
 
Engineering news on Phys.org
1566948159494.png


Knock yourself out with these. Note the C and L labelled on the diagram. You can write the equationf for those I'm sure.
 

Similar threads

  • · Replies 9 ·
Replies
9
Views
7K
Replies
4
Views
2K
  • · Replies 1 ·
Replies
1
Views
2K
  • · Replies 4 ·
Replies
4
Views
1K
  • · Replies 4 ·
Replies
4
Views
7K
  • · Replies 31 ·
2
Replies
31
Views
5K
  • · Replies 6 ·
Replies
6
Views
3K
  • · Replies 3 ·
Replies
3
Views
6K
  • · Replies 2 ·
Replies
2
Views
4K
  • · Replies 2 ·
Replies
2
Views
3K