I have a hydrodynamic loss head question

Click For Summary

Discussion Overview

The discussion revolves around the concept of hydrodynamic loss head in fluid dynamics, particularly in the context of incompressible and compressible flow. Participants explore the implications of friction on flow rates, pressure changes, and energy conservation in a tube system.

Discussion Character

  • Technical explanation
  • Conceptual clarification
  • Debate/contested

Main Points Raised

  • One participant expresses confusion about the relationship between friction and flow rates at the inlet and outlet, questioning if they remain the same despite friction.
  • Another participant asserts that the flow rates must be the same, suggesting that otherwise, the fluid would have nowhere to go.
  • Concerns are raised about the pressure not being the same despite the flow rates being equal, indicating a potential misunderstanding of pressure dynamics.
  • It is noted that while the average velocity remains the same, the velocity profile changes due to friction.
  • A participant explains that internal energy is degraded by friction, affecting static pressure and energy distribution in the flow.
  • There is a discussion about energy accounting between two points in the flow, referencing an equation that incorporates pressure, elevation, and velocity terms.
  • One participant questions whether dynamic pressure energy decreases when static pressure energy becomes zero, particularly in the context of an infinitely long tube.
  • Another participant introduces the idea that if the flow is compressible (like air), the inlet and outlet flow rates could differ if there is a significant pressure drop, while still maintaining mass conservation.

Areas of Agreement / Disagreement

Participants express differing views on the effects of friction on flow rates and pressure, with no consensus reached on the implications of compressibility in flow. The discussion remains unresolved regarding the exact nature of energy changes and flow characteristics under different conditions.

Contextual Notes

Limitations include assumptions about flow conditions (incompressible vs. compressible), the effects of friction on energy loss, and the specific definitions of velocity and pressure in the context of the discussion.

Hauzen
Messages
13
Reaction score
4
Hi!
I have a loss head question.
There is a difficulty in understanding the hydrodynamic loss head concept.
Assuming that there is a one-sided tube with incompressibility, visibility, tube friction coefficient and cross-sectional area A..
There is friction in the loss head formula, but is the flow rate and flow rate of the Inlet and Oulets the same?
I know that continuous equations are useful when there is no friction.
I don't understand that there is friction, but the flow rate of the Oulet does not decrease. And in the loss head, it is stated that v is the average velocity, but is it the v of the inlet? Is it the v of the outlet?
I don't understand the concept exactly.
hhh.PNG
 
Last edited by a moderator:
Engineering news on Phys.org
Hauzen said:
There is friction in the loss head formula, but is the flow rate and flow rate of the Inlet and Oulets the same?
It has to be. Where would the fluid go otherwise?

Hauzen said:
I don't understand that there is friction, but the flow rate of the Oulet does not decrease.
But the pressure is not the same.

Hauzen said:
it is stated that v is the average velocity, but is it the v of the inlet? Is it the v of the outlet?
The average velocity remains the same but the velocity profile changes:

fTEdG.png
https://i.stack.imgur.com/fTEdG.png
 
Last edited by a moderator:
  • Like
  • Informative
Likes   Reactions: berkeman, Hauzen, Chestermiller and 1 other person
Welcome, @Hauzen !

The problem is that the internal energy of the fluid, not the volumetric flow, is degraded by friction.

That internal energy is what pushes the vertical columns of fluid up; therefore, those column's heights are proportional to the static pressure at each cross-section, or number of molecules collisions/time-area, in the direction that is perpendicular to the main flow.

The walls of the tube at the cross-section where the vertical tube is located "feel" the same static pressure than the lowest section of the vertical column, but no velocity.
 
Hauzen said:
Hi!
I have a loss head question.
There is a difficulty in understanding the hydrodynamic loss head concept.
Assuming that there is a one-sided tube with incompressibility, visibility, tube friction coefficient and cross-sectional area A..
There is friction in the loss head formula, but is the flow rate and flow rate of the Inlet and Oulets the same?
I know that continuous equations are useful when there is no friction.
I don't understand that there is friction, but the flow rate of the Oulet does not decrease. And in the loss head, it is stated that v is the average velocity, but is it the v of the inlet? Is it the v of the outlet?
I don't understand the concept exactly.View attachment 341555
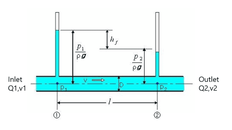
In fully developed, steady, incompressible, viscous flow the velocity profile is not changing between 1 and 2. However, the internal energy of the flow is being lost to heat, warming the flow, and (usually) escaping to the environment. The pressure is decreasing along the pipe because of this heat generation. The bulk kinetic energy flow is unchanged between 1 and 2 in the setup shown i.e. no change in velocity.

The equation that most basic engineering application utilize is to perfom the energy acounting between 1 and 2 is:

$$ \frac{P_1}{\rho g} + z_1 + \frac{V_1^2}{2g} = \frac{P_2}{\rho g} + z_2 + \frac{V_2^2}{2g} + \overbrace{\sum_{1 \to 2} K_i \frac{V_i}{2g}}^{>0} $$

Where ##K_i## is a variety of functions that may (or may not) be dependent on several factors like, pipe roughness, flow speed, pipe geometry, etc...
 
Last edited:
  • Like
Likes   Reactions: Hauzen and Lnewqban
jack action said:
It has to be. Where would the fluid go otherwise?


But the pressure is not the same.


The average velocity remains the same but the velocity profile changes:

Thank you for your detailed explanation. :)
After studying the concepts of static pressure and dynamic pressure, I came to understand them.
Then, because the length of L is infinitely long, does the dynamic pressure energy decrease from the moment the static pressure energy becomes zero?

And if the axis is set up on the y-axis rather than the x-axis, will it be the same?
 
erobz said:
In fully developed, steady, incompressible, viscous flow the velocity profile is not changing between 1 and 2. However, the internal energy of the flow is being lost to heat, warming the flow, and (usually) escaping to the environment. The pressure is decreasing along the pipe because of this heat generation. The bulk kinetic energy flow is unchanged between 1 and 2 in the setup shown i.e. no change in velocity.

The equation that most basic engineering application utilize is to perfom the energy acounting between 1 and 2 is:

$$ \frac{P_1}{\rho g} + z_1 + \frac{V_1^2}{2g} = \frac{P_2}{\rho g} + z_2 + \frac{V_2^2}{2g} + \overbrace{\sum_{1 \to 2} K_i \frac{V_i}{2g}}^{>0} $$

Where ##K_i## is a variety of functions that may (or may not) be dependent on several factors like, pipe roughness, flow speed, pipe geometry, etc...
Hi.
Thanks for your help.

If it is assumed that it is normal air, not incompressible, can the Inlet and Outlet flow rates be different if the pressure drop is large?
 
Hauzen said:
Hi.
Thanks for your help.

If it is assumed that it is normal air, not incompressible, can the Inlet and Outlet flow rates be different if the pressure drop is large?
Mass flow rate. No. Not in steady compressible flow. What happens is the velocity and and density change along the length of the pipe.

Mass is still conserved.
 

Similar threads

  • · Replies 22 ·
Replies
22
Views
2K
  • · Replies 8 ·
Replies
8
Views
4K
  • · Replies 3 ·
Replies
3
Views
2K
  • · Replies 20 ·
Replies
20
Views
5K
  • · Replies 8 ·
Replies
8
Views
3K
  • · Replies 8 ·
Replies
8
Views
2K
  • · Replies 31 ·
2
Replies
31
Views
5K
  • · Replies 4 ·
Replies
4
Views
17K
  • · Replies 5 ·
Replies
5
Views
2K
  • · Replies 3 ·
Replies
3
Views
3K