Kirchhoff's voltage law problem: Batteries, switches, resistors

Click For Summary
SUMMARY

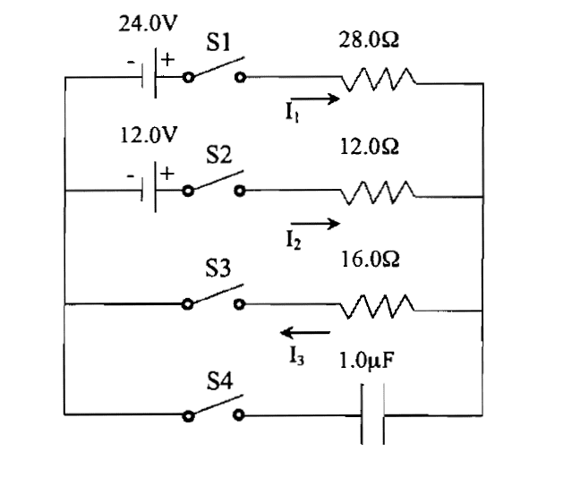
The discussion focuses on Kirchhoff's Voltage Law (KVL) applied to a circuit with closed switches S1, S2, S3, and S4. The key equations derived from the circuit analysis are 24 - 28I1 - I2*12 - 12 = 0 and 12 - 12I2 - 16*3 = 0, leading to the currents I1 = 0.492 A, I2 = 0.148 A, and I3 = 0.639 A. The participants clarify that the reason I2 does not equal I3 is due to the direction of current flow in the circuit, emphasizing that currents are measured through wires rather than loops.

PREREQUISITES
  • Understanding of Kirchhoff's Voltage Law (KVL)
  • Basic circuit analysis techniques
  • Familiarity with current flow in electrical circuits
  • Knowledge of solving simultaneous equations
NEXT STEPS
  • Study advanced applications of Kirchhoff's Laws in complex circuits
  • Learn about mesh analysis and its relation to KVL
  • Explore the impact of resistance on current distribution in circuits
  • Investigate the use of simulation tools like LTspice for circuit analysis
USEFUL FOR

Electrical engineering students, educators teaching circuit theory, and hobbyists interested in circuit design and analysis.

kenok1216
Messages
58
Reaction score
1

Homework Statement


擷取.PNG

for S1,S2,S3,S4 are all closed at the long time
find the current in each resistor

Homework Equations

The Attempt at a Solution


why I3 is not = i2?
the solution of this question is
24-28I1-I212-12=0
7I1-32=3-----(1)

12-12I2-163=0
3I2+43=3 ---(2)

I1+I2-I3=0---(3)

I1=0.492 I2=0.148 I3=0.639[/B]
why there are 3 current in 2loop and I2 is not =I3 and why at the top loop
the equation is not 24-28I1-[I1-I2]12-12=0?
 
Physics news on Phys.org
kenok1216 said:
why there are 3 current in 2loop
Currents are measured through wires, not in loops. There are three wires through which different currents are flowing (ignoring the wires with negligible resistance), so we measure three currents.
and I2 is not =I3
Because the currents going out rightwards from the top two wires return leftwards in the third wire.
 
andrewkirk said:
Currents are measured through wires, not in loops. There are three wires through which different currents are flowing (ignoring the wires with negligible resistance), so we measure three currents.
Because the currents going out rightwards from the top two wires return leftwards in the third wire.
Thank
 

Similar threads

Replies
4
Views
1K
Replies
16
Views
2K
Replies
22
Views
4K
  • · Replies 12 ·
Replies
12
Views
2K
  • · Replies 1 ·
Replies
1
Views
2K
  • · Replies 18 ·
Replies
18
Views
3K
  • · Replies 3 ·
Replies
3
Views
4K
  • · Replies 6 ·
Replies
6
Views
2K
  • · Replies 8 ·
Replies
8
Views
3K
  • · Replies 2 ·
Replies
2
Views
2K