Losing neutral in the utility system

Click For Summary

Discussion Overview

The discussion revolves around the implications and risks associated with losing the neutral conductor in electrical systems, particularly in residential settings. Participants explore various configurations and grounding practices in different countries, including the US and the UK, and share personal experiences related to neutral loss and grounding challenges.

Discussion Character

  • Exploratory
  • Technical explanation
  • Debate/contested

Main Points Raised

  • Some participants highlight the potential dangers of losing the neutral conductor, noting that current may find alternative paths through neighboring systems, which could lead to hazardous situations.
  • One participant recounts a near miss involving a cut neutral due to underground work, emphasizing the risks of unbalanced loads and the importance of proper grounding.
  • There are discussions about the differences in grounding practices between the UK and the US, with some participants noting that the UK typically uses the neutral as a grounding point for sockets, while the US employs a split-phase system.
  • Some participants express concerns about the adequacy of grounding systems in various countries, particularly in relation to leakage currents and the effectiveness of protective grounds versus neutrals.
  • A participant mentions the use of grounding resistors in certain systems to limit fault currents, indicating a preference for minimizing risk during faults.
  • There is a clarification about the distinction between neutral conductors and protective grounds, with some participants noting that they serve different purposes in electrical systems.
  • One participant references historical practices in US electrical systems, suggesting that the current configurations are influenced by earlier technologies.

Areas of Agreement / Disagreement

Participants express a variety of views on the implications of losing a neutral conductor, with no consensus on the best practices or the adequacy of different grounding systems. The discussion remains unresolved regarding the effectiveness and safety of various configurations across different regions.

Contextual Notes

Participants note differences in grounding practices and electrical configurations across countries, highlighting that assumptions about safety and functionality may not hold universally. There are mentions of specific incidents and configurations that may not apply broadly.

Who May Find This Useful

Individuals interested in electrical engineering, safety standards in electrical systems, and comparative practices in grounding and neutral conductors across different countries may find this discussion relevant.

Averagesupernova
Science Advisor
Gold Member
Messages
4,914
Reaction score
1,564
The consequences of this have been discussed many times here on PF. Here is an example of what can happen.
http://forums.mikeholt.com/showthread.php?t=178779
If you live in a rural community with your own water system or your water supply comes in on plastic this sort of thing seems impossible. But the truth is that you could likely cut the neutral conductor completely off in the service panel and it is unlikely you would notice it if you live in a section of town that everything is well bonded with metal water supply pipe. The current that should be in your own neutral conductor is finding its way back to the transformer through your neighbors neutral. Scary to think that some hack electrician my neighbor may hire could cause problems in my own house. Messing with the neutral can certainly be more dangerous in the long run than being a little careless with one of the hot wires.
 
  • Like
Likes   Reactions: berkeman
Engineering news on Phys.org
I came close to losing the house power neutral a few weeks ago. The local cable guys were repairing a underground coax when their pusher machine cut one of my and the next house on the block 240vac split-phase feeder wires underground. Only lost half of the lights and outlets to the house but a full neutral loss with unbalanced house loads could have been an electrical disaster. The original house ground was bonded to the water supply but that was replaced years ago with plastic from the street meter so I installed two of my own rods and bonded the entire system outside before feeding it to the main panel.

28612245233_beedcbf316_z_d.jpg
 
  • Like
Likes   Reactions: Electron Spin and berkeman
In the UK it is usual not to have an Earth electrode at the house but to use the Neutral at the entry point to the premises to provide the Earth connection for the three-pin sockets. All metalwork and pipes at the premises are bonded together and to the "Earth". The Neutral point is truly Earthed at the sub station. An Earth electrode is, however, used in cases of overhead cabling in order to just operate an Earth Leakage trip. I am sure real electrical experts will pick me up on this post but it is clear there are differences between countries.
 
tech99 said:
In the UK it is usual not to have an Earth electrode at the house but to use the Neutral at the entry point to the premises to provide the Earth connection for the three-pin sockets. All metalwork and pipes at the premises are bonded together and to the "Earth". The Neutral point is truly Earthed at the sub station. An Earth electrode is, however, used in cases of overhead cabling in order to just operate an Earth Leakage trip. I am sure real electrical experts will pick me up on this post but it is clear there are differences between countries.
While there are some differences there are enough similarities (from what I can tell from your post) that something similar could happen in the UK. I have heard of electrical fires getting starting because of a poor neutral connection somewhere and the neutral current finding it's way back through cable TV coax connections. Here in the USA now we have intersystem grounding buses. This is a busbar where the cable company, phone company, etc. can all ground their 'stuff'. This busbar is usually bonded to the service panel or meter socket with a pretty large wire.
 
I've had problems with UK type non-local earthed systems in Asia. It usually involved the proper safety grounding of US style equipment with EMI line filter capacitors from hot and neutral to a metal case grounding point near the power receptacle inside the equipment. Leakage currents would result in sometime 80 or more volts AC from a floating metal case to local Earth ground. We didn't like to run a solid Earth ground connection that could cause large current during a fault so we would at times use a ~1000 ohm grounding resistor from ground connection to limit fault currents while reducing leakage volts to below a fraction of a volt. The proper thing was to use a isolation transformer to break the current path but that was heavy to move around.
comp_emifilter_large.jpg
 
The classic power distribution in Norway does not use a "Neutral" conductor. Instead, it is the responsibility of the house owner to supply a local "protective ground" (usually a thick copper wire either inside the concrete in the house fundaments or buried alongside the drainage all the way around the house).
 
Svein said:
The classic power distribution in Norway does not use a "Neutral" conductor. Instead, it is the responsibility of the house owner to supply a local "protective ground" (usually a thick copper wire either inside the concrete in the house fundaments or buried alongside the drainage all the way around the house).

interesting comment and difficult to fully understand as a "neutral" and "protective ground", tho they may be ( and usually are) connected at the power meter/fuse box, are two totally different things
A protective ground isn't designed to do the same thing as a neutral lead in the house or appliance supply cabling with which there may or may not be a protective ground wire included. The neutral is the return path for the phase ( hot) lead

Would you like to clarify pleaseDave
 
  • Like
Likes   Reactions: Averagesupernova
A fuller explanation is in http://electrical-engineering-portal.com/phases-and-wires-in-distribution-of-ac-power, but I will just copy one figure:
three-phase-3-wire-system.png

The delta connection in (a) has no ground reference and there is no "neutral". If the ground connection is poor (as it usually is in Norway) the voltage between "ground" and the phases may literally be anything. The concept "protective ground" relates to the fact that water distribution used to be buried copper piping and as such had a fairly good connection to the "ground". Thus, any leakage in the power system could give you a nasty shock if you touched a faucet or something else connected to the water distribution in the house. Thus the "protective ground" - introduced in order to ensure that leakage current was directed to the same "ground" as the water system.
 
The US uses 'split-phase' center tap 240vac to residential 'lighting' circuits. (an historical holdover from Edison three wire DC lighting circuits)
300px-02-Edison_Central_Station_3_wire_dc_system-17.GIF

http://ethw.org/Early_Electrification_of_Buffalo

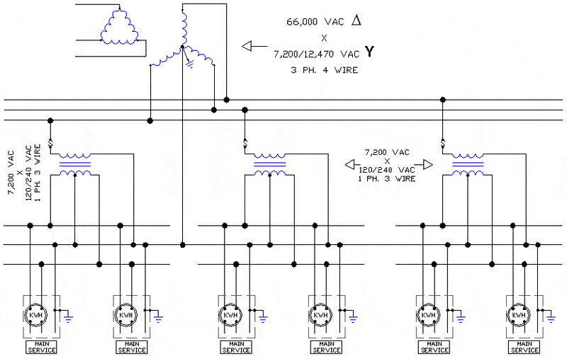
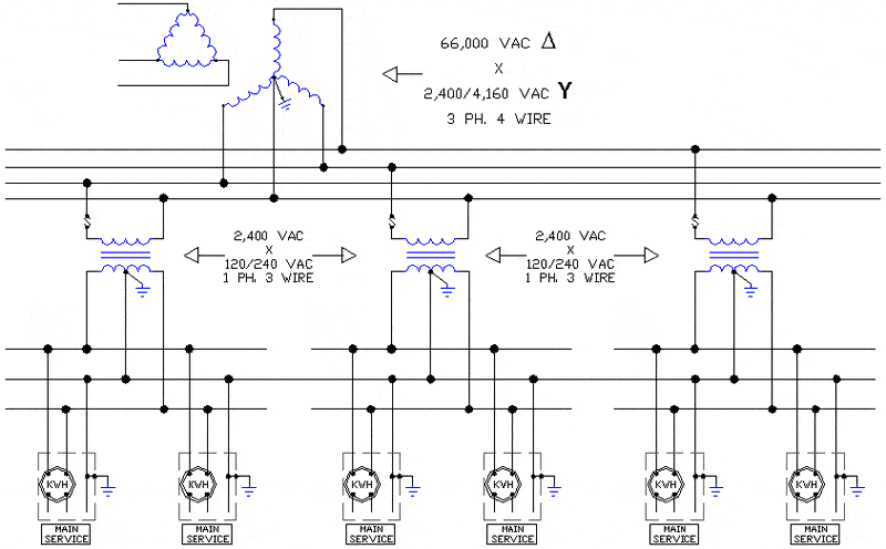
A few typical types of US power feeds with grounds and neutrals.
resdt3p3.gif
resdt3p4.gif
resdtmcn.gif

In all cases the standard 'split-phase' connection to the house remains the same.

It's my understanding that UK residential 'lighting' circuits do provide a neutral by bonding to ground at the substation transformer.
72.png
house wiring diagram.GIF
 
Last edited:
  • Like
Likes   Reactions: jim hardy
  • #10
Having something that is called neutral or not, most places have a tie to one of the current carrying conductors that connects to a buried electrode whether it is in concrete, ground rods, a bare conductor that circles the house, etc. Also, this grounded conductor will usually connect to a water pipe in one form or another. Unless your system is completely floating, the danger described in the first post of this thread is a real threat.
 
  • #11
It's my understanding that UK residential 'lighting' circuits do provide a neutral by bonding to ground at the substation transformer.
View attachment 107595 View attachment 107593[/QUOTE]
UK has only one feed for power and lighting, 230V. At a socket there are three wires: Line. Neutral and Earth. Usually, the Earth wire connects to Neutral (the underground cable armouring) at the house entry point. There is no ground electrode required at the house, but water pipes and metal work etc must be bonded to local "Earth". At the sub station, neutral is grounded. It is complicated - I await the comments!
 
  • #12
So in the UK there is not a connection between the metal chassis of the service panel and the neutral conductor? So in a fault condition when a hot wire (L in the diagram) touches the chassis of an appliance there will be current in the Earth wire (green in the diagram) which is not guaranteed to be enough current to trip a 30 amp breaker since the only path is through the soil in the Earth and not a metal conductor. Do I have this right? Now I believe the UK uses the equivalent of what we call GFCI here in the USA. Ground Fault Circuit Interrupter. If I recall correctly this device is placed in the main leads after the meter. It would sense a difference in current between the hot and neutral which would indicate something leaking off to where it should not be. So if I have this right, there is some protection but to have a faulty blender shutting off my whole house would be something of an inconvenience. Please elaborate.
 
  • #13
A simplified RCD diagram for UK power.
figa.jpg

http://www.powercords.co.uk/howrcd.htm

 
  • #14
Averagesupernova said:
So in the UK there is not a connection between the metal chassis of the service panel and the neutral conductor? So in a fault condition when a hot wire (L in the diagram) touches the chassis of an appliance there will be current in the Earth wire (green in the diagram) which is not guaranteed to be enough current to trip a 30 amp breaker since the only path is through the soil in the Earth and not a metal conductor. Do I have this right? Now I believe the UK uses the equivalent of what we call GFCI here in the USA. Ground Fault Circuit Interrupter. If I recall correctly this device is placed in the main leads after the meter. It would sense a difference in current between the hot and neutral which would indicate something leaking off to where it should not be. So if I have this right, there is some protection but to have a faulty blender shutting off my whole house would be something of an inconvenience. Please elaborate.
The incoming Neutral is Earthed at the sub station, at the centre point of the transformer. This then provides the E connection for everything at the house in addition to being the N conductor. An E wire (third wire) is provided to every socket. There is no actual ground connection at the house, apart from bonding of pipes and metalwork. So the difference between US and UK on the diagram that N is connected to the service panel metalwork. If L touches the metalwork of an appliance, current flows via the E wire back to the service panel where it then flows via the N (armouring) of the incoming cable. So there is no requirement for a Ground Fault Interrupter (Residual Current Device), although such devices are very commonly used for each ring main.
I think there is a difference between UK and US in that we have less overhead cables, and use mostly underground cables. The UK arrangement I have described is not used for overhead cables, where a local ground electrode is provided for the purpose of operating an Earth Current trip of some sort. (I am not sure of up to date practice about this trip, whether it is now RCD type or Earth leakage type). Can someone in UK help me on this please?
Regarding the inconvenience of RCD devices, yes it will trip if there is a leaky appliance. But many appliances these days are double insulated with no Earth connection. It is usual to divide the house into two or more zones, so that all power is not lost if the device trips. For instance, upstairs power will not trip the lights etc.
 
  • #15
tech99 said:
The incoming Neutral is Earthed at the sub station, at the centre point of the transformer. This then provides the E connection for everything at the house in addition to being the N conductor. An E wire (third wire) is provided to every socket. There is no actual ground connection at the house, apart from bonding of pipes and metalwork. So the difference between US and UK on the diagram that N is connected to the service panel metalwork. If L touches the metalwork of an appliance, current flows via the E wire back to the service panel where it then flows via the N (armouring) of the incoming cable. So there is no requirement for a Ground Fault Interrupter (Residual Current Device), although such devices are very commonly used for each ring main.
I think there is a difference between UK and US in that we have less overhead cables, and use mostly underground cables. The UK arrangement I have described is not used for overhead cables, where a local ground electrode is provided for the purpose of operating an Earth Current trip of some sort. (I am not sure of up to date practice about this trip, whether it is now RCD type or Earth leakage type). Can someone in UK help me on this please?
Regarding the inconvenience of RCD devices, yes it will trip if there is a leaky appliance. But many appliances these days are double insulated with no Earth connection. It is usual to divide the house into two or more zones, so that all power is not lost if the device trips. For instance, upstairs power will not trip the lights etc.
My bold. Ok so this helps a bit and this implies that there IS in fact a pathway back to the transformer center tap with a conductor other than the soil. This armouring you refer to I had not heard of. Is the armouring a 3rd conductor? I would think it would have to be to behave in the manner you describe. This is interesting.
 
  • #16
Averagesupernova said:
My bold. Ok so this helps a bit and this implies that there IS in fact a pathway back to the transformer center tap with a conductor other than the soil. This armouring you refer to I had not heard of. Is the armouring a 3rd conductor? I would think it would have to be to behave in the manner you describe. This is interesting.
The cable is of "coaxial" construction, with two conductors, a central L conductor and a steel armouring as the outer. The outer provides the N and E path. At the house, E and N house wiring is connected together at the entry point.
 
  • #17
Ok so there is no difference between the USA and the UK other than it is not split phase in the UK. This is what I would have expected in the first place.
 
  • #18
I do see one glaring difference in the handling of neutrals in US/NA versus UK systems. Specifically the branch circuit devices for premesis wiring are designed to break both grounded, or "neutral", and ungrounded, or "hot" conductors. In USA common practice this is forbidden except under certain permissions (separately derived prime, unit equipment factory wiring ect). Even GFCIs which are equivalent to RCDs, I am nearly certain do not break the neutral on the load side.

This has a major implication for troubleshooting since one way to quickly diagnose an open neutral conductor is to shut off the branch circuits connected to it and find continuity from the neutral (or "grounded conductor") to ground since at some point on the premesis wiring system they become the same wire. OL=120v neutral to ground in US...but in UK it just means the breaker's off?!
 
  • #19
Wow is this synchronicity ?

A friend came by a few hours ago to ask for help. He has worked as an apprentice electrician but never finished the training..
He'd put in a new circuit breaker panel for a neighbor . He said "Some of the lights worked for just a moment. I heard an arc when i plugged in the meter and when i thought i smelled smoke i pulled the meter back out."

When i got there i saw a wire not connected in the meter box. It was one of the "hot" ones going inside to the panel.
He said " We had trouble hooking that one up it's almost too short. I guess when we pulled on the other end we pulled this end loose. Maybe that was the arc i heard... "

Uh oh..

I had a longer scrap the of same gage with better 90C insulation, gave it to him and he installed it .

We re-installed meter and observed somebody before had got a screwdriver in the wrong place evidenced by a big spot of arc damage on one of the upper meter stabs.
Very difficult to push meter into the damaged stab but it went.
I stayed outside to watch for arcing at back of meter on that damaged stab while he went inside to try the breakers again.
Fridge and kitchen light came on , light was very bright and fridge was noisy, Breaker tripped after about 30 seconds. No arcing at meter stabs though.

I went inside opened all the breakers and measured voltages coming in from meter. Found between neutral and one of the 'hots' 120 volts as expected, but neutral to other one read 240. Whoah ! That should be impossible.

"Hey Scotty did you mark neutral when you reconnected these? " answer "Yeah but my tape mighta fell off when we pulled so hard... "
Okay we both knew what was wrong but i wanted him to recover face .

So i strung an ohm meter wire from inside to outside . ( I have ten foot leads on my meter for just such situations.. . )
I handed him the meter and I went out to meter box, pulled meter .
I touched my meter probe to a main terminal on downstream meter stab and hollered to Scott "I'm on my left hand hot here , on your right facing me, find me in there. " He replied "Yep , it's on the right hand hot here."
When i moved my probe to neutral , after maybe ten seconds he said "You sure you're on Neutral? It's the other 'hot' in here

As you've guessed by now he'd swapped that other hot wire with neutral and applied 230 volts to kitchen lights and fridge.
He put the wires back where they belong and everything returned to normal.
By some miracle nothing in the house burned up with neutrals and ground wires elevated to 120 volts.. Had he touched any appliance he'd have got a shock.
And the fridge seems to have survived the overvoltage but three of five CFL bulbs in the kitchen fixture did not.

Clearly there's another problem though, the new panel is not bonded to Earth ground . Something should have tripped with that connection . Or maybe it melted that first time when Scotty plugged the meter back in and heard an arc.
I'll get Scotty to add that connection when he comes back in the morning to finish up.

Moral of story -
Get a licensed electrician. It's too easy to get confused.
That's not the place to scrimp. See also this thread . https://www.physicsforums.com/threads/question-on-oversized-wire.892564/

old jim
 
Last edited:
  • Like
Likes   Reactions: SammyS and nsaspook
  • #20
Thread closed for Moderation...

Thread re-opened for now...
 
Last edited:
  • #21
I sent this in a PM to @jim hardy, but I thought it was worth pointing out here. I think opening this thread up again was a good idea as it shows what can happen in a hot-neutral reversal.
That is interesting that something did not 'let go' when the hot and neutral were reversed. There is typically a screw that goes through the neutral bar and connects to the chassis if there is a 3 wire feed to the panel. If it is a 4 wire feed with the ground and neutral separate this screw is left out. The inspectors that I have watched look carefully at this. A small house with a 3 wire service could conceivably reverse a hot and neutral without blowing something open I suppose if there isn't anything besides the soil between the utilities neutral and the chassis of the panel. A 4 wire service would be likely to survive this reversal but many items connected to the high side would not. I envision something like this melting metal siding off the side of the house. It could have been a lot uglier in your case.
 
  • Like
Likes   Reactions: berkeman
  • #22
Averagesupernova said:
I sent this in a PM to @jim hardy, but

And i appreciate the interest.


This morning we found that bonding screw present but not engaged. It's green and prominently located.
There are places where you should not tie neutral to ground so the factory left the screw barely inserted into the plastic, assuming a knowledgeable electrician would make the installation.
The factory put the screw there but did not run it in far enough to make the connection, making it electrically not there.
To make it bond you must run it in about twenty turns to engage the metal then tighten to 45 inch-pounds.

That explains why there were not pyrotechnics , neutral bar was not grounded .. Except maybe very briefly through the satellite dish which doesn't work anymore.

Could easily have made a real fireball.

We all learn from our own mistakes. It's smart to learn also by studying other people's mistakes.

Article 250 of electric code is relevant . Here's a couple of tutorials on it.
https://www.mikeholt.com/instructor2/img/product/pdf/1292432628sample.pdf
http://www.mikeholt.com/mojonewsarchive/GB-HTML/HTML/Neutral-to-GroundConnections~20020521.htm

old jim
 
Last edited:
  • Like
Likes   Reactions: berkeman
  • #23
In the service panels that I have been in which is mostly SquareD, the screw comes with the new panel not installed at all. It is packaged in an obvious way so the installer cannot miss it. In the neighbors case, the chassis of all the appliances were likely all hot even though this screw was missing. The ground and neutral wires from all the circuits terminate on the same bus in the panel. Imagine metal siding that is touching the meter housing. Now imagine a clothes dryer with a hot chassis which is attached to the dryer exhaust which is attached to the same metal siding as the meter housing. Yeah, lots of sparks.
-
Thinking about this a bit more. A lot of the ground wires that are in type NM cables, which are mostly what is used in residential, are bare. There is a black, white, and bare for ground. Sometimes there is a third wire which is red for certain applications but the grounding wire is always bare. It is virtually impossible that not a single bare grounding wire was not touching the chassis. I would say this neighbor of jim's was extremely lucky.
 
Last edited:
  • Like
Likes   Reactions: berkeman
  • #24
Yes that was very lucky.

here's a photo of same brand panel . I dint take any pictures, this is just an internet find..
You can see that the bonding screw is not tight.
Observe white stripe on big wire which indicates it's the neutral .
On site where this photo came from they explain it's a sub-panel not a service panel . Those terms have specific meaning in electrical code see those tutorials linked earlier.
In a sub-panel you don't bond neutral to ground and that's why this one wasn't tightened.

BondingScrew.jpg


In this one ground is via metal conduits connecting the panels.
upload_2016-11-11_20-28-12.png


If there's no metal conduit as in NM wiring(often called Romex which is a brand name) there'll be a ground wire too, the bare ones that Averagesupernova mentioned.
 
  • Like
Likes   Reactions: berkeman
  • #25
Those color codes are somewhat unfamiliar to me - a good thing that I have never looked at electrical wiring in the US. The IEC have standardized the color codes on wiring (http://www.allaboutcircuits.com/textbook/reference/chpt-2/wiring-color-codes/), so in my world the Protective Earth wire is yellow/green and that is the only wire connected to the chassis. As I have mentioned before, there is no "neutral" in classic Norwegian wiring, since we usually get a three-phase delta supply to the house.

Those color codes led me astray the other day. My heat exchanger suddenly refused to work and after some fiddling about, I discovered that the heat exchange pump did not run. It was supplied through a Molex connector, so I disconnected that and saw two black wires and one green/yellow. Routinely, I measured between the two black wires, and got about 20VAC when the pump was supposed to be running. I got hold of a schematic which indicated that the wires ought to be brown, green/yellow and blue. Strange...

After fiddling about for an hour, I discovered that the guy who had wired the beast had used yellow/green for one of the live wires and black for the protective ground! The fault was really in the speed switch on the pump - it had shaken out of position, breaking the contacts.
 
Last edited:
  • #26
Svein said:
I got hold of a schematic which indicated that the wires ought to be brown, green/yellow and blue. Strange...

After fiddling about for an hour, I discovered that the guy who had wired the beast had used yellow/green for one of the live wires and black for the protective ground!

Wow you have to wonder how those things happen.

One sure learns a lot from troubleshooting, eh ? It's a back door introduction to how things work .

Thanks for that link it is quite handy. I saved myself a copy of this image but it loses clarity when try to include in the post.
http://www.allaboutcircuits.com/textbook/reference/chpt-2/wiring-color-codes-infographic/

old jim
 
Last edited:
  • Like
Likes   Reactions: sophiecentaur
  • #27
Averagesupernova said:
But the truth is that you could likely cut the neutral conductor completely off in the service panel and it is unlikely you would notice
You would notice because all the appliances would stop working (at least, those which are wired correctly). The only path through the appliances is through Live and Neutral. If you cut the neutral into the consumer unit then they are all open circuit. (You may be envisaging a different cut point from what I understand from your statement, of course but the Supply Neutral is what is connected to the panel and it would or could be connected upstream to the Earth)
 
  • #28
sophiecentaur said:
You would notice because all the appliances would stop working (at least, those which are wired correctly). The only path through the appliances is through Live and Neutral. If you cut the neutral into the consumer unit then they are all open circuit. (You may be envisaging a different cut point from what I understand from your statement, of course but the Supply Neutral is what is connected to the panel and it would or could be connected upstream to the Earth)
Well I may well be envisioning a different cut point. And since we are on opposite side of the Atlantic it complicates things a bit as far as discussion is concerned. In the USA there IS more than one path back besides just the neutral. In a 200 amp service in a residential there is a #4 copper wire that connects to the water pipe where it comes into the house. This copper heads to the street and connects to the water main. The next door neighbors does the exact same thing. Still think there is not a redundant path back to the shared transformer?
 
  • #29
At this very moment I am chasing a fault in my supply Earth. I did a minor installation last week but thought I should check things before starting. I bought one of those 'Plug Check' devices, which tell you you have wired the sockets the right way round. That was OK on all the sockets I tried but I had a warning light to tell me the Earth resistance is more than 1.9Ω and less than 90Ω. My supply is overhead and seems just to have L and N. I cannot seem to find any trace of an Earth spike on the outside of the property so my only Earth connection may well be through the (hopefully metal) water supply.
I have had to book 'a man' to look at it. Hopefully, he will have a meter to check the Earth resistance with a bit more precision than my Noddy device.
I was amused to find some Red and Black wiring in the ring main sockets but they were installed in '95, which was a bit before the colour change.
 
  • #30
Averagesupernova said:
Still think there is not a redundant path back to the shared transformer?
Not in that case but, where there is a simple overhead, two conductor, supply, as in my house, you can't rely on a good Earth back to the sub all year round. A good local Earth is fine for personal protection, as long as all appliances and exposed metal are connected together. A residual current detector doesn't care too much about a few Ohms of Earth resistance.
 

Similar threads

  • · Replies 32 ·
2
Replies
32
Views
4K
  • · Replies 16 ·
Replies
16
Views
5K
  • · Replies 21 ·
Replies
21
Views
3K
  • · Replies 19 ·
Replies
19
Views
10K
  • · Replies 4 ·
Replies
4
Views
2K
  • · Replies 1 ·
Replies
1
Views
3K
  • · Replies 2 ·
Replies
2
Views
3K
  • · Replies 7 ·
Replies
7
Views
3K
  • · Replies 98 ·
4
Replies
98
Views
10K
Replies
31
Views
7K