Question About A Particular Circuit in LTSpice

Click For Summary

Discussion Overview

The discussion revolves around designing a circuit in LTSpice, specifically focusing on the use of dependent sources, particularly a current-controlled voltage source (CCVS) denoted as H1. Participants are troubleshooting errors and clarifying how to properly configure the circuit components.

Discussion Character

  • Technical explanation
  • Debate/contested
  • Exploratory

Main Points Raised

  • One participant is attempting to design a circuit in LTSpice and is confused about an error related to a dependent source.
  • Questions arise about whether H1 is a voltage-controlled or current-controlled voltage source, and what parameters need to be specified for it to function correctly.
  • Some participants clarify that H1 is a current-controlled voltage source and suggest that a separate voltage source and transresistance value need to be defined.
  • There is a discussion about the properties of H1 and how to access them, with suggestions to right-click on the symbol to edit its properties.
  • A participant expresses confusion about the use of a voltage source with 0V output to sense current for the CCVS, questioning if this is standard practice.
  • Another participant notes that the requirement to specify a voltage source for H1 can complicate circuit design, suggesting alternatives like arbitrary behavioral current sources.

Areas of Agreement / Disagreement

Participants express varying levels of understanding regarding the configuration of H1 and the use of voltage sources in the circuit. While some clarify aspects of the circuit design, others remain puzzled by certain practices and configurations, indicating that the discussion is not fully resolved.

Contextual Notes

There are unresolved questions about the appropriateness of using a 0V voltage source for sensing current and the implications of cluttering the circuit with null voltage sources. Additionally, there is uncertainty about the best practices for configuring dependent sources in LTSpice.

Lapse
Messages
49
Reaction score
4
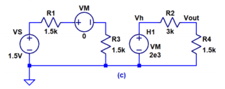
I am simply attempting to design a circuit in LTSpice. We just started on dependent sources.

I am having trouble designing this guy here:
upload_2018-9-28_9-47-22.png
Here's what I've got:
upload_2018-9-28_9-49-4.png
What does this error mean?
What do I need to change to make this circuit work?
 

Attachments

  • upload_2018-9-28_9-47-22.png
    upload_2018-9-28_9-47-22.png
    7.5 KB · Views: 1,171
  • upload_2018-9-28_9-49-4.png
    upload_2018-9-28_9-49-4.png
    11.7 KB · Views: 1,402
Physics news on Phys.org
Is H1 a voltage controlled or current controlled voltage source? What current or voltage do you want to be controlling H1's output? It looks like you have a constant 2e3 multiplier, but no quantity to multiply it by. When you double-click on H1, what-all can you fill in? Can you show us that screenshot?
 
In LTSpice, ##H## is a current-controlled voltage source. You need to specify a (separate) voltage source and transresistance value. The simulator will take the current flowing through that separate voltage source and multiply it by the transresistance value yielding the voltage of the ##H## source. Looks like you'll want to choose VM as your separate source.
 
  • Like
Likes   Reactions: berkeman
berkeman said:
Is H1 a voltage controlled or current controlled voltage source? What current or voltage do you want to be controlling H1's output? It looks like you have a constant 2e3 multiplier, but no quantity to multiply it by. When you double-click on H1, what-all can you fill in? Can you show us that screenshot?

Well, I know "H" is supposed to represent a current controlled voltage source, but the first picture of a circuit I posted was what the professor gave us in our HW. So I am unsure as to what he was expecting by giving a voltage source for a current dependent source.

I'm unsure how to answer the rest. Double-clicking H1 doesn't bring up any pop-ups. I figured that the professor's circuit made sense and I just didn't know how to read it. Now I see that it is just confusing for everyone.
 
Lapse said:
Double-clicking H1 doesn't bring up any pop-ups.
There has to be some way to edit its properties (I'm more familiar with MicroCAP than LTSpice). If you right-click H1, can you get to its properties?
 
berkeman said:
There has to be some way to edit its properties (I'm more familiar with MicroCAP than LTSpice). If you right-click H1, can you get to its properties?
The photo below is from right-clicking:

upload_2018-9-30_13-23-39.png
 

Attachments

  • upload_2018-9-30_13-23-39.png
    upload_2018-9-30_13-23-39.png
    4.6 KB · Views: 827
Right-click in the middle of the circle symbol, not on the text "H1"
 
Wow, sorry. I right clicked the symbol before and nothing happened. I closed LTSpice and re-opened it and now right-clicking the symbol works.
Here you are:

upload_2018-9-30_13-33-13.png
 

Attachments

  • upload_2018-9-30_13-33-13.png
    upload_2018-9-30_13-33-13.png
    12.1 KB · Views: 756
  • #10
Great, much better! :smile:

Now you just need to know what to put into those fields to give you the current-controlled voltage source characteristics that are needed. If you look in the Help menu for LTSpice, or search online at the LTSpice website, what do they say about how to fill out those fields?
 
  • #11
So I wasn't able to find anything online, but I did figure it out:

s9Z7tKlK4e6q0Uz2RPA-pKgyJtzO07W6pYIERQaanyRrIMFuRjMWHTDoG6NIj3hWuVLLTAZZpbKhfYt8oG5St4zhAjbu30bI.png


When you right click on the symbol you have the ability to add a second value. Then, there is a checkbox next to that 2nd value that enable's it's visibility and utility. If I am understanding correctly, I essentially assigned the dependent source the "VM" source by naming one of it's values "VM" also.

Anyways, thanks for the help. I appreciate the time you've given me. ☕
 

Attachments

  • s9Z7tKlK4e6q0Uz2RPA-pKgyJtzO07W6pYIERQaanyRrIMFuRjMWHTDoG6NIj3hWuVLLTAZZpbKhfYt8oG5St4zhAjbu30bI.png
    s9Z7tKlK4e6q0Uz2RPA-pKgyJtzO07W6pYIERQaanyRrIMFuRjMWHTDoG6NIj3hWuVLLTAZZpbKhfYt8oG5St4zhAjbu30bI.png
    36.3 KB · Views: 760
  • #12
Glad you got things basically working. I'm still puzzled by a few things in your circuit, though. It looks like you are using a voltage source VM with 0V output to sense the current that you use in the CCVS H1? Is that a normal practice? Having "VM" be the current that gets multiplied by 2000 to make Vh is a bit confusing for me.
 
  • #13
berkeman said:
Glad you got things basically working. I'm still puzzled by a few things in your circuit, though. It looks like you are using a voltage source VM with 0V output to sense the current that you use in the CCVS H1? Is that a normal practice? Having "VM" be the current that gets multiplied by 2000 to make Vh is a bit confusing for me.
It's true. The ##H## device requires that you specify the name of a voltage source and it takes the value of the current passing through it. It's a bit frustrating at times since it tends to clutter up the circuit with these "null" voltage sources.

It would be nice if you could specify any two-terminal device as the target for ##H##. However, there's also the ##bi## and ##bi2## arbitrary behavioral current source devices for which you can specify an arbitrary function using any voltages or currents in the circuit.
 
Last edited:
  • Like
Likes   Reactions: berkeman
  • #14
gneill said:
It would be nice if you could specify any two-terminal device as the target for HH.
Yeah, like I(R3)... :smile:
 
  • Like
Likes   Reactions: gneill

Similar threads

  • · Replies 17 ·
Replies
17
Views
4K
  • · Replies 6 ·
Replies
6
Views
4K
  • · Replies 7 ·
Replies
7
Views
3K
  • · Replies 1 ·
Replies
1
Views
2K
  • · Replies 12 ·
Replies
12
Views
3K
  • · Replies 4 ·
Replies
4
Views
2K
Replies
7
Views
3K
  • · Replies 3 ·
Replies
3
Views
3K
Replies
9
Views
8K
  • · Replies 8 ·
Replies
8
Views
2K