Understanding High Entropy Expressions in Circuit Analysis

  • Context: Engineering 
  • Thread starter Thread starter peasngravy
  • Start date Start date
  • Tags Tags
    Voltage
Click For Summary

Discussion Overview

The discussion revolves around understanding high entropy expressions in circuit analysis, specifically focusing on a circuit involving operational amplifiers (op-amps). Participants are addressing homework questions related to estimating voltages and overall voltage gain, with particular emphasis on frequency of operation and circuit configuration.

Discussion Character

  • Homework-related
  • Technical explanation
  • Exploratory

Main Points Raised

  • One participant expresses confusion about starting part B of a homework question, particularly regarding the frequency of operation.
  • Another participant suggests estimating quiescent voltages and overall voltage gain, prompting a discussion about op-amp topologies.
  • There is mention of using voltage dividers to determine input voltages and the role of capacitors in the circuit as low pass filters.
  • Participants discuss the configuration of the circuit and the implications of ignoring certain components, with one participant suggesting that some capacitors may not affect the calculations significantly.
  • There is a suggestion to consider the nature of signals from sensors, which are expected to be low frequency, and to estimate frequency ranges based on intuition or datasheets.
  • One participant asks about the background knowledge of others regarding AC circuit analysis, indicating a need to tailor responses based on familiarity with concepts like complex numbers, phasors, and Bode plots.
  • Discussion includes the identification of the circuit as a band-pass filter and questions about the inclusion of specific capacitors in the design.
  • Participants are working through calculations for input and output voltages, discussing the effects of negative feedback on inverting terminals.

Areas of Agreement / Disagreement

Participants express varying levels of understanding and familiarity with the circuit analysis concepts. There is no consensus on the best approach to the problem, and multiple viewpoints regarding the circuit's configuration and analysis remain present.

Contextual Notes

Participants note the complexity of the circuit compared to previous material covered in their notes, indicating potential gaps in foundational knowledge. There are also references to specific components and configurations that may not be fully understood by all participants.

peasngravy
Messages
72
Reaction score
6
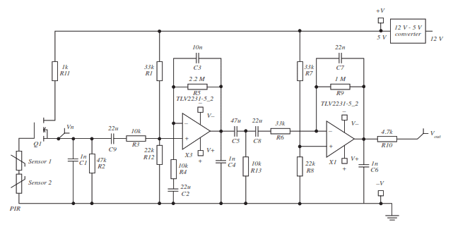
Homework Statement
Estimate the quiescent voltages at the inputs and outputs of the two
op-amps and the overall voltage gain (in decibels) of the circuit at the
frequency of operation. State any assumptions made.
Relevant Equations
None
Hi

I am completely stumped by this question - I have no idea where I am supposed to start with it. I have the answer to part a), which I had no trouble with.

Part B confuses me as I am not sure what the frequency of operation is. Would someone be able to help me to understand where to start with this?

Thanks
1605798954439.png
1605798954439.png
 
Physics news on Phys.org
peasngravy said:
Homework Statement:: Estimate the quiescent voltages at the inputs and outputs of the two
op-amps and the overall voltage gain (in decibels) of the circuit at the
frequency of operation. State any assumptions made.
Relevant Equations:: None

Hi

I am completely stumped by this question - I have no idea where I am supposed to start with it. I have the answer to part a), which I had no trouble with.

Part B confuses me as I am not sure what the frequency of operation is. Would someone be able to help me to understand where to start with this?

Thanks
View attachment 272781View attachment 272781
So it sounds like you were able to figure out the bias points, and are now asking about how to calculate the gain? Can you take a guess at what each of those two opamp topologies are? That will get you started on the 2nd part...
 
Sorry that must have been confusing, there are 2 parts to this question, the part a) being related to the 12-5v converter. I forgot I only posted part b), so you can completely ignore anything about that.

Basically I have no idea where to begin - it is a far more advanced circuit than we have seen so far in any of our notes
 
You should be able to figure out the bias points though, no? You have voltage dividers setting the + input voltages, and ignore the capacitors to figure out all of the DC voltages.

And for the AC analysis, you don't have a guess what kind of basic function each stage is configured for? If not, have a look at basic opamp topologies to see if you can figure it out. Once you know what each stage is basically doing, that makes it easier to answer the question about the gain...

https://en.wikipedia.org/wiki/Operational_amplifier_applications

http://www.physics.unlv.edu/~bill/PHYS483/op_amp_filt.pdf
 
  • Like
Likes   Reactions: peasngravy
So the capacitors are there to act as a low pass filter for that part of the circuit which i can use to calculate the frequency of operaion here?

Ok so for the non-inverting input of both op amps i just get
Vin = 5(R1/R1+R12)
Vin = 5(22k/22K+33K) = 2V at + terminals
Does that sound right so far?

Edit - the low pass filter seems to be set at 7.23hz = (1/(2*pi*rc))
 
peasngravy said:
Ok so for the non-inverting input of both op amps i just get
Vin = 5(R1/R1+R12)
Vin = 5(22k/22K+33K) = 2V at + terminals
Does that sound right so far?
Seems like a good start...
peasngravy said:
So the capacitors are there to act as a low pass filter for that part of the circuit which i can use to calculate the frequency of operaion here?
Keep in mind that RC circuits can form two kinds of filters, depending on how they are configured. What are the two basic RC filter types? And what can happen when you combine those two types in the right way?
 
  • Like
Likes   Reactions: DaveE
Here are a couple of hints just to make the problem more clear.

1) Because they didn't tell you anything about the sensors and the MOSFET, and because they labeled Vn. You can safely ignore everything to the left of C9. You will assume the input is the voltage Vn.

2) You should also ignore C4 and C6, they were put there by an idiot*. They won't really effect your answer anyway. You can assume that each op-amp solely determines the voltage at it's output based on it's inputs.

I'm not helping you solve the problem, these things are just irrelevant to the calculations/understanding intended and could cause confusion.

*OK, perhaps unfair. That is a very unusual thing to do and it may have been put there for a legitimate, but strange reason. [note to others: typical zo for this part is 150Ω]
 
DaveE said:
1) Because they didn't tell you anything about the sensors and the MOSFET, and because they labeled Vn. You can safely ignore everything to the left of C9. You will assume the input is the voltage Vn.
I note that the schematic labels that section "PIR", which is industry-speak for Passive InfraRed sensor. Or Pyroelectric InfraRed sensor, depending upon your industry jargon preference. Eh, doesn't matter. It's a PIR, and a bit of Google wrangling will quickly lead you to a theory of operation.

The point is that any signal from the sensors will likely be very low frequency, depending upon the change in infrared influx due to the motion of warm bodies in the field of view of the sensor. One can presumably estimate the Hertz range by shear intuition, or by exercising a bit more Google-foo, find some datasheets to mine for relevant data. Probably overkill for this exercise.
 
DaveE said:
2) You should also ignore C4 and C6, they were put there by an idiot*.
DaveE said:
*OK, perhaps unfair. That is a very unusual thing to do and it may have been put there for a legitimate, but strange reason. [note to others: typical zo for this part is 150Ω]
Good eye, I missed those. They would seem capable of doing bad things with feedback loop stability...
 
  • Like
Likes   Reactions: DaveE and gneill
  • #10
gneill said:
The point is that any signal from the sensors will likely be very low frequency,... One can presumably estimate the Hertz range by shear intuition
OK, you can also deduce this by multiplying any of the RC combinations in the schematic.
 
  • #11
Tell us more about your background in analysis. Are you comfortable with complex numbers and phasors? AC circuit analysis and impedance? Laplace transforms? Bode plots? Ideal op-amp models? Simple RC circuits?

It's OK if you're not, we just need to know how to target our answers. Frankly, the way I would approach this problem may be simple to me but not to you.
 
  • #12
DaveE said:
Tell us more about your background in analysis. Are you comfortable with complex numbers and phasors? AC circuit analysis and impedance? Laplace transforms? Bode plots? Ideal op-amp models? Simple RC circuits?

It's OK if you're not, we just need to know how to target our answers. Frankly, the way I would approach this problem may be simple to me but not to you.

Sorry for the late reply, different time zone :)

I am familiar with simple RC circuits, ac circuit analysis and just learning about op-amps now. I have not done any of the above in any great depth to be honest
 
  • #13
berkeman said:
Seems like a good start...

Keep in mind that RC circuits can form two kinds of filters, depending on how they are configured. What are the two basic RC filter types? And what can happen when you combine those two types in the right way?

Ok so this is a band-pass filter - looking at the pdf you linked to, this particular band pass filter gives a higher gain and steeper roll-off frequency. Thanks for that as it has helped me out here - however I am not quite sure why both C5 and C8 are included
 
  • #14
peasngravy said:
So the capacitors are there to act as a low pass filter for that part of the circuit which i can use to calculate the frequency of operaion here?

Ok so for the non-inverting input of both op amps i just get
Vin = 5(R1/R1+R12)
Vin = 5(22k/22K+33K) = 2V at + terminals
Does that sound right so far?
The problem asks for the voltage at the output of the opamps as well.

peasngravy said:
Edit - the low pass filter seems to be set at 7.23hz = (1/(2*pi*rc))

What part of the circuit are you referring to as a low pass filter? Which R and C are you using in the formula?
 
  • #15
The Electrician said:
The problem asks for the voltage at the output of the opamps as well.
What part of the circuit are you referring to as a low pass filter? Which R and C are you using in the formula?

I used C3 and R5 for that formula

I am working on the outputs at the moment - the inverting terminals will be at the some potential as the non-inverting terminals due to the negative feedback right?
 
  • #16
When you say you are "working" on the outputs, just exactly what are you doing? You should be writing some equations. Show us what you are doing in that regard. You should probably be solving for the response of the opamp stages separately, and when you have the individual responses, you can combine them to get the overall response.
 
  • #17
The Electrician said:
When you say you are "working" on the outputs, just exactly what are you doing? You should be writing some equations. Show us what you are doing in that regard. You should probably be solving for the response of the opamp stages separately, and when you have the individual responses, you can combine them to get the overall response.

Ok so i was looking at the first op amp to work out what was involved.

So for the gain, I was looking at
Av = - (R5/R4) = -(2200000/10000) = -220

So it looks like each Op-amp has a band pass filter. For the first op-amp, on the left, the high pass filter is C9 and R3 with a cutoff frequency of 0.72hz, and the low pass filter is c3 and r5 with a frequency of 7.23hz so the first parts operates between those frequencies.

2nd op amp's high pass, I went with C8 and r6 as I wasn't sure of the function of C5. Using those, and C7 and R9 for the high pass, i get an operating range of 0.22-7.23 hz
 
Last edited:
  • #18
What about C2 and C3?

Do you know how to perform a nodal analysis?

If you work on the first opamp you would need 4 equations involving the 4 nodes I've marked here:
Opamp1.png
 
  • #19
Do you know how to get an expression for the complex impedance of a resistor R in parallel with a capacitor C?

The impedance of a capacitor is given by 1/ (j ω C). Using the product over the sum formula for elements in parallel, you get Z (the equivalent impedance of the parallel combination) = (R * 1/(j ω C))/(R + 1/(j ω C)).

Do you know how to do this sort of complex algebra?
 
  • Like
Likes   Reactions: peasngravy
  • #20
What do j and omega relate to in that formula?

I really need to go back to basics with the nodal analysis stuff I think, I learned that a LONG time ago, maybe 20 years ago
 
  • #21
j is the imaginary quantity √-1 and ω is the radian frequency 2*π*f. These are used when performing a phasor analysis of a circuit with capacitors and resistors.

The gain of the first opamp is not just -(R5/R4); you have to also take into account the capacitors. Have you learned how to do that?

The corner frequency of the input high pass is not just given by R3 and C9; you also have to take into account the effect of R1 and R12. You calculate the parallel combination of R1 and R12 and add that to the value of R3, then multiply that quantity by 2, Pi, and C9, and reciprocate.

You have a complicated overall circuit here. :smile:

I've got to go to bed now. Some of the other helpers will take over when they wake up.
 
  • Like
Likes   Reactions: peasngravy
  • #22
The Electrician said:
j is the imaginary quantity √-1 and ω is the radian frequency 2*π*f. These are used when performing a phasor analysis of a circuit with capacitors and resistors.

The gain of the first opamp is not just -(R5/R4); you have to also take into account the capacitors. Have you learned how to do that?

The corner frequency of the input high pass is not just given by R3 and C9; you also have to take into account the effect of R1 and R12. You calculate the parallel combination of R1 and R12 and add that to the value of R3, then multiply that quantity by 2, Pi, and C9, and reciprocate.

You have a complicated overall circuit here. :smile:

I've got to go to bed now. Some of the other helpers will take over when they wake up.

Yeah it is very complicated, I have found it a bit overwhelming to be honest and the maths you have shown me does not make me feel much better :D But thank you for your time helping me, i appreciate it
 
  • #23
DaveE said:
You should also ignore C4 and C6, they were put there by an idiot*.

*OK, perhaps unfair. That is a very unusual thing to do and it may have been put there for a legitimate, but strange reason. [note to others: typical zo for this part is 150Ω]
Concerning C4 and C6, it is NEVER a good idea to hang a capacitor directly on the output of an op-amp. I will defend your original statement about them being put there by an idiot.
-
Now, that being said, many years ago I was likely guilty of doing that exact same thing in some homebrew project before I knew better. If something like this were to ever help prevent an oscillation it is likely an example of 2 wrongs making a right. And that in and of itself is still wrong.
 
  • Like
Likes   Reactions: berkeman
  • #24
The reason designers like to use op-amp is their (nearly) ideal characteristics. These are infinite input impedance, infinite gain, zero output impedance (for voltage amplifiers). This allows you to solve feedback networks by splitting them easily into parts that don't interact.

So, if you aren't familiar with this yet. First study the simple op-amp configurations like on https://www.electronics-tutorials.ws/opamp/opamp_2.html (there are about a million places on the web for this stuff, I chose this one at random). You will want to first understand and memorize the simplest negative feedback results (inverting and non-inverting circuits). These sites will all initially show you the answers for simple resistors, but in filter circuits like the one you posted you can combine reactive elements into a complex, frequency dependent, impedance. So, for example, R9||C7 can be treated as an impedance Z=R9/(1+jω⋅R9⋅C7). This example is an impedance whose magnitude |Z|=R9/√(1-ω2⋅R92⋅C72) is Z≅R9 at low frequencies, but around the frequency fc=1/(2π⋅R9⋅C7) will start to decrease, at high frequencies it will be dominated by the capacitor C7 with Z≅1/(jω⋅C7).

This approach will allow you to split up your analysis into pieces like I've shown below. Except for their inclusion in the basic formulas, you don't have to worry about interactions between the groups.

Untitled-1.jpg
 
  • Like
Likes   Reactions: peasngravy
  • #25
  • Like
Likes   Reactions: peasngravy
  • #26
peasngravy, do you want any more help on this, or will post #22 be your last post here?
 
  • #27
The Electrician said:
peasngravy, do you want any more help on this, or will post #22 be your last post here?

Hi - I am based in Europe so it’s just early in the morning here now. I will spend some time today digesting some of the info you guys have given and have another go at an answer when my daughter allows me to spend the time :). Thanks to everyone for your time so far.

I have not seen anything like the stuff that has been posted so far in my notes so it seems like a bit of a jump to just throw this stuff in without really teaching us about it - this is the first op-amp circuit in the course to use capacitors so far.

This is a distance learning course so it’s difficult to understand some of it without speaking to someone.
 
  • #28
DaveE said:
The reason designers like to use op-amp is their (nearly) ideal characteristics. These are infinite input impedance, infinite gain, zero output impedance (for voltage amplifiers). This allows you to solve feedback networks by splitting them easily into parts that don't interact.

So, if you aren't familiar with this yet. First study the simple op-amp configurations like on https://www.electronics-tutorials.ws/opamp/opamp_2.html (there are about a million places on the web for this stuff, I chose this one at random). You will want to first understand and memorize the simplest negative feedback results (inverting and non-inverting circuits). These sites will all initially show you the answers for simple resistors, but in filter circuits like the one you posted you can combine reactive elements into a complex, frequency dependent, impedance. So, for example, R9||C7 can be treated as an impedance Z=R9/(1+jω⋅R9⋅C7). This example is an impedance whose magnitude |Z|=R9/√(1-ω2⋅R92⋅C72) is Z≅R9 at low frequencies, but around the frequency fc=1/(2π⋅R9⋅C7) will start to decrease, at high frequencies it will be dominated by the capacitor C7 with Z≅1/(jω⋅C7).

This approach will allow you to split up your analysis into pieces like I've shown below. Except for their inclusion in the basic formulas, you don't have to worry about interactions between the groups.

View attachment 272841

this is very helpful to see it broken down this way, I didn’t realize they could almost be looked at as independent circuits
 
  • #29
Suppose C3 and C7 were removed, and C9, C2, C5 and C8 were replaced with a short (each replaced with a wire in other words), could you calculate the voltage gain Vout/Vin? Then the circuit would be all resistors, no capacitors; opamps still there, of course.
 
  • #30
The problem statement says:

"Estimate ... the overall voltage gain (in decibels) of the circuit at the
frequency of operation. State any assumptions made. "

Notice that it says "estimate". You made some calculations and found that the operating frequency is probably in the neighborhood of a few hertz. Assume that it's one hertz for easy calculations. State that you have made this assumption and explain that it's based on your calculations of the high and low pass frequencies.

Now calculate the reactance of each capacitor at one hertz; you get a value in ohms. Replace each capacitor with a resistor whose value is equal to the reactance in ohms. Now you have a circuit without any capacitors, just resistors. Calculate the gain Vout/Vin for this modified circuit. This can be your "estimate", and it's not completely unreasonable.
 

Similar threads

  • · Replies 1 ·
Replies
1
Views
2K
  • · Replies 4 ·
Replies
4
Views
2K
  • · Replies 2 ·
Replies
2
Views
2K
  • · Replies 17 ·
Replies
17
Views
4K
  • · Replies 7 ·
Replies
7
Views
2K
  • · Replies 6 ·
Replies
6
Views
4K
Replies
15
Views
3K
  • · Replies 8 ·
Replies
8
Views
2K
  • · Replies 8 ·
Replies
8
Views
2K
  • · Replies 1 ·
Replies
1
Views
4K