flexj624
- 11
- 0
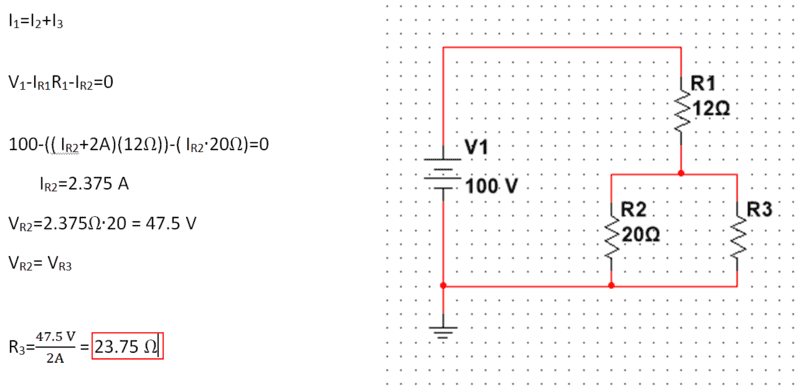
Hey guys, I have tried and tried to find a start to this problem with no success. My book may have the answer but unfortunately I must be not realizing it. So hopefully I just need a different perspective. Typically I would find the equivalent resistance of the circuit and then begin to calculate current and voltage drop across each resistor. In this situation I would find the resistance of the parallel resistors R2 and R3 by using the reciprocal of the sum of the reciprocals of the resistors equation, then add them to the series resistor R1. But because I do not have the value of R3 I can't do that. And because I don't have the current in the circuit I can't find the voltage drops to work my way around the circuit. Does anyone know how to begin this problem? Any hints would be greatly appreciated.
Ohm's Law, resistance in parallel circuits, and resistance in series circuits.
I don't know where to start on this one because my typical starting point is finding the equivalent resistance.
Homework Equations
Ohm's Law, resistance in parallel circuits, and resistance in series circuits.
The Attempt at a Solution
I don't know where to start on this one because my typical starting point is finding the equivalent resistance.
