What's the difference between series an parallel components in the pictures

Click For Summary

Discussion Overview

The discussion revolves around the differences in connecting components in electrical circuits, specifically focusing on the impedance of resistors, capacitors, and inductors in series and parallel configurations. Participants explore the implications of these configurations in two different circuits, one consisting solely of resistors and the other including capacitors and inductors.

Discussion Character

  • Technical explanation
  • Debate/contested
  • Conceptual clarification

Main Points Raised

  • One participant describes a scenario where resistors are connected in parallel and questions why capacitors and resistors are treated differently in terms of series connections.
  • Another participant suggests that inductance and resistance cannot be combined in the same way as resistances alone.
  • There is a request for clarification on what specific problem is being solved in the second circuit, indicating that it may not simplify to a basic component.
  • A participant expresses confusion about the relationship between the impedance of R1 and C, proposing a comparison to a Δ transform with R2.
  • Another participant emphasizes that the impedance of inductors and capacitors varies with frequency, unlike resistors, which do not depend on frequency.

Areas of Agreement / Disagreement

Participants exhibit differing views on the treatment of impedance in series and parallel configurations, with some asserting that inductors and capacitors have different behaviors compared to resistors. The discussion remains unresolved, with multiple competing perspectives on the implications of these configurations.

Contextual Notes

There are limitations in the clarity of the circuit diagrams and the specific components involved, which may affect the understanding of the impedance calculations. The discussion also touches on the purpose of the circuits, such as total resistance and transfer functions, but these aspects are not fully resolved.

snir
Messages
11
Reaction score
0
hi;
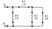
When I study - if we want to connect impedance in the case of: - we connect the R4 and (R1+(R2||R3)) as parallels
upload_2017-2-15_18-33-5.png


but when we want the get impedance of C and R of the right: - we connect that as series: Z(of C)+R .. why the different? please help!
upload_2017-2-15_18-37-10.png
 
Engineering news on Phys.org
Because inductance and resistance are different things and you cannot combine them as exactly the same the way you can when everything is just resistances.
 
snir said:
hi;
When I study - if we want to connect impedance in the case of: - we connect the R4 and (R1+(R2||R3)) as parallels
View attachment 113258

but when we want the get impedance of C and R of the right: - we connect that as series: Z(of C)+R .. why the different? please help!
View attachment 113259
In the 2nd circuit, it's not clear what you are trying to solve for. In general, that circuit will not combine down to a simple component or two. Could you label the different components with different numbers (so each resistor has a different number, etc.), and ask what you would like to be able to solve for in the circuit?
 
berkeman said:
In the 2nd circuit, it's not clear what you are trying to solve for. In general, that circuit will not combine down to a simple component or two. Could you label the different components with different numbers (so each resistor has a different number, etc.), and ask what you would like to be able to solve for in the circuit?
upload_2017-2-15_18-57-18.png

I want to find a simple arranged of total impedance on the
different circuit 1 (all R) and 2 (with the C and L).

in case 1 told me that R4 and (R1+(R2||R3)) as parallels. and in case 2 impedance R1 and impedance C is series. but I think about it if I will connect something to the Terminals the connection of R1 and C is like a Δ transform with R2 no?

(may that matter what the purpose of tow cases - case 1 what the total R , and case 2 what the transfer function. If that matter i want to know why)
 
snir said:
View attachment 113261
I want to find a simple arranged of total impedance on the
different circuit 1 (all R) and 2 (with the C and L).

in case 1 told me that R4 and (R1+(R2||R3)) as parallels. and in case 2 impedance R1 and impedance C is series. but I think about it if I will connect something to the Terminals the connection of R1 and C is like a Δ transform with R2 no?

(may that matter what the purpose of tow cases - case 1 what the total R , and case 2 what the transfer function. If that matter i want to know why)
The impedance for circuit 2 looking into which 2 nodes? It makes a difference... :smile:
 
snir said:
the connection of R1 and C is like a Δ transform with R2 no?
No. Please reread post #2 and try to understand it.

Do you understand that the impedance of inductors and capacitors depends on the frequency, whereas the impedance of a resistor does not?
 

Similar threads

  • · Replies 6 ·
Replies
6
Views
3K
Replies
4
Views
2K
  • · Replies 15 ·
Replies
15
Views
3K
  • · Replies 6 ·
Replies
6
Views
5K
Replies
14
Views
3K
  • · Replies 20 ·
Replies
20
Views
4K
  • · Replies 8 ·
Replies
8
Views
2K
  • · Replies 31 ·
2
Replies
31
Views
5K
  • · Replies 6 ·
Replies
6
Views
2K
Replies
44
Views
7K