Analog Circuit for Mathematical Pendulum

  • Thread starter Thread starter bob012345
  • Start date Start date
  • Tags Tags
    Block diagram
Click For Summary

Discussion Overview

The discussion centers around the design and implementation of an analog circuit for simulating a mathematical pendulum, specifically addressing the equation $$ \ddot{\alpha}= -\frac{g}{l}sin(\alpha)$$. Participants seek clarification on the signal flow within the circuit blocks, particularly the integrators and multipliers, and share insights from simulations and practical implementations.

Discussion Character

  • Technical explanation
  • Exploratory
  • Experimental/applied

Main Points Raised

  • Some participants propose that the input to integrator #1 should include both $$\frac{g}{l}sin(\alpha)$$ and $$\ddot{\alpha}$$, but there is uncertainty about the inputs and outputs of integrators #3 and #4.
  • One participant asserts that the output of integrator #4 must be $$sin(\alpha)$$, as it is multiplied by the constant $$g/l$$, and describes how the sine and cosine wave generator operates using integrators #3 and #4.
  • Another participant explains that the blocks with plus signs are multipliers that combine input signals, while a triangle block serves as an inverter that changes the signal's sign.
  • There is a discussion about how the buffering affects the generation of $$sin(\alpha)$$, with one participant questioning the relationship between $$\alpha$$ and the buffered signals.
  • A participant shares their experience simulating the circuit and programming it on The Analog Thing computer, noting differences in behavior between the simulation and the actual circuit, particularly for large angles.

Areas of Agreement / Disagreement

Participants express various views on the function and interconnections of the circuit blocks, with some agreeing on certain outputs while others raise questions and uncertainties about the signal flow and the effects of buffering. The discussion remains unresolved regarding the exact nature of the relationships between the signals.

Contextual Notes

There are limitations in the discussion regarding the assumptions made about the circuit's behavior, the dependence on specific definitions of the signals, and the unresolved mathematical relationships between the components.

bob012345
Gold Member
Messages
2,352
Reaction score
1,083
TL;DR
I need some help understanding this block diagram of an analog pendulum circuit. This circuit has a sine generator which complicates the diagram. I need help understanding what comes out of the integrators.
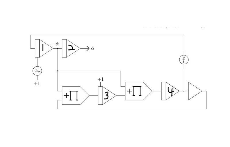
This is an analog circuit block diagram of a mathematical pendulum which solves the equation $$ \ddot{\alpha}= -\frac{g}{l}sin(\alpha)$$.
I need some help following the signals into and out of the blocks. I think the input to integrator #1 must be ##\frac{g}{l}sin(\alpha)## as well as ##\ddot{\alpha}## but what goes into and comes out of integrators #3 and #4? I'm planning on implementing this on The Analog Thing computer. The diagram below comes from Bernd Ulmann's book Analog and Hybrid Computer Programming.

https://the-analog-thing.org/

Thanks for any help!
0.jpg
 
Engineering news on Phys.org
Can you help further explain the functions of the other blocks in the feedback loop diagram besides blocks 1 to 4 which are supposed to be integrators?
Thank you in advance.
 
The output of integrator 4 must be sin(a), because it is multiplied by the constant g/l.

The lowest line of 5 elements makes the sine wave generator, which produces cosine and sine waves from integrators 3 and 4 respectively.
The sine output is buffered and fed back across the bottom of the diagram to the input to the cosine integrator 3, that has initial output = +1 at time = 0.

The sine and cosine integrator inputs each have a multiplier, +Π, with common input to the multipliers. I believe the angular frequency is controlled by the +Π multipliers before each integrator.
 
  • Like
Likes   Reactions: bob012345
alan123hk said:
Can you help further explain the functions of the other blocks in the feedback loop diagram besides blocks 1 to 4 which are supposed to be integrators?
Thank you in advance.
Sure. The blocks with the plus sign are multipliers which just multiply the two input signals and the single triangle is an inverter which just inverts the sign of the signal.
 
Baluncore said:
The output of integrator 4 must be sin(a), because it is multiplied by the constant g/l.

The lowest line of 5 elements makes the sine wave generator, which produces cosine and sine waves from integrators 3 and 4 respectively.
The sine output is buffered and fed back across the bottom of the diagram to the input to the cosine integrator 3, that has initial output = +1 at time = 0.

The sine and cosine integrator inputs each have a multiplier, +Π, with common input to the multipliers. I believe the angular frequency is controlled by the +Π multipliers before each integrator.
Thanks. I get how the bottom loop makes sines and cosines but I don't get how it makes ##sin(\alpha)## given the buffering from ##-\dot{\alpha}##. For example, the output of the left multiplier must be ##(-\dot{\alpha} )(-sin(\alpha))## but ##\alpha## itself is not trivially ##\omega t## as it would be without the buffering.
 
Baluncore said:
The output of integrator 4 must be sin(a), because it is multiplied by the constant g/l.

The lowest line of 5 elements makes the sine wave generator, which produces cosine and sine waves from integrators 3 and 4 respectively.
The sine output is buffered and fed back across the bottom of the diagram to the input to the cosine integrator 3, that has initial output = +1 at time = 0.

The sine and cosine integrator inputs each have a multiplier, +Π, with common input to the multipliers. I believe the angular frequency is controlled by the +Π multipliers before each integrator.
Ok, thanks, I see it now. It is exactly as this simpler case also from Bernd Ulmann's book where the ##\omega## is controlled by potentiometers;
0-1.jpg


Only now, the multipliers in the diagram below act like the potentiometers (circles) in the diagram above because the instantaneous frequency input is ##\omega=-\dot{\alpha}## which implies ##sin(\omega\tau)=-sin(\alpha)##.
0.jpg
 
I ended up simulating this and then programming the circuit on The Analog Thing analog computer. Here are the results. First the simulation. This is for a large angle of 3 radians. The dark blue is the solution for the angle ##\alpha## with the small angle approximation. The green is the angle without the small angle approximation. Notice it is not a sine wave and has a much longer period. The turquoise is the velocity for that and the red is the acceleration. Notice the double hump which occurs for initial angles larger than ##\frac{\pi}{2}##.
0-2.jpg


Here is the circuit running on The Analog Thing (THAT). It's not scaled to the exact same conditions but must be a large amplitude and captures the right behaviour. I still have to understand how to calibrate this to exact specified initial conditions. It's not quite as large an amplitude as the simulation because the double hump is less pronounced. Here yellow is the angle, turquoise is the angular velocity and purple is the acceleration.

0-3.jpg

0-4.jpg
 
  • Like
Likes   Reactions: dlgoff and sophiecentaur

Similar threads

Replies
1
Views
1K
  • · Replies 4 ·
Replies
4
Views
5K
  • · Replies 5 ·
Replies
5
Views
2K
  • · Replies 15 ·
Replies
15
Views
2K
Replies
3
Views
2K
Replies
26
Views
7K
  • · Replies 3 ·
Replies
3
Views
3K
  • · Replies 2 ·
Replies
2
Views
1K
  • · Replies 1 ·
Replies
1
Views
3K