Block Diagram Reduction - Control System

Click For Summary

Discussion Overview

The discussion revolves around the process of block diagram reduction in control systems, specifically focusing on the management of feedback loops within a given diagram. The scope includes technical reasoning related to control system analysis.

Discussion Character

  • Technical explanation, Debate/contested

Main Points Raised

  • One participant suggests starting the reduction of feedback loops from the rightmost summing point.
  • Other participants express that they have resolved their issues independently and request their posts to be deleted, indicating a shift in focus away from the discussion.
  • A later reply emphasizes the importance of adhering to forum guidelines, suggesting that simply solving problems without discussion is not acceptable.

Areas of Agreement / Disagreement

The discussion appears to have unresolved elements, as some participants have moved on from the topic while others emphasize the need for continued engagement and adherence to forum norms.

Contextual Notes

There are indications of missing assumptions regarding the specific methods for block diagram reduction, as well as the implications of the feedback loops mentioned.

ldlchds
Messages
2
Reaction score
0
Homework Statement
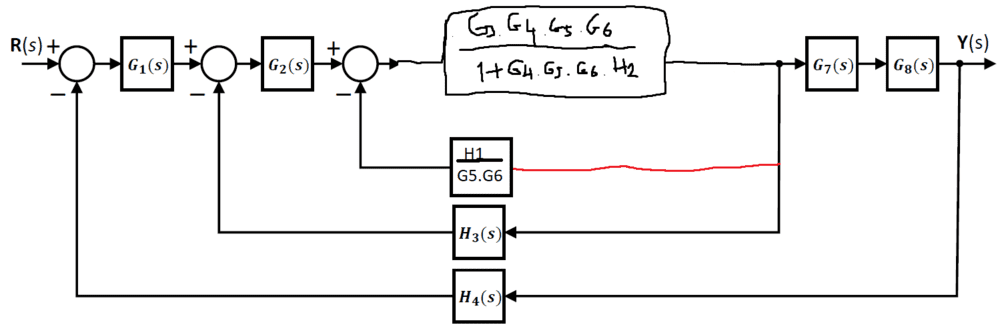
Reduce the block diagram to the canonical form:
Relevant Equations
Am I moving right? I am not sure. Do you have any idea how should I do?
567.png
77.png
 
Physics news on Phys.org
You are on the right track.
You are now left with three feedback loops in the diagram. Reduce them one by one, starting from the rightmost summing point.
 
  • Like
Likes   Reactions: berkeman
Okay, delete please this post.I solved.Thanks
 
ldlchds said:
Okay, delete please this post.I solved.Thanks
LOL, no. That's not how the PF works. This is not "cheating.com"

Thread locked.
 
  • Haha
Likes   Reactions: BvU

Similar threads

  • · Replies 5 ·
Replies
5
Views
815
Replies
24
Views
5K
  • · Replies 0 ·
Replies
0
Views
2K
  • · Replies 2 ·
Replies
2
Views
8K
  • · Replies 7 ·
Replies
7
Views
2K
Replies
4
Views
2K
  • · Replies 5 ·
Replies
5
Views
2K
  • · Replies 3 ·
Replies
3
Views
2K
  • · Replies 4 ·
Replies
4
Views
2K
  • · Replies 2 ·
Replies
2
Views
3K