Calculate the effective values in this 3-Phase Circuit

Click For Summary

Discussion Overview

The discussion revolves around calculating effective values in a direct-symmetrical 3-Phase circuit involving resistors, capacitors, and inductors. Participants explore expressions for effective voltages and currents, as well as the active power of the generator, while addressing the complexities of the circuit configuration.

Discussion Character

  • Homework-related
  • Mathematical reasoning
  • Technical explanation
  • Debate/contested

Main Points Raised

  • One participant expresses uncertainty about how to start solving the problem and attempts to derive the current of the generator in terms of total impedance and voltage.
  • Another participant suggests analyzing the middle LC network, noting that one inductor is open-circuited, which simplifies the circuit to two inductors and two capacitors in parallel.
  • A further reply calculates the effective reactance of the LC network, proposing a specific expression for it.
  • Another participant questions the relationship between capacitive and inductive reactance given the frequency condition, leading to a conclusion about the equivalent reactance of the LC network.
  • There is a discussion about the implications of the circuit configuration on the active power, with one participant stating that the power is zero due to the open circuit condition.
  • One participant inquires about alternative methods for analyzing the circuit, specifically regarding the representation of inductors.

Areas of Agreement / Disagreement

Participants exhibit a mix of agreement and disagreement, particularly regarding the implications of the circuit configuration on power and reactance. No consensus is reached on the best approach to analyze the circuit or the specific expressions for effective values.

Contextual Notes

Participants rely on specific assumptions about the circuit configuration and the behavior of the components, which may not be universally applicable. The discussion includes unresolved mathematical steps and varying interpretations of the circuit's behavior.

Who May Find This Useful

This discussion may be useful for students and practitioners interested in electrical engineering, particularly those studying 3-Phase circuits and reactive components.

diredragon
Messages
321
Reaction score
15

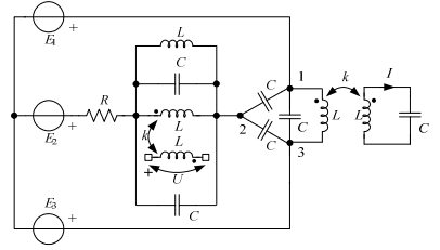
Homework Statement


3-Phase.png

Given the known quantities ##R, C, L##, ##k##, and the effective values of the voltages ##E_1=E_2=E_3=E## , ##w = \frac{1}{\sqrt{LC}}## of the direct-symmetrical 3-Phase system find the expressions for the effective values of ##U_{12}##, ##U## and ##I## and calculate the active power ##P## of the 3-Phase generator.

Homework Equations


3. The Attempt at a Solution [/B]
Let me write down the solutions to this problem so we know what to aim for when solving it:
Solution.png

I feel kinda overwhelmed to not even know where to start from. I think can express the current ##I_2## of the generator ##E_2## in terms of the total impedance of the middle part and the voltage ##U##.
CFD84B06-3352-4C23-B86A-6668A4E1C0F6.jpeg

##U=jwI_1L+jwkLI'_2 => I'_2 = \frac{U}{jwkL}## since ##I_1=0##. The ##Z_e## in the diagram equals ##Z_e = jwL||\frac{1}{2jwC} = -jwL##.
The current ##I'_2 = I_2\frac{Z_e}{Z_e+L} => I_2 = \frac{U(k-jw)}{kLw^2}## and this is all i can get out of this first part. I could also make the left part like this:
8B212E23-B388-4FED-BE98-17A65AB1C4A3.jpeg
But i don't see how that would help. What am i missing? Is there a course of action to take that i don’t see here?
 

Attachments

  • 3-Phase.png
    3-Phase.png
    4.9 KB · Views: 1,014
  • Solution.png
    Solution.png
    2.4 KB · Views: 445
  • CFD84B06-3352-4C23-B86A-6668A4E1C0F6.jpeg
    CFD84B06-3352-4C23-B86A-6668A4E1C0F6.jpeg
    47.7 KB · Views: 706
  • 8B212E23-B388-4FED-BE98-17A65AB1C4A3.jpeg
    8B212E23-B388-4FED-BE98-17A65AB1C4A3.jpeg
    49 KB · Views: 707
Physics news on Phys.org
First look at the middle LC network. One of the coupled inductors is open-circuited, so it won't have any effect on the main circuit. That leaves you with 2 Ls and 2 Cs, all in parallel. What would be their effective reactance?
 
cnh1995 said:
First look at the middle LC network. One of the coupled inductors is open-circuited, so it won't have any effect on the main circuit. That leaves you with 2 Ls and 2 Cs, all in parallel. What would be their effective reactance?
I get ##\frac{jwL}{2}||\frac{1}{2jwC} = \frac{-jwL}{2(1-wL)} = \frac{-jL}{2(\sqrt{LC}-L)}##
 
No.

What can you say about Xc and XL given that ω=1/√LC? What would be the equivalent reactance of the LC network?
 
  • Like
Likes   Reactions: diredragon
cnh1995 said:
No.

What can you say about Xc and XL given that ω=1/√LC? What would be the equivalent reactance of the LC network?
Oh, ##X_L = X_C##. So at the points where ##Z_e## should be is open circuit, no current ##I_2## in that branch and since the only resistive element is in that branch that explains ##P = P_R = 0##. The voltage on the two capacitors must be the same as the same current goes through them and that's how i got ##U_{12}##. One thing about ##I##, is there an easier way than to turn this into a 3 inductors on the right side as drawn on the picture in the original post?
 

Similar threads

  • · Replies 6 ·
Replies
6
Views
3K
  • · Replies 11 ·
Replies
11
Views
3K
  • · Replies 2 ·
Replies
2
Views
2K
  • · Replies 17 ·
Replies
17
Views
3K
  • · Replies 15 ·
Replies
15
Views
2K
  • · Replies 8 ·
Replies
8
Views
2K
  • · Replies 5 ·
Replies
5
Views
2K
  • · Replies 5 ·
Replies
5
Views
2K
  • · Replies 33 ·
2
Replies
33
Views
4K
  • · Replies 3 ·
Replies
3
Views
2K