Capacitors -- charging and discharging

  • Context: Undergrad 
  • Thread starter Thread starter Hannah7h
  • Start date Start date
  • Tags Tags
    Capacitors Charging
Click For Summary

Discussion Overview

The discussion revolves around the behavior of capacitors during charging and discharging processes, specifically focusing on the potential differences across capacitors and resistors in a circuit. Participants explore the exponential nature of these changes and the implications of circuit configurations.

Discussion Character

  • Technical explanation
  • Conceptual clarification
  • Debate/contested

Main Points Raised

  • Some participants assert that during charging, the potential difference across the resistor decreases exponentially to zero while the capacitor's potential difference increases to match the battery voltage.
  • Others propose that during discharging, the potential difference across the capacitor decreases exponentially, and the potential difference across the resistor also decreases, questioning the reason for this behavior.
  • It is noted that the resistor does not store charge, which leads to a decrease in voltage across it as the capacitor discharges.
  • Some participants discuss the relationship between the potential differences across the capacitor and resistor, referencing Kirchhoff's Voltage Law (KVL) to explain the negative sign in the equation VC = -VR.
  • There is a contention regarding the terminology used to describe the charging process, with some arguing that "exponentially" is the correct term while others caution against the use of "asymptotically" as potentially misleading.

Areas of Agreement / Disagreement

Participants generally agree on the basic principles of capacitor charging and discharging, but there are differing views on the terminology used to describe the processes and the implications of certain equations. The discussion remains unresolved regarding the appropriateness of specific terms.

Contextual Notes

Some participants express uncertainty about the implications of terminology and its correctness in the context of academic evaluation. There is also a lack of consensus on the precise definitions and descriptions of the charging and discharging curves.

Who May Find This Useful

This discussion may be useful for students and enthusiasts of electrical engineering and physics, particularly those interested in circuit analysis and the behavior of capacitors in various configurations.

Hannah7h
Messages
39
Reaction score
0
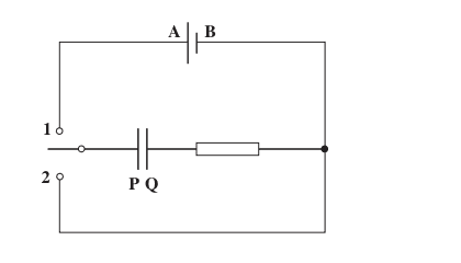
So, is this true for when a capacitor charges through a fixed resistor (as shown in the image below, when the switch is closed to 1)- the potential difference across the resistor exponentially decreases to zero and the potential difference across the capacitor exponentially increases from zero to equal the voltage across the battery (power supply), when the capacitor is fully charged?
Screen Shot 2016-06-06 at 18.54.30.png
 
Physics news on Phys.org
Hannah7h said:
So, is this true for when a capacitor charges through a fixed resistor (as shown in the image below, when the switch is closed to 1)- the potential difference across the resistor exponentially decreases to zero and the potential difference across the capacitor exponentially increases from zero to equal the voltage across the battery (power supply), when the capacitor is fully charged?
View attachment 101750
Yes.
 
cnh1995 said:
Yes.

Ok, so now if the switch is moved to position 2 and the capacitor is now discharging. The potential difference of the capacitor will now decrease exponentially, and so does the potential difference across the fixed resistor- why does the p.d across the fixed resistor also decrease?
 
Also, when switch is in position 1, you could say voltage across the cap rises asymptotically to battery voltage.

When switch is in position 2, you can then think of the capacitor as a power supply -- where the voltage drops as you draw current out of it.
 
Hannah7h said:
Ok, so now if the switch is moved to position 2 and the capacitor is now discharging. The potential difference of the capacitor will now decrease exponentially, and so does the potential difference across the fixed resistor- why does the p.d across the fixed resistor also decrease?
Capacitor acts as a source while discharging and voltage across capacitor is equal to the voltage across resistor. Since capacitor voltage is decreasing, voltage across the fixed resistor is also decreasing.
 
In other words, resistor does not store any charge. Hence, voltage across the resistor decreases while discharging of the capacitor.
 
cnh1995 said:
Capacitor acts as a source while discharging and voltage across capacitor is equal to the voltage across resistor. Since capacitor voltage is decreasing, voltage across the fixed resistor is also decreasing.

Ohhh I see that makes sense, just one more question why in: VC= -VR is the p.d across the resistor quoted as a negative value?
 
David Lewis said:
Also, when switch is in position 1, you could say voltage across the cap rises asymptotically to battery voltage.

When switch is in position 2, you can then think of the capacitor as a power supply -- where the voltage drops as you draw current out of it.

Ah ok yes this makes sense now
 
Hannah7h said:
Ohhh I see that makes sense, just one more question why in: VC= -VR is the p.d across the resistor quoted as a negative value?
It follows from KVL i.e. Vc+Vr=0. Going along the direction of current, you'd see a drop in potential across the resistor and a gain of potential across the capacitor.
 
  • #10
cnh1995 said:
It follows from KVL i.e. Vc+Vr=0. Going along the direction of current, you'd see a drop in potential across the resistor and a gain of potential across the capacitor.

Ok yeah makes sense, so when the capacitor is discharging the p.d across the capacitor increases so the p.d across the resistor decreases in order to = zero. And then when the capacitor discharges VC= -VR as both the p.d across the capacitor and p.d across the resistor decrease to zero.
 
  • #11
Hannah7h said:
Ok yeah makes sense, so when the capacitor is discharging **charging** the p.d across the capacitor increases so the p.d across the resistor decreases in order to = zero
Hannah7h said:
And then when the capacitor discharges VC= -VR as both the p.d across the capacitor and p.d across the resistor decrease to zero.
Right.
 
  • #12
cnh1995 said:
Right.

Sorry my mistake! and ok good, thanks for the help!
 
  • #13
Hannah7h said:
Sorry my mistake! and ok good, thanks for the help!
You're welcome!
 
  • #14
David Lewis said:
Also, when switch is in position 1, you could say voltage across the cap rises asymptotically to battery voltage.

When switch is in position 2, you can then think of the capacitor as a power supply -- where the voltage drops as you draw current out of it.

Rises exponentially is the correct and precise term!
'Asymptotically' is unnecessary and misleading.
Some 'asymptotic' curves are not exponential.
If the charging/discharging curves of capacitors were described as 'asymptotic' in an exam answer it would be marked wrong !
Take care with terminology!
 
  • Like
Likes   Reactions: davenn

Similar threads

  • · Replies 7 ·
Replies
7
Views
2K
  • · Replies 3 ·
Replies
3
Views
3K
  • · Replies 7 ·
Replies
7
Views
2K
  • · Replies 7 ·
Replies
7
Views
3K
  • · Replies 50 ·
2
Replies
50
Views
15K
  • · Replies 7 ·
Replies
7
Views
2K
  • · Replies 19 ·
Replies
19
Views
6K
  • · Replies 2 ·
Replies
2
Views
2K
  • · Replies 7 ·
Replies
7
Views
3K
Replies
20
Views
2K