Design a Monoflop: Help Calculating Values from Sine Wave Input

  • Thread starter Thread starter cherry_ying
  • Start date Start date
  • Tags Tags
    Designing
Click For Summary

Discussion Overview

The discussion revolves around designing a monoflop (monostable multivibrator) that takes a sine wave input and produces two corresponding square wave outputs. Participants are seeking assistance with calculating component values for the circuit, addressing issues with the output signals, and clarifying the functionality of the circuit based on a provided schematic.

Discussion Character

  • Homework-related
  • Technical explanation
  • Debate/contested

Main Points Raised

  • One participant expresses uncertainty about how to calculate the necessary values for the circuit components, noting that they have not yet learned to analyze transistors and diodes.
  • Another participant points out potential issues with the diode arrangement in the provided schematic, suggesting that there may be a missing connection.
  • Some participants discuss the need for sufficient gain in the output stages to ensure that the transistors operate between cutoff and saturation, implying that larger collector resistors may be necessary.
  • There is confusion regarding which resistor in the RC part of the circuit controls the length of the square wave, with one participant noting that varying the capacitor did not yield the expected results.
  • A later reply reveals that the two diodes in the circuit are actually varactors (voltage variable capacitors), which was not initially clear to all participants.
  • Participants share their experiences with circuit simulation tools and express interest in finding additional resources or designs that specifically address sine wave inputs for monoflop circuits.

Areas of Agreement / Disagreement

Participants do not reach a consensus on the correct design or values for the circuit. Multiple viewpoints and uncertainties about the functionality of the circuit and the role of specific components remain evident throughout the discussion.

Contextual Notes

Limitations include unclear specifications for component values, unresolved questions about the circuit's intended operation with sine wave inputs, and the potential misinterpretation of the schematic provided in the referenced paper.

cherry_ying
Messages
16
Reaction score
0
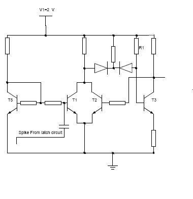
Hi, I am a first year undergrad, and for my research, I was asked to design a monoflop (monostable multi-vibrator) which takes in a sine wave, and outputs two square waves which are corresponding to each other (one is on while the other is off, and vice versa)

I was told to refer to the design in attachment. However, no values were listed in the sample design. I'm just wondering if someone could please help me calculate the values I would need for the circuit, since I haven't learned how to analyze transistor and diodes yet.

I know from different readings that the collector for T1 and T2 is one output and the collector from T3 is the other output. I have tried arbitary values, and the problems I'm having are that a) the output from T1 and T2 is still a sign wave, and b) the output from T3 is not big enough. Since I have no clue regarding what are the appropriate values for each device, I cannot seem to get what I want on it.

(Also, I have seen other monoflop designs online, however, the majority of them are creating square waves from a pulse, which is different from the sine wave. If there are any site that uses sine wave as input, I would glad to hear about them.)


Thanks!
 

Attachments

  • sample design.JPG
    sample design.JPG
    8.5 KB · Views: 438
Engineering news on Phys.org
cherry_ying said:
Hi, I am a first year undergrad, and for my research, I was asked to design a monoflop (monostable multi-vibrator) which takes in a sine wave, and outputs two square waves which are corresponding to each other (one is on while the other is off, and vice versa)

I was told to refer to the design in attachment. However, no values were listed in the sample design. I'm just wondering if someone could please help me calculate the values I would need for the circuit, since I haven't learned how to analyze transistor and diodes yet.

I know from different readings that the collector for T1 and T2 is one output and the collector from T3 is the other output. I have tried arbitary values, and the problems I'm having are that a) the output from T1 and T2 is still a sign wave, and b) the output from T3 is not big enough. Since I have no clue regarding what are the appropriate values for each device, I cannot seem to get what I want on it.

(Also, I have seen other monoflop designs online, however, the majority of them are creating square waves from a pulse, which is different from the sine wave. If there are any site that uses sine wave as input, I would glad to hear about them.)


Thanks!

Welcome to the PF. Schoolwork questions like this normally need to be posted in the Homework Help section of the PF. I'm going to let this thread stay here in EE for now though, as long as the help you are given conforms to the HH rules (hints and questions only, etc.).
 
cherry_ying said:
I was told to refer to the design in attachment. However, no values were listed in the sample design. I'm just wondering if someone could please help me calculate the values I would need for the circuit, since I haven't learned how to analyze transistor and diodes yet.

The circuit in the figure looks to have issues. Where did you get it from? The diode arrangement especially looks wrong -- is there a connection missing to somewhere from the junction between the two diode cathodes?

To deal with a sine wave input, you just need lots of gain. You want your output stages to go between cutoff and saturation, so they need to be driven with enough base current (and have a big enough collector resistor) to push them into saturation when they are on.
 
berkeman said:
The circuit in the figure looks to have issues. Where did you get it from? The diode arrangement especially looks wrong -- is there a connection missing to somewhere from the junction between the two diode cathodes?

To deal with a sine wave input, you just need lots of gain. You want your output stages to go between cutoff and saturation, so they need to be driven with enough base current (and have a big enough collector resistor) to push them into saturation when they are on.

Thank you so much for your quick reply!

The circuit in the figure was from a paper. My tutor/phd referred me to it. The pic is a direct screen shot from the paper, so the chances of a missing connection is slim. however, if it's wrong, what would you suggest to change?

cutoff and saturation, does that have to do with the transistor? So in order to get lots of gain, i need big collector resistors. Are there any specifications for other resistors?

my tutor/phd also mentioned that the RC part controls the length of the square wave. I am confused with which R would that be, and when I tried to vary the C, it did not seem to work.

I am also currently wondering whether or not the circuit that was given actually does what I require it to do, as in with sine input, outputs two corresponding square waves.

thanks!
 
cherry_ying said:
Thank you so much for your quick reply!

The circuit in the figure was from a paper. My tutor/phd referred me to it. The pic is a direct screen shot from the paper, so the chances of a missing connection is slim. however, if it's wrong, what would you suggest to change?

cutoff and saturation, does that have to do with the transistor? So in order to get lots of gain, i need big collector resistors. Are there any specifications for other resistors?

my tutor/phd also mentioned that the RC part controls the length of the square wave. I am confused with which R would that be, and when I tried to vary the C, it did not seem to work.

I am also currently wondering whether or not the circuit that was given actually does what I require it to do, as in with sine input, outputs two corresponding square waves.

thanks!

Since the schematic was from a paper, what did the paper say about the function of the two diodes?

Do you have a circuit simulator that you can work with in designing your project circuit? Or do you have to do it by hand on a breadboard?

BTW, I used Google Images to search for the term monoflop (which I hadn't heard before), and got a number of ineresting circuit implementations...
 
berkeman said:
Since the schematic was from a paper, what did the paper say about the function of the two diodes?

Do you have a circuit simulator that you can work with in designing your project circuit? Or do you have to do it by hand on a breadboard?

BTW, I used Google Images to search for the term monoflop (which I hadn't heard before), and got a number of ineresting circuit implementations...

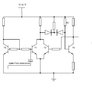
Attached is a screen shot of a page of the paper describing how the monoflop works. it seems that it only described how the circuit works, however, no diode was mentioned.

I am currently working on it on ADS, which allows simulation. I have tried arbitary values with all resistance set to 50 Ohms, and the capacitor set to 10pF, however, the result I got is a sine wave for one output (T1, T2 collector) and a smaller, rounded square wave for the other output at the T3 collector.

I tried searching for monoflop on google as well. It seems that I should have mentioned that it's also called "monostable multi-vibrator". Have you heard of this before? If so, do you happen to know if the circuit works correctly?
 

Attachments

  • description.JPG
    description.JPG
    48.5 KB · Views: 420
So it turns out that the two diodes in this circuit are actually varactors (voltage variables capacitors). Not surprising then that no one could figure out how it was supposed to work without that crucial piece of information.
 
uart said:
So it turns out that the two diodes in this circuit are actually varactors (voltage variables capacitors). Not surprising then that no one could figure out how it was supposed to work without that crucial piece of information.

Sorry, when I read it the first time, I didn't see any diodes mentioned and since I couldn't find the mentioned V2 on the diagram, I thought that the V1 for the other part of the circuit is V2.

Let's see if I understand this correctly, so the varactors are controlled by the voltage source V1, and decides the width of the ouput pulse. But should the diodes be set to some specific value? (this is my first encounter with diodes, and when I simulated with different values fo the diodes, the pulses did not seem to change)? Also, I couldn't seem to get the normal diode to work on ADS, so instead I used a clamp diode, does it have the same function?

Also, now knowing how the circuit works, does the circuit seem correct? And if so, what would be some of the suggested value for the resistors? for example, around what degree of magnitude should the resistance values be? I have tried different combination of resistance values, however I still can't get the right pulse, and throughout all of this, the output from T1 and T2 collector is still a sine wave.

Thanks!
 

Similar threads

Replies
2
Views
2K
  • · Replies 10 ·
Replies
10
Views
4K
Replies
55
Views
8K
  • · Replies 6 ·
Replies
6
Views
2K
Replies
16
Views
3K
Replies
8
Views
3K
  • · Replies 22 ·
Replies
22
Views
5K
  • · Replies 25 ·
Replies
25
Views
3K
Replies
9
Views
8K
  • · Replies 4 ·
Replies
4
Views
2K