LtIvan
- 40
- 6
Allo,
Introduction:
I want to know the insides and outs of ram, mainly the hardware side of things. I know the concepts of RAM and other computer parts like CPU's, Graphics Cards, etc, and how they relate to each other in computer architecture. I know basically that RAM is temporal memory storage used for applications and software. RAM gets data from the hard drive when booting and sends this back and forth to the CPU. I also understand basics of electronics and common components like capacitors, resistors, transistors,etc. I just mainly want to know everything about the hardware side of RAM. Hopefully at the end of studying RAM I might be able to make a basic form of RAM.
Inquiries:
I have read a website about RAM, (note the multiple pages at the end).
http://computer.howstuffworks.com/ram1.htm
It goes through the principles of the hardware and structure of RAM. It goes through some of the parts like the 'memory controller' and functions like 'parities'. I have also learned what DRAM and SRAM are.
Also I have found several other sources including Wikipedia about RAM and memory cells.
https://en.wikipedia.org/wiki/Random-access_memory
https://en.wikipedia.org/wiki/Memory_cell_(binary)
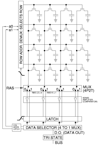
Also I have found several diagrams, (refer to fig.1, fig.2, fig,3 and fig,4).
However I have several questions.
I would also like further diagrams and pictures of RAMs and memory cells for example one of SRAM. Also I would like to learn a bit more about the memory controller and other parts instead of memory cells. Also I would like to know about functions like sense amplifying, refreshing and error checkers.
Also extensive explanation of those diagrams will help.Would not expect a complete knowledge of RAM in a few weeks.
Thanks in advance.
Introduction:
I want to know the insides and outs of ram, mainly the hardware side of things. I know the concepts of RAM and other computer parts like CPU's, Graphics Cards, etc, and how they relate to each other in computer architecture. I know basically that RAM is temporal memory storage used for applications and software. RAM gets data from the hard drive when booting and sends this back and forth to the CPU. I also understand basics of electronics and common components like capacitors, resistors, transistors,etc. I just mainly want to know everything about the hardware side of RAM. Hopefully at the end of studying RAM I might be able to make a basic form of RAM.
Inquiries:
I have read a website about RAM, (note the multiple pages at the end).
http://computer.howstuffworks.com/ram1.htm
It goes through the principles of the hardware and structure of RAM. It goes through some of the parts like the 'memory controller' and functions like 'parities'. I have also learned what DRAM and SRAM are.
Also I have found several other sources including Wikipedia about RAM and memory cells.
https://en.wikipedia.org/wiki/Random-access_memory
https://en.wikipedia.org/wiki/Memory_cell_(binary)
Also I have found several diagrams, (refer to fig.1, fig.2, fig,3 and fig,4).
However I have several questions.
- How does the sense amplifier when reading a bit work in a DRAM?
- How does the RAM refresh the capacitor in a DRAM?
- What is the configuration of a chain of SRAM cells?
- How does the controller address cells?
- What type is used more commonly? I have heard that SRAM is used more for CPUs caches, ( which I know what they are), and DRAM is used for RAM, is this true?
- Are there any other types of RAM I should be aware of?
I would also like further diagrams and pictures of RAMs and memory cells for example one of SRAM. Also I would like to learn a bit more about the memory controller and other parts instead of memory cells. Also I would like to know about functions like sense amplifying, refreshing and error checkers.
Also extensive explanation of those diagrams will help.Would not expect a complete knowledge of RAM in a few weeks.
Thanks in advance.
