Find the resistance R in this network

  • Context: Engineering 
  • Thread starter Thread starter Edy56
  • Start date Start date
  • Tags Tags
    Network Resistance
Click For Summary

Discussion Overview

The discussion revolves around finding the resistance R in a complex circuit network. Participants are attempting to analyze the circuit using various methods, including transformations and calculations, while addressing issues related to clarity in communication and presentation of work.

Discussion Character

  • Debate/contested
  • Technical explanation
  • Mathematical reasoning

Main Points Raised

  • Some participants express difficulty in reading the uploaded circuit images and request clearer representations and typed calculations.
  • A participant describes their approach of transforming resistors from a triangle to a star configuration and calculating resistances in series and parallel, but is unsure where their calculations went wrong.
  • Several replies emphasize the need for detailed calculations rather than just a description of steps taken.
  • One participant suggests that the current source should be treated as having infinite resistance, indicating a misunderstanding of circuit components.
  • Another participant proposes that the Y to Δ transformation is unnecessary if the current source is treated correctly, but acknowledges that the original poster's reasoning about current splitting may differ from standard approaches.

Areas of Agreement / Disagreement

There is no consensus on the correct method to analyze the circuit, as participants present differing views on the necessity of transformations and the treatment of the current source. The discussion remains unresolved regarding the correct approach to find the resistance.

Contextual Notes

Participants have not provided complete calculations, leading to uncertainty about the correctness of their methods. The discussion also highlights potential misunderstandings regarding circuit theory and component behavior.

Edy56
Messages
38
Reaction score
5
Homework Statement
I am supposed to find the equivalent to R2 and I got 2, but I am supposed to get 3
Relevant Equations
None
IMG_20230209_020632.jpg
IMG_20230209_020635.jpg
 
Physics news on Phys.org
Welcome to PF. :smile:

It's pretty hard for me to read your uploaded pictures. Can you post a better picture of the original circuit, and type some of your work into the forum so it's readable? Thanks.

(you should consider learning to post math using LaTeX -- see the "LaTeX Guide" link below the Edit window)
 
berkeman said:
It's pretty hard for me to read your uploaded pictures. Can you post a better picture of the original circuit, and type some of your work into the forum so it's readable? Thanks.
what he said (very small).jpg
 
berkeman said:
Welcome to PF. :smile:

It's pretty hard for me to read your uploaded pictures. Can you post a better picture of the original circuit, and type some of your work into the forum so it's readable? Thanks.

(you should consider learning to post math using LaTeX -- see the "LaTeX Guide" link below the Edit window)
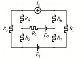
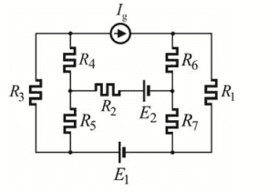
the circuit:
ed.png

here is what I did:
(english is not my first language so sorry if i get any terms wrong)
I thought R3, R4 and R5 form a triangle so I turned it into a star for easier calculation and I did the same for R6 R7 and R1.
Then I thought R34 and R35 are parallel so I calculated that too and the same I did for R61 and R71.
Then I thought all of them were connected in order meaning I could add them all together.
That is:
R3435 +R45 + R67 + R6171.
I got the answer 2, I need to get 3.
Where did I go wrong?
 
How could we possibly know where you went wrong when you have not shown your work ???

SHOW EVERY STEP
 
phinds said:
How could we possibly know where you went wrong when you have not shown your work ???

SHOW EVERY STEP
It's at the beginning of the thread
 
Edy56 said:
It's at the beginning of the thread
Yes, and it got this response:
berkeman said:
It's pretty hard for me to read your uploaded pictures. Can you post a better picture of the original circuit, and type some of your work into the forum so it's readable? Thanks.
TYPE your work into the thread.
 
Edy56 said:
the circuit:
View attachment 321978
here is what I did:
(english is not my first language so sorry if i get any terms wrong)
I thought R3, R4 and R5 form a triangle so I turned it into a star for easier calculation and I did the same for R6 R7 and R1.
Then I thought R34 and R35 are parallel so I calculated that too and the same I did for R61 and R71.
Then I thought all of them were connected in order meaning I could add them all together.
That is:
R3435 +R45 + R67 + R6171.
I got the answer 2, I need to get 3.
Where did I go wrong?
That's what I did here?
 
Edy56 said:
That's what I did here?
No, you listed the steps you did not show any of the calculations.

THIS:
"I thought R3, R4 and R5 form a triangle so I turned it into a star for easier calculation and I did the same for R6 R7 and R1."

is a set of steps. It is not calculations.
 
  • #10
phinds said:
No, you listed the steps you did not show any of the calculations.

THIS:
"I thought R3, R4 and R5 form a triangle so I turned it into a star for easier calculation and I did the same for R6 R7 and R1."

is a set of steps. It is not calculations.
I am not sure as to how write that. I can draw it, but I don't know how to write those steps.

If you mean calculating new Rs it's just basic multiplication and I have in the picture.
 
  • #11
I'm sure you could figure out how to type numbers and equations, but I can see that it would be a lot of work. Perhaps someone else here will be willing to look at your hand-written work and follow it to see if they can find your error.
 
  • #12
phinds said:
I'm sure you could figure out how to type numbers and equations, but I can see that it would be a lot of work. Perhaps someone else here will be willing to look at your hand-written work and follow it to see if they can find your error.
Okay
 
  • #13
I cannot read the component values.
R_Values.png
 
  • #15
You do not need the Y to Δ transform.
Current source Ig is infinite resistance, so remove it from the circuit.
Voltage sources, E1 and E2 are zero resistance, so short them.
R1 = R5 = R6 = 2k;
R3 = R4 = 1k;
R7 = 4k.
Series; +
Parallel; //
R16 = R1 + R6 =
R34 = R3 + R4 =
R167 = R16 // R7 =
R345 = R34 // R5 =
R2 = R167 + R345 = 3k.
 
  • #16
Baluncore said:
You do not need the Y to Δ transform.
Current source Ig is infinite resistance, so remove it from the circuit.
Voltage sources, E1 and E2 are zero resistance, so short them.
R1 = R5 = R6 = 2k;
R3 = R4 = 1k;
R7 = 4k.
Series; +
Parallel; //
R16 = R1 + R6 =
R34 = R3 + R4 =
R167 = R16 // R7 =
R345 = R34 // R5 =
R2 = R167 + R345 = 3k.
I am not sure I understand...
The way I do it, I imagine that power is flowing from a to b and so when it's going from a the power splits in two because of R4 and R5 and thus making them parallel. Why isn't it like that?
 
  • #17
Edy56 said:
Why isn't it like that?
Yes, you can do it in the longer way using the inverse Y to Δ transform;
https://en.wikipedia.org/wiki/Y-Δ_transform

Your mistake is that you have the current source, Ig = 0 ohms, as a short circuit, which is wrong. A current source has infinite resistance, which is an open circuit.
You do not need the Y to Δ transform if you make the current source = ∞ ohms.
 

Similar threads

  • · Replies 11 ·
Replies
11
Views
3K
  • · Replies 1 ·
Replies
1
Views
2K
  • · Replies 1 ·
Replies
1
Views
2K
  • · Replies 5 ·
Replies
5
Views
1K
  • · Replies 3 ·
Replies
3
Views
4K
  • · Replies 5 ·
Replies
5
Views
2K
Replies
22
Views
3K
Replies
1
Views
1K
Replies
6
Views
2K
  • · Replies 5 ·
Replies
5
Views
2K