Motor circuit breaker - connections

Click For Summary
SUMMARY

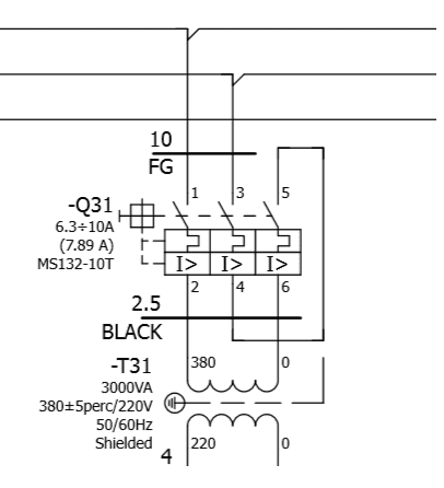
The discussion centers on the wiring connections of motor circuit breakers, specifically addressing the use of terminals 4 and 5 for optimal functionality. It highlights that connecting a transformer via terminals 2 and 4 is not advisable, as it does not ensure proper phase voltage management. The conversation emphasizes that terminals 5 and 6 remain unused in this configuration, which is not optimal for 3-phase overload relays that require current on all three legs. This wiring method ensures that all phases are adequately monitored and protected.

PREREQUISITES
  • Understanding of 3-phase electrical systems
  • Knowledge of motor circuit breakers and their terminal functions
  • Familiarity with overload relay requirements
  • Basic principles of transformer connections
NEXT STEPS
  • Research the wiring configurations of motor circuit breakers
  • Learn about the specifications and requirements of 3-phase overload relays
  • Study transformer connection methods in 3-phase systems
  • Explore the implications of unused terminals in circuit breaker configurations
USEFUL FOR

Electrical engineers, technicians working with motor control systems, and anyone involved in the design or maintenance of 3-phase electrical installations.

Ivan001
Messages
19
Reaction score
0
Why we use such connection between 4 and 5 terminals? Why the transformer isn't connected via 2 and 4 terminals from CB, the voltage will still be 380V because it's between two phases? In such situation the terminals 5 and 6 will stay unused, why not on this way?
 

Attachments

  • Motor CB.png
    Motor CB.png
    7.9 KB · Views: 239
Engineering news on Phys.org
Most 3-phase overload relays requires current on all 3 legs. This wiring method provides that.
 
  • Like
  • Informative
Likes   Reactions: Ivan001 and Asymptotic

Similar threads

  • · Replies 5 ·
Replies
5
Views
2K
  • · Replies 14 ·
Replies
14
Views
976
Replies
17
Views
3K
  • · Replies 19 ·
Replies
19
Views
6K
Replies
12
Views
3K
  • · Replies 42 ·
2
Replies
42
Views
5K
Replies
4
Views
2K
  • · Replies 32 ·
2
Replies
32
Views
4K
  • · Replies 25 ·
Replies
25
Views
5K
Replies
4
Views
3K