Phase voltage and Line-Line voltage relation

  • Context: Engineering 
  • Thread starter Thread starter PhysicsTest
  • Start date Start date
  • Tags Tags
    Phase Relation Voltage
Click For Summary

Discussion Overview

The discussion revolves around the relationship between phase voltage and line-to-line voltage in a circuit involving a wye transformer and possibly an inverter or motor drive. Participants are exploring the application of Kirchhoff's Voltage Law (KVL) to analyze the circuit and calculate voltages.

Discussion Character

  • Technical explanation
  • Mathematical reasoning
  • Debate/contested

Main Points Raised

  • One participant expresses uncertainty about their application of KVL in the circuit analysis, presenting an equation relating phase and line-to-line voltages.
  • Another participant asserts that in a wye transformer configuration, the phase voltages UVA and UVB should be equal, both being 120V, and identifies UAB as the line-to-line voltage.
  • A different participant suggests that the circuit may be part of a three-phase motor drive or inverter, noting that KVL should be applied for specific switch states due to changes in the network when switches are activated.
  • Further details are provided about the inverter's operation, including various states and corresponding voltage equations for Ua, Ub, and Uc based on different switch configurations.
  • The original poster seeks clarification on their KVL equations for different switch states, expressing confusion about their approach and the circuit's behavior.

Areas of Agreement / Disagreement

Participants do not reach a consensus on the correct application of KVL or the relationships between the voltages, as there are differing interpretations of the circuit's configuration and operation.

Contextual Notes

Participants mention specific assumptions about the circuit's configuration, such as the presence of ideal DC sources and the nature of the switches, which may affect the application of KVL. The discussion includes references to a user guide for further context.

PhysicsTest
Messages
260
Reaction score
27
Homework Statement
Find the phase voltage and Line-Line voltage relation
Relevant Equations
Kirchhoff voltage and current laws
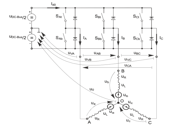
The below is the diagram i want to find the phase and line-line voltage relation
1676305359954.png

I am finding difficulty in identifying the loop and applying the KVL.
One attempt is
U_{VA} - U_R - U_L -U_O - U_L - U_R = U_VB
U_{VA} - 2(U_R+U_L) = U_VB -> eq1

Is my attempt correct? i am not confident please help.
 
Physics news on Phys.org
UVA and UVB should actually be equal if this is a schematic of a wye transformer. They should both be 120V. The line to line voltage would be UAB.
 
Probably a 3Φ motor drive or inverter, since there are ideal DC sources in there. But it could be a rectifier, I guess. Much depends on the switches. Normally KVL would only be applied for a specific switch state since the network changes when switches change.

What is this circuit supposed to do? How are the switches controlled?
 
Yes it is inverter
SAtSBtSCtU_VAU_VBU_VCU_ABU_BCU_CAUaUbUc
100udcbus/2-udcbus/2-udcbus/2udcbus0-udcbus
010-udcbus/2udcbus/2-udcbus/2-udcbusudcbus0
001-udcbus/2-udcbus/2udcbus/20-udcbusudcbus
110udcbus/2udcbus/2-udcbus/20udcbus-udcbus
101udcbus/2-udcbus/2udcbus/2udcbus-udcbus0
011-udcbus/2udcbus/2udcbus/2-udcbus0udcbus
I want to calculate the voltages Ua, Ub, Uc
For the 1st case if i consider
1 0 0 the circuit will be as below
1676390674623.png


If i write KVL
a. 1 0 0
VDCBus/2 + Ua -Ub + VDCBus/2 = 0;
Ua - Ub + VDCBus=0 -> 1

b. 0 1 0
VDCBus/2 + Ub -Ua + VDCBus/2=0
-Ua + Ub + VDCBus = 0 -> 2

c. 0 0 1
VDCBus/2 + Uc - Ub + VDCBus/2 = 0 -> 3

Very confusing am i in correct direction? The document is user guide page 51.
 

Similar threads

  • · Replies 8 ·
Replies
8
Views
2K
  • · Replies 2 ·
Replies
2
Views
2K
  • · Replies 5 ·
Replies
5
Views
2K
Replies
17
Views
4K
  • · Replies 9 ·
Replies
9
Views
3K
  • · Replies 1 ·
Replies
1
Views
2K
  • · Replies 1 ·
Replies
1
Views
2K
  • · Replies 6 ·
Replies
6
Views
2K
  • · Replies 4 ·
Replies
4
Views
2K
  • · Replies 1 ·
Replies
1
Views
2K