Solving RC Circuit Problem Homework

Click For Summary

Homework Help Overview

The discussion revolves around an RC circuit problem involving a capacitor, resistor, and a voltage source. Participants are examining the charge on the capacitor after a long time and the time it takes for the charge to decrease to a specific percentage after the switch is opened.

Discussion Character

  • Exploratory, Conceptual clarification, Assumption checking

Approaches and Questions Raised

  • Participants discuss the voltage across the capacitor and its relationship to the battery voltage and resistor values. There are attempts to clarify the reasoning behind the capacitor's charge and the implications of the circuit configuration.

Discussion Status

Some participants have provided insights into the behavior of the circuit components, particularly regarding the steady-state conditions of the capacitor. There is ongoing exploration of the concepts related to voltage drops and potential differences in the circuit.

Contextual Notes

Participants are considering the implications of the circuit being in a steady state for a long time and how that affects the voltage across the capacitor and resistors. There are references to Kirchhoff's laws and the need for clarification on the assumptions made about the circuit's behavior.

majormaaz
Messages
61
Reaction score
1

Homework Statement


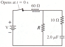
Consider the circuit in the figure below, in which V = 85 V, R = 40 , and the switch has been closed for a very long time.

p31-77alt.gif


(a) What's the charge on the capacitor?
(b) The switch is opened at t = 0 s. At what time has the charge on the capacitor decreased to 10% of its initial value?

[Here's the link for the picture if it doesn't come up]
http://www.webassign.net/knight/p31-77alt.gif

Homework Equations


C = Q/V
V = IR
Q = C*EMF*e^(-t/RC)

The Attempt at a Solution



For part (a), I thought that since the circuit's been connected like that for a long time, the voltage across the capacitor would be the same as the battery's voltage - i.e. 85 Volts. From there, a simple Q = CV would yield 1.7 e -4 C = 170 μC, but that's not right.

For part (b), I was thinking that since it's a parallel circuit, I'd have to use Kirchoff's Law and the Loop Rule to get those 2 loop equations and the Junction equation, but I'm not sure as to if there's another method to get to the answer.

I would appreciate any help!
 
Last edited:
Physics news on Phys.org
majormaaz said:

Homework Statement


Consider the circuit in the figure below, in which V = 85 V, R = 40 , and the switch has been closed for a very long time.

p31-77alt.gif


(a) What's the charge on the capacitor?
(b) The switch is opened at t = 0 s. At what time has the charge on the capacitor decreased to 10% of its initial value?

[Here's the link for the picture if it doesn't come up]
http://www.webassign.net/knight/p31-77alt.gif

Homework Equations


C = Q/V
V = IR
Q = C*EMF*e^(-t/RC)

The Attempt at a Solution



For part (a), I thought that since the circuit's been connected like that for a long time, the voltage across the capacitor would be the same as the battery's voltage - i.e. 85 Volts. From there, a simple Q = CV would yield 1.7 e -4 C = 170 μC, but that's not right.

For part (b), I was thinking that since it's a parallel circuit, I'd have to use Kirchoff's Law and the Loop Rule to get those 2 loop equations and the Junction equation, but I'm not sure as to if there's another method to get to the answer.

I would appreciate any help!
(The image shows up just fine!)

For part (a):
After a long time, the capacitor is fully charged, so no current flows through it or the 10Ω resistor. So there is 0 voltage drop across the 10Ω resistor.

However, current does flow through the 60Ω and 40Ω (R) resistors. Thus they act as a voltage splitter, and C is in parallel with R .​
 
SammyS said:
However, current does flow through the 60Ω and 40Ω (R) resistors. Thus they act as a voltage splitter, and C is in parallel with R .

I think you're saying that the voltage across C would be the same potential difference as the voltage drop across resistor R. But I don't get how that would work if the capacitor was fully charged - I mean, after a long time, I can see why there'd be no current in that branch, but wouldn't the capacitor have charged up to the voltage of the battery by then (and not the resistor)?
 
Thanks for the help! I did get both answers with your help, but I'd still like to understand why the capacitor would charge up to (I)*40 Ω instead of the full battery voltage.
 
majormaaz said:
I think you're saying that the voltage across C would be the same potential difference as the voltage drop across resistor R. But I don't get how that would work if the capacitor was fully charged - I mean, after a long time, I can see why there'd be no current in that branch, but wouldn't the capacitor have charged up to the voltage of the battery by then (and not the resistor)?

The potential difference across the capacitor cannot go higher than the potential difference available at the nodes where it connects.

To find the steady-state potential that a capacitor will achieve, remove the capacitor from the circuit and find the open-circuit voltage at the open terminals where it was connected.
 
gneill said:
The potential difference across the capacitor cannot go higher than the potential difference available at the nodes where it connects.

To find the steady-state potential that a capacitor will achieve, remove the capacitor from the circuit and find the open-circuit voltage at the open terminals where it was connected.

I will keep this in mind. Thanks!
 

Similar threads

  • · Replies 4 ·
Replies
4
Views
2K
  • · Replies 3 ·
Replies
3
Views
2K
  • · Replies 5 ·
Replies
5
Views
7K
  • · Replies 4 ·
Replies
4
Views
3K
  • · Replies 9 ·
Replies
9
Views
3K
  • · Replies 3 ·
Replies
3
Views
2K
  • · Replies 4 ·
Replies
4
Views
9K
  • · Replies 4 ·
Replies
4
Views
2K
  • · Replies 1 ·
Replies
1
Views
3K
  • · Replies 5 ·
Replies
5
Views
3K